Идеята е да захраня Аларма с датчици с макс консумация 3А. При прекъсване на захранването ~220V, започва захранването от акумулатора към алармата. При възстановяване на ~220V захранване, акумулаторът се дозарежда, ако е необходимо.
I. транформатор от ~220V към ~15V 3A
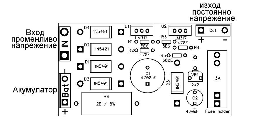
II. свързвам трансформаторът към този захранващ блок:
http://www.technolife.bg/product/2627/kit-k003h-zaryadno-za-akumulator-12v-3a.html
Входно напрежение от U AC = ~ 15 до ~ 22 V
Изходно напрежение U DC = 10 до 14 V
Изходен ток I OUT = 3 А
III. свързвам акумулатора към изхода за акумулатор 12V 55Ah.
IV. Свързвам алармата към "изход постоянно напрежение"
Въпрос моят вариант за свързване верен ли е?
Ще се зарежда ли акумулатора при възстановянане на ~220V
Въпрос за захранване
- milmar
- Мнения: 4935
- Регистриран на: Съб 22 мар 2008 2:57
- Автомобил: Passat B4 and B6 Variant
- Двигател: 1Z and CBDC
- Местоположение: Русе
Re: Въпрос за захранване
Начинът ти на разсъждения е верен.
Това "зарядно" е един токоизправител, не особенно добре филтриран и с долу-горе стабилизирано изходно напрежение. Зарядния ток се "контролира" просто с един резистор - R6. Този същия R6 ще е един паразит, когато токът спре и консумираш от акумулатор, доста недомислено
.Ако нагласиш напрежението с тримера VR1 да е около 13.6-13.8V, колкото трябва да е за акумулатор на постоянен подзаряд, то при ситуация на разряд, последващия заряд ще е много бавен. Ако имаш чести пропадания на захранването акумулаторът ще "увисне".
Това "зарядно" трудно ще осигури постоянни 3А, както си решил да го ползваш, ако наистина консумацията ти е 3А, както си писал по-горе.
Задължително, ама съвсем задължително трябва да сложиш радиатори на LM317, а на диодите какво ще сложиш за да удържат не знам
, вентилатор
.
Това "зарядно" е един токоизправител, не особенно добре филтриран и с долу-горе стабилизирано изходно напрежение. Зарядния ток се "контролира" просто с един резистор - R6. Този същия R6 ще е един паразит, когато токът спре и консумираш от акумулатор, доста недомислено
.Ако нагласиш напрежението с тримера VR1 да е около 13.6-13.8V, колкото трябва да е за акумулатор на постоянен подзаряд, то при ситуация на разряд, последващия заряд ще е много бавен. Ако имаш чести пропадания на захранването акумулаторът ще "увисне".Това "зарядно" трудно ще осигури постоянни 3А, както си решил да го ползваш, ако наистина консумацията ти е 3А, както си писал по-горе.
Задължително, ама съвсем задължително трябва да сложиш радиатори на LM317, а на диодите какво ще сложиш за да удържат не знам
- freshk0
- Мнения: 251
- Регистриран на: Пон 28 ное 2005 18:38
- Автомобил: VW Golf 3
- Двигател: ABU 94
- Местоположение: София, Плевен
Re: Въпрос за захранване
Благодаря. Радиатор ще сложа. А относно консумацията по калкулация би трябвало да е около 2А, но аз малко се позастраховах.
"Този същия R6 ще е един паразит, когато токът спре и консумираш от акумулатор"
Просто не съм толкова на ТИ с тези неща. Какво искаш да кажеш с това изречение?
Да разбирам ли, че ако падне много акумулатора няма да може да го възстанови.
"Този същия R6 ще е един паразит, когато токът спре и консумираш от акумулатор"
Просто не съм толкова на ТИ с тези неща. Какво искаш да кажеш с това изречение?
Да разбирам ли, че ако падне много акумулатора няма да може да го възстанови.
- milmar
- Мнения: 4935
- Регистриран на: Съб 22 мар 2008 2:57
- Автомобил: Passat B4 and B6 Variant
- Двигател: 1Z and CBDC
- Местоположение: Русе
Re: Въпрос за захранване
Резисторът е сложен за да ограничава зарядния ток по много примитивен начин. Той е със стойност 2 Ом. Ако приемем, че си нагласил тримера така, че зареденият акумулатор да достигне 13.8V, то няма как зарядния ток наистина да е 3А. Този ток по законът на Ом ще е напрежението върху резистора разделено на стойността на резистора, т.е. I=Ur/R=(Uзар-Uакум)/R. В случая Uзар=13.8V ,R=2Ohm и за да стане зарядния ток 3А акумулаторът ти трябва да е паднал на около 7.8V, което е абсурд. Ако е на нормална стойност около 12.3V зарядния ток ще е (13.8-12.3)/2=0.75А .
А ще е "паразит", защото когато спре захранването и ползваш акумулатора, токът ще тече отново през него и ще имаш излишни загуби
ПП
Ще се спукам от смях, зачетох се пак...Това е захранващ "прибор" осигуряващ 3А (в което се съмнявам), само когато имаш мрежово захранване. Иначе никой, ама никаде не е споменавал, че на акумулатор може да осигури 3А, още по-малко пък че ще ти зарежда акумулатор с 3А заряден ток
.
ПП2
Намери някой наоколо да го попреработи, или направо да ти направи нещо подходящо. Просто едно истинско зарядно за киселинен акумулатор със заряден ток примерно 3-4А и да има възможност да ограничава напрежението не на 14.4-15V, а на около 13.6-13.8V и това е.
А ще е "паразит", защото когато спре захранването и ползваш акумулатора, токът ще тече отново през него и ще имаш излишни загуби
ПП
Ще се спукам от смях, зачетох се пак...Това е захранващ "прибор" осигуряващ 3А (в което се съмнявам), само когато имаш мрежово захранване. Иначе никой, ама никаде не е споменавал, че на акумулатор може да осигури 3А, още по-малко пък че ще ти зарежда акумулатор с 3А заряден ток
.ПП2
Намери някой наоколо да го попреработи, или направо да ти направи нещо подходящо. Просто едно истинско зарядно за киселинен акумулатор със заряден ток примерно 3-4А и да има възможност да ограничава напрежението не на 14.4-15V, а на около 13.6-13.8V и това е.
- freshk0
- Мнения: 251
- Регистриран на: Пон 28 ное 2005 18:38
- Автомобил: VW Golf 3
- Двигател: ABU 94
- Местоположение: София, Плевен
Re: Въпрос за захранване
Благодаря ти много за изчерпателните коментари.
Върни се в “ОФФ-Топик - електроника, техника, обзавеждане”
Кой е на линия
Потребители, разглеждащи този форум: Няма регистрирани потребители и 45 госта