
1.
2.
3.
4.
5.
6.
7.
8.
9.

1.
2.
3.
4.
5.
6.
7.
8.
9.
10.

11.
12.
13.
14.
15.
16.
17.
18.
19.
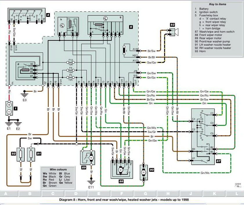
п.п. тия дни ще довърша и за моделите след 1999г



много полезна темаВърни се в “Polo, Lupo, Up & Fox”
Потребители, разглеждащи този форум: Няма регистрирани потребители и 54 госта