Поло 2ф1993 1.4 дизел- вибрации във волана
- ktamen
- Мнения: 6401
- Регистриран на: Вто 23 мар 2010 18:52
- Автомобил:
- Двигател:
- Местоположение: София - Ямбол
Re: Поло 2ф1993 1.4 дизел- вибрации във волана
Я го отвий още два оборота, да видим какво ще стане. Пиша го съвсем сериозно.
Ако имаш нещо криво трябва да тресе постоянно. Реглажа в София не е евтин, ама лошия реглаж е много вероятна причина за проблема.
Ако имаш нещо криво трябва да тресе постоянно. Реглажа в София не е евтин, ама лошия реглаж е много вероятна причина за проблема.
- дърт милиционер
- Мнения: 732
- Регистриран на: Пет 24 май 2013 6:33
- Автомобил: WV Polo 2F 1993
- Двигател: 1.4 DIESEL
- Местоположение: София
Re: Поло 2ф1993 1.4 дизел- вибрации във волана
Не е ли по добре да ида пак на реглаж ? Да ти кажа честно - когато сменях десния накрайник - бях го монтирал наопаки.........и майстора не го видя.....направи реглажа , но колата леко плуваше. Свалих гумите - мислех , че нещо съм забравил да стегна - видях , че новия накрайник съм го сложил наопаки/там е на конус и едвам бях го стегнал - конуса беше наобратно/ . Отвих го половин оборот и го поставих нормално и спря да плува......но остана проблема с вибрациите. Дали пък не се е прецакала рейката от движението с един накрайник наопаки ?
- ktamen
- Мнения: 6401
- Регистриран на: Вто 23 мар 2010 18:52
- Автомобил:
- Двигател:
- Местоположение: София - Ямбол
Re: Поло 2ф1993 1.4 дизел- вибрации във волана
При всички случаи трябва да идеш на реглаж, ама предполагам, че пак ще ти вземат 40лв.
Всъщност, я обясни пак какъв е този половин оборот? Доколкото разбрах си завъртял накрайника, без да разхлабваш връзката му с рейката. Правилно ли съм разбрал?
Накрайника си го превъртял в маншона или си разхлабил гайката и си го превъртял?
Докато си карал с обърнат накрайник, но с направен реглаж, имаше ли тресене?
Всъщност, я обясни пак какъв е този половин оборот? Доколкото разбрах си завъртял накрайника, без да разхлабваш връзката му с рейката. Правилно ли съм разбрал?
Накрайника си го превъртял в маншона или си разхлабил гайката и си го превъртял?
Докато си карал с обърнат накрайник, но с направен реглаж, имаше ли тресене?
- дърт милиционер
- Мнения: 732
- Регистриран на: Пет 24 май 2013 6:33
- Автомобил: WV Polo 2F 1993
- Двигател: 1.4 DIESEL
- Местоположение: София
Re: Поло 2ф1993 1.4 дизел- вибрации във волана
Разхлабих контрагайката и го отвих от рамото което идва от рейката - после отвих половин оборот накрайника и конуса започна да сочи надолу. А дали имаше вибрации ? Не помня - колата просто плуваше и я карах доста така - около 100км..........докато разбера къде да гледам - мислех си че са амортисьори - и тях ги бял сменил с нови. Проблема е , че почти цялата предница смених .....и сега не знам какво да гледам.
- ktamen
- Мнения: 6401
- Регистриран на: Вто 23 мар 2010 18:52
- Автомобил:
- Двигател:
- Местоположение: София - Ямбол
Re: Поло 2ф1993 1.4 дизел- вибрации във волана
Можел си да го превъртиш, само като охлабиш скобата на маншона, при връзката му с рейката има ябълка и оттам не е проблем да го превърташ колкото си искаш.
А грешката не е само половин оборот, като го преместиш от горната страна, промяната е много повече защото ........ мързи ме да обяснявам. Щом не помниш за проблеми, вероятно проблеми е нямало.
Върни се в същия сервиз и обясни случая, може да ти направят отстъпка, щото и те имат вина.
Така или иначе не съм сигурен, че с реглаж ще се оправи и дано не ме псуваш за грешните пари.
При всички случаи е много по-вероятно проблемът да е в лош реглаж, отколкото в крива главина.
А грешката не е само половин оборот, като го преместиш от горната страна, промяната е много повече защото ........ мързи ме да обяснявам. Щом не помниш за проблеми, вероятно проблеми е нямало.
Върни се в същия сервиз и обясни случая, може да ти направят отстъпка, щото и те имат вина.
Така или иначе не съм сигурен, че с реглаж ще се оправи и дано не ме псуваш за грешните пари.
При всички случаи е много по-вероятно проблемът да е в лош реглаж, отколкото в крива главина.
- дърт милиционер
- Мнения: 732
- Регистриран на: Пет 24 май 2013 6:33
- Автомобил: WV Polo 2F 1993
- Двигател: 1.4 DIESEL
- Местоположение: София
Re: Поло 2ф1993 1.4 дизел- вибрации във волана
Задължително ще ида на реглаж , исках преди това да я огледа и майстор........
- DA@KA
- Мнения: 1081
- Регистриран на: Съб 24 юли 2010 18:41
- Автомобил: Caravelle
- Двигател: ACV 1998
- Местоположение: гр.Русе
Re: Поло 2ф1993 1.4 дизел- вибрации във волана
Колега имах същия проблем като твоя,оказа се вътрешно каре.
- Водния дух1
- Мнения: 3481
- Регистриран на: Вто 21 май 2013 21:17
- Автомобил: Golf 3 variant
- Двигател: 1Z
- Местоположение: Русе
Re: Поло 2ф1993 1.4 дизел- вибрации във волана
От лош реглаж може да ти дърпа ,да износва непр.гуми ,ама да ти тресе-не вярвам.
- samo_pechka
- Мнения: 9099
- Регистриран на: Пон 05 дек 2011 22:46
- Автомобил: YAMAHA Drag star 1100+XJ 900 58L
- Двигател: V-twin 2002 + R4 1989
Re: Поло 2ф1993 1.4 дизел- вибрации във волана
Сетих се нещо друго. Понеже на тези поло-та има малка особеност за стаб.щанга. Тя се явява задължителен елемент от окачването. Т.е. колата не може да върви без нея. Не е като при Г2 да речем . Тя "държи" носачите да не мърдат напред назад . Ако там има нещо хлабаво, или друг проблем ( селенови втулки прим.), гарантирано ще имаш сериозни проблеми с лашкания / вибрации и т.н. !
- дърт милиционер
- Мнения: 732
- Регистриран на: Пет 24 май 2013 6:33
- Автомобил: WV Polo 2F 1993
- Двигател: 1.4 DIESEL
- Местоположение: София
Re: Поло 2ф1993 1.4 дизел- вибрации във волана
Имах огромен проблем с ремонта на ст.щанга. Свалих я и сложих новите тампони........ и няма монтиране. Бягаше с 3см........в дясно.Големи мъки. Най накрая свалих единия носач и едвам го сложих. Белязах ст. щанга , но не съм се сетил да видя - дали е избягала пак......с 3см.
- goppa
- VW експерт

- Мнения: 8024
- Регистриран на: Вто 04 сеп 2012 19:25
- Автомобил: Seat Alhambra
- Двигател: CFFB
- Местоположение: Горна Оряховица
Re: Поло 2ф1993 1.4 дизел- вибрации във волана
Чичко молиционер,
явно не ти се отдава да поддържаш автомобил. Закарай въпросния автомобил в сервиз, или ако криволичи твърде много по пътя използвай пътна помощ. Но спри да го пипаш защото от две седмици все по-на зле отива работата с окачването на полото. А народа е казал: "Като имаш едно кило брашно, дай го на майстор да ти омеси хляб". Стига хвърля пари щом не можеш да се справиш. Сервизи под път и над път. Все някой ще ти вкара колата в пътя.
явно не ти се отдава да поддържаш автомобил. Закарай въпросния автомобил в сервиз, или ако криволичи твърде много по пътя използвай пътна помощ. Но спри да го пипаш защото от две седмици все по-на зле отива работата с окачването на полото. А народа е казал: "Като имаш едно кило брашно, дай го на майстор да ти омеси хляб". Стига хвърля пари щом не можеш да се справиш. Сервизи под път и над път. Все някой ще ти вкара колата в пътя.
- ktamen
- Мнения: 6401
- Регистриран на: Вто 23 мар 2010 18:52
- Автомобил:
- Двигател:
- Местоположение: София - Ямбол
Re: Поло 2ф1993 1.4 дизел- вибрации във волана
goppa написа:Сервизи под път и над път.
И всички работят бързо, качествено и евтино
Или пък не точно.........
- дърт милиционер
- Мнения: 732
- Регистриран на: Пет 24 май 2013 6:33
- Автомобил: WV Polo 2F 1993
- Двигател: 1.4 DIESEL
- Местоположение: София
Re: Поло 2ф1993 1.4 дизел- вибрации във волана
Напълно прав си друже. За първи път се захванах ..... мислех , че е лесно. Уж да спестя някой лев от майстори.......и се охарчих яко. Лошото е , че няколко пъти вече ходя на майстор но не могат и те да я оправят. Ходих и във фирмения сервиз в с. Герман......гледа я Никси , и каза че са криви гуми или джанти . Купих нови .......и пак същото. По тия модерни сервизи като ми видят невзрачната кола и никой не иска да я прави. Мислят си , че нямам пари ......макар да им казвам , че ще платя колкото поискат. Явно им е по изгодно да ремонтират скъпи коли и да взимат повечко пари........Онзи ден пак ходих при Никси.......даже и час имах - много работа имал, да съм минел след 15 август........Тя колата си върви , не криволичи - само волана вибрира като реша да завивам. Дали не е прав колегата - за стабилизиращата щанга ? Големи ядове брах с нея. Лошото е , че всичко смених и сега се чудя откъде е проблема. То не се съмнявах в рейка , главина ......сега ст. щанга.Станах за смях във форума............. 

- goppa
- VW експерт

- Мнения: 8024
- Регистриран на: Вто 04 сеп 2012 19:25
- Автомобил: Seat Alhambra
- Двигател: CFFB
- Местоположение: Горна Оряховица
Re: Поло 2ф1993 1.4 дизел- вибрации във волана
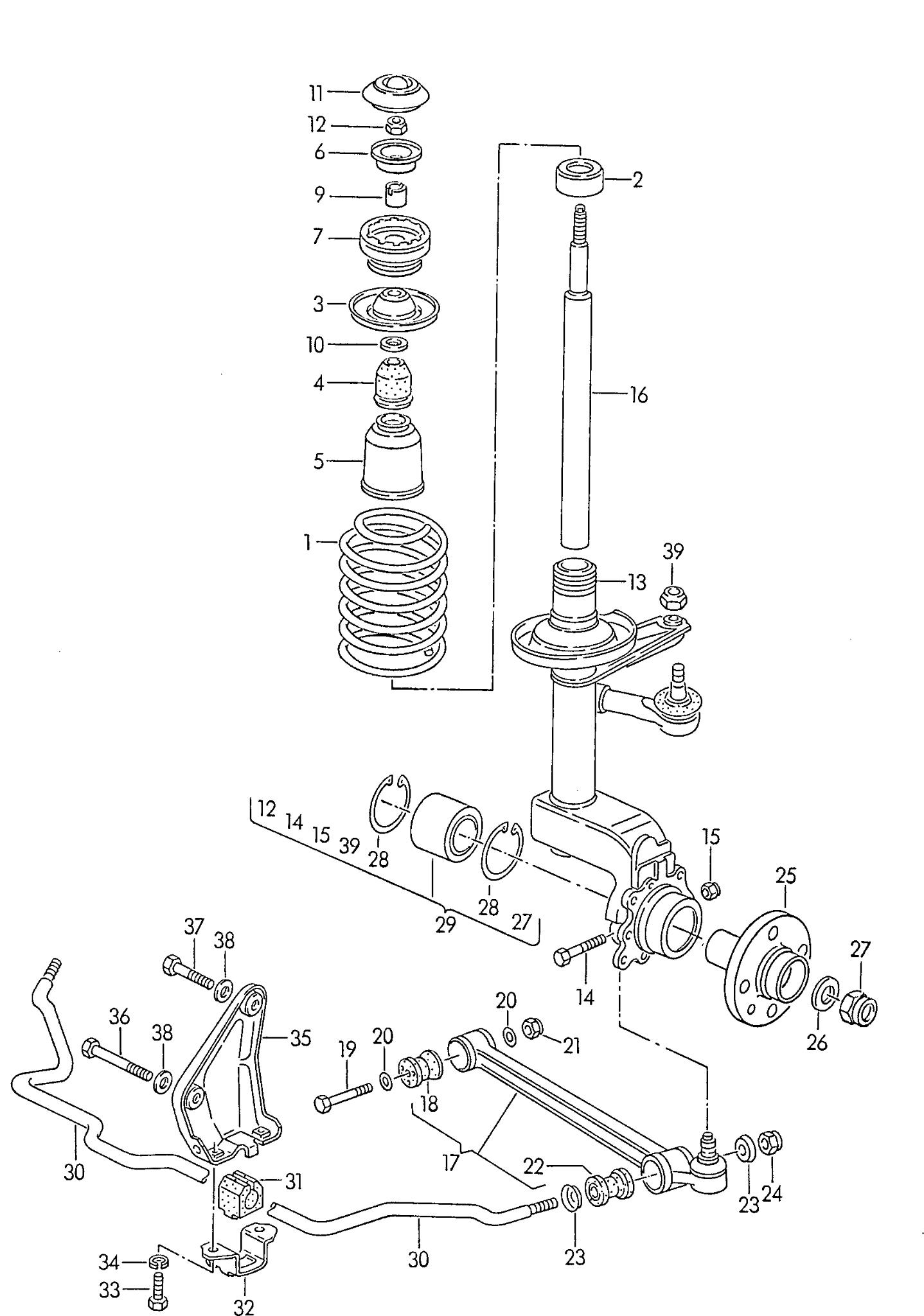
ето го твоето окачване:
Кои детайли по него си сменял наскоро?
Кои детайли по него си сменял наскоро?
- gergeto
- Мнения: 3344
- Регистриран на: Нед 10 апр 2011 18:14
- Автомобил:
- Двигател:
- Местоположение: Шумен
Re: Поло 2ф1993 1.4 дизел- вибрации във волана
дърт милиционер написа:То не се съмнявах в рейка , главина ......сега ст. щанга.Станах за смях във форума.............
Нали знаеш народната мъдрост-"2 лева да имаш-дай ги на майстора ,за да ти направи хляба"..
Явно .милиционере -предници и окачване не ти са "отръки",камо ли хляб да си вадиш с този занаят...Карай на майстор,пиши за резултата и "занулявай" темата. Не можем от всичко да разбираме ,на всичко да сме компетентни...Винаги съм казвал: Ако всеки от нас си насочи усилията в това в което му се отдава -нещата в тая държава се подреждат сами..
п.с. Милиционере,нека не ни е срам че много от майсторите са на годините на синовете ни.Няма срамно "децата" ни понякога да са по-компетентни от нас.

Върни се в “Polo, Lupo, Up & Fox”
Кой е на линия
Потребители, разглеждащи този форум: Няма регистрирани потребители и 40 госта
