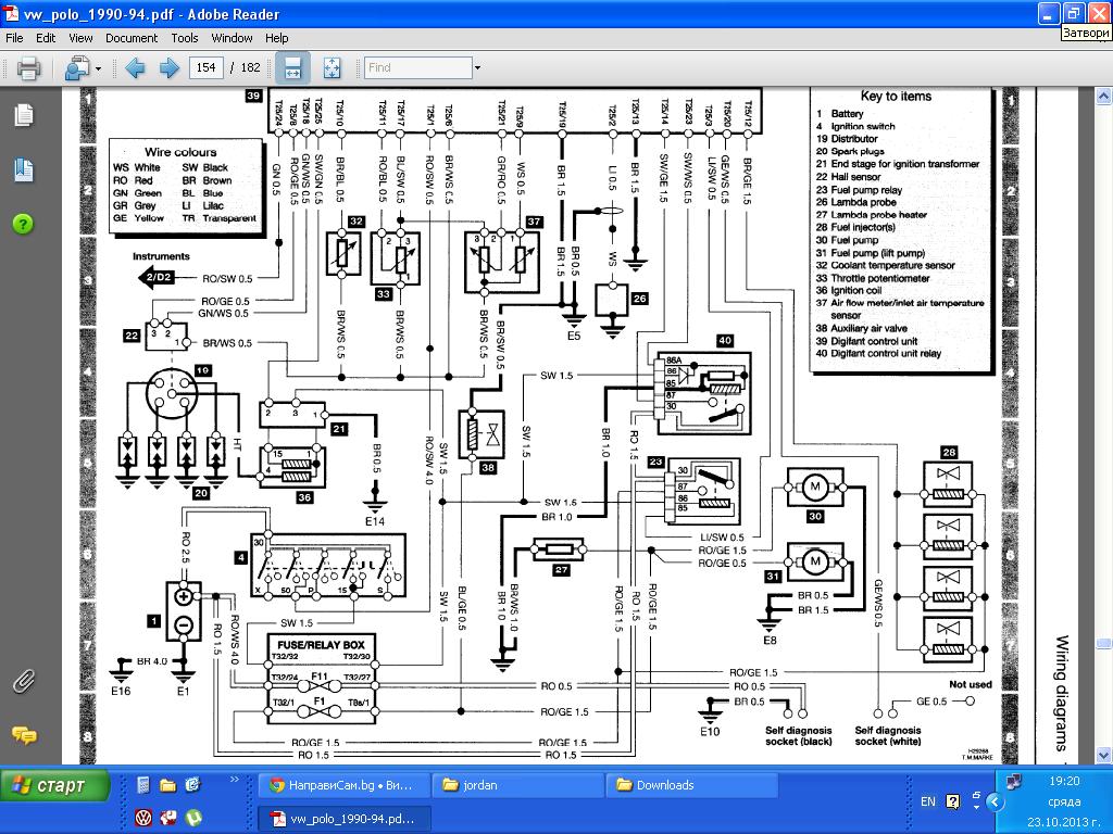
сега помпите не работят на контакт а работят при въртене на стартер та мисълта ми е
трябва ли да минат през реле и как да го свържем това реле че помпите за заработят както трябва
сложехме мотор г40 в коша на дерби но с тия помпи съвсем се умешахме
ще бъда благодарен ако някой колега каже как точно да стане
мерси предварително
