Здравейте колеги,
След дълго търсене така и не успях да намеря нужната ми информация за конкретния автомобил.
Купил съм си DRL модул "CarDRL4" и почнах да го монтирам сам.
Открих постоянен +, + на контакт и + за включени габарити на буксата на ключа за включване на фаровете. Сигнал от светлинния клаксон взех под волана от снопа отиващ към ключа за превключване на къси/дълги. Масата не е проблем, може да се вземе от доста места. На този етап няма да свързвам управлението на габаритите и сигнала от алармата.
Стигнах до свързване на двата кабела за светлините. Решил съм да управлявам късите. В инструкциите към модула изрично пише, че трябва задължително да се свържат и двата проводника. На схемата е посочено да се свържат по един за ляв и десен фар. На буксата към ключа за фаровете има само един кабел за късите. Мислех да ги свържа след бушоните на кабелите които отиват към фаровете, но се оказа, че там е голяма плетеница и ще ми е трудно да намеря правилните. Идеята да ги свържа в близост до фаровете, непосредствено преди буксите им не ми допада особено. Има ли достъпно място до тези два проводника в близост до бушоните. Също така, смятате ли, че постоянния + който открих на ключа за фаровете е подходящ да захранва модула, сечението му не е особено голямо и ме притеснява да не стане беля.
Благодаря предварително на отзовалите се.
Polo 6n1 97 AEX - Свързване на DRL модул
- polovera_9n3
- Мнения: 1916
- Регистриран на: Съб 17 авг 2013 22:39
- Автомобил: VW POLO TDI
- Двигател: BNM 2007
- Местоположение: Кърджали
Re: polo, 6n1, 97, AEX - свързване на DRL модул
Здравей колега. аз карам с ДРЛ 3 . там е по схема зададено че трябва кабелите към фаровете да се свържат след релетата. аз имам релета и ги вързах преди буксата. 6н незнам дали е с релета ама ги вържи там най добре. и кабелите към буксите трябва да са с еднаква дължина иначе единия свети по силно(този с по късия кабел).. аз главния + го взех от акомулатора и масата оттам, от ключа за фаровете взех +на габарит и + на контакт, сивия за програмиране не съм го свързал ето тука малко видео
http://vbox7.com/play:5e239e3ce4 - тука 4 кабела са откъм мотора- + и – от акомулатора и 2та към фаровете, другите са от ключа за фаровете 


- budimir
- Мнения: 104
- Регистриран на: Пон 19 юни 2006 21:47
- Автомобил:
- Двигател:
- Местоположение: София
Re: polo, 6n1, 97, AEX - свързване на DRL модул
В крайна сметка си помогнах сам.
Предполагам, че гоните прасетата и нямате време да се занимавате с модули и дивотии
. Е, аз си нямам прасе и ето какво сътворих:
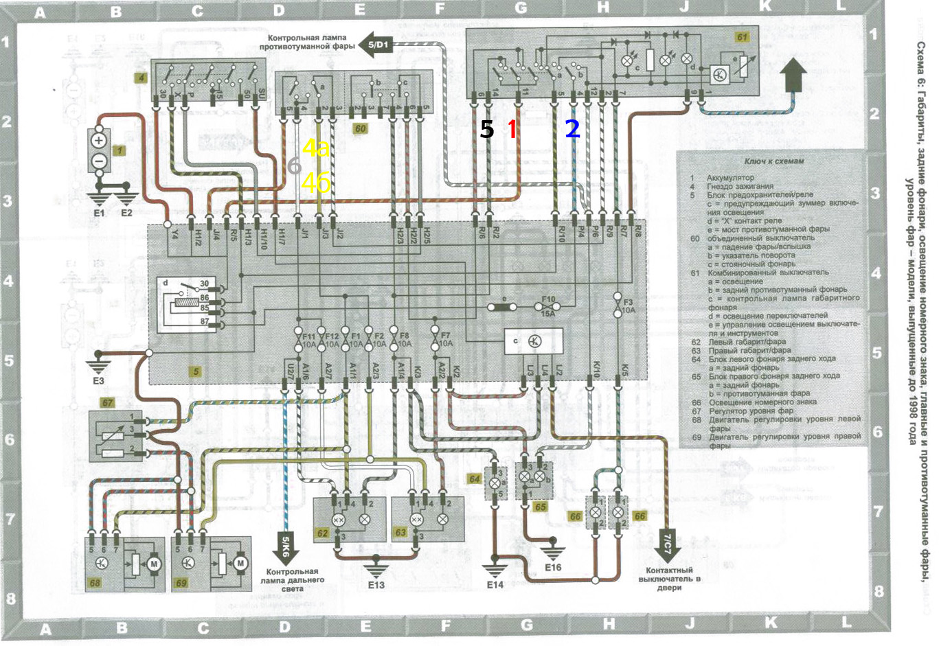
Открих схемите на ел. инсталацията за POLO 6n1 произведени между 94 и 98 години.
Модула е с два независими изхода към фаровете. Свързах се с производителя на модула. Уточнихме се, че мога да свържа двата силови изхода от него заедно на едно и също място. Всеки от тях е предвиден за мощност до 60W и само единият не е достатъчен да захранва два фара. При това положение най-удобното място за свързване се оказа снопът между ключа къси/дълги и кутията с предпазителите (нямам релета и на това място все още не са разделени на ляв и десен фар). Мястото е лесно достъпно и удобно за работа. Там също така съм взел и сигнал от дългите. Аз реших да управлявам късите, но ако някой иска да управлява дългите на това място може да свърже към дългите и изходите от модула. Цветовете на кабелите към които се свързвам - жълт(къси), бял(дълги).
Снимка 1
Както вече споменах, постоянен +, + при контакт и + при включване на габаритие взех от ключа за фаровете
Снимка 2, Снимка 3
(Постоянен +) - червено/жълт - (11) номер на клемата
(+ при контакт) - сиво/син - (4) номер на клема (вместо тази може да се ползва клема (5) - зелено/жълт)
(+ при включени габарити) - сиво/черен - (14) номер на клемата (вместо тази може да се ползва клема (6) - сиво/червен)
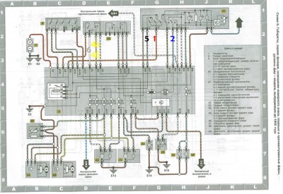
Схема 1
цветове на проводниците на CarDRL4. На схемата съм показал местата на свързване.
(1) червен - към (постоянен +)
(2) син - към (+ само при контакт)
(3) черен - към маса
(4а)и(4б) 2бр. жълт - към светлините
(5) бял - към габарити
(6) сив - към дълги светлини
(7) кафяв - управление на габаритни светлини (не го ползвам)
(8) зелен - вход от аларма (не е задължително) Свързах го да работи при отключване на автомобила.
Според схемата, този (постоянен +) захранва габаритите. Т.е. предвиден е за по-малка сумарна мощност от колкото са два фара на 100%. Това ме накара да потърся по-сигурно място от където да взема (постоянен +). След като се снабдя с подходяща кабелна обувка (нямах такава на разположение при монтажа) ще го взема директно от кутията с бушоните.
Схема 2
Означените с "Y" са клемите с (постоянен +). На първата снимка съм показал с червеното кръгче къде се падат тези клеми.
Ако на някой му трябват схемите на ел. инсталацията, да ми пусне л.с.
Весели празници.

Предполагам, че гоните прасетата и нямате време да се занимавате с модули и дивотии

Открих схемите на ел. инсталацията за POLO 6n1 произведени между 94 и 98 години.
Модула е с два независими изхода към фаровете. Свързах се с производителя на модула. Уточнихме се, че мога да свържа двата силови изхода от него заедно на едно и също място. Всеки от тях е предвиден за мощност до 60W и само единият не е достатъчен да захранва два фара. При това положение най-удобното място за свързване се оказа снопът между ключа къси/дълги и кутията с предпазителите (нямам релета и на това място все още не са разделени на ляв и десен фар). Мястото е лесно достъпно и удобно за работа. Там също така съм взел и сигнал от дългите. Аз реших да управлявам късите, но ако някой иска да управлява дългите на това място може да свърже към дългите и изходите от модула. Цветовете на кабелите към които се свързвам - жълт(къси), бял(дълги).
Снимка 1
Както вече споменах, постоянен +, + при контакт и + при включване на габаритие взех от ключа за фаровете
Снимка 2, Снимка 3
(Постоянен +) - червено/жълт - (11) номер на клемата
(+ при контакт) - сиво/син - (4) номер на клема (вместо тази може да се ползва клема (5) - зелено/жълт)
(+ при включени габарити) - сиво/черен - (14) номер на клемата (вместо тази може да се ползва клема (6) - сиво/червен)
Схема 1
цветове на проводниците на CarDRL4. На схемата съм показал местата на свързване.
(1) червен - към (постоянен +)
(2) син - към (+ само при контакт)
(3) черен - към маса
(4а)и(4б) 2бр. жълт - към светлините
(5) бял - към габарити
(6) сив - към дълги светлини
(7) кафяв - управление на габаритни светлини (не го ползвам)
(8) зелен - вход от аларма (не е задължително) Свързах го да работи при отключване на автомобила.
Според схемата, този (постоянен +) захранва габаритите. Т.е. предвиден е за по-малка сумарна мощност от колкото са два фара на 100%. Това ме накара да потърся по-сигурно място от където да взема (постоянен +). След като се снабдя с подходяща кабелна обувка (нямах такава на разположение при монтажа) ще го взема директно от кутията с бушоните.
Схема 2
Означените с "Y" са клемите с (постоянен +). На първата снимка съм показал с червеното кръгче къде се падат тези клеми.
Ако на някой му трябват схемите на ел. инсталацията, да ми пусне л.с.
Весели празници.

- polovera_9n3
- Мнения: 1916
- Регистриран на: Съб 17 авг 2013 22:39
- Автомобил: VW POLO TDI
- Двигател: BNM 2007
- Местоположение: Кърджали
Re: polo, 6n1, 97, AEX - свързване на DRL модул
дай клипче да видим. междудругото моя дрл отказа ония ден незнам защо тия дни ще видя и ще пиша 

- budimir
- Мнения: 104
- Регистриран на: Пон 19 юни 2006 21:47
- Автомобил:
- Двигател:
- Местоположение: София
Re: polo, 6n1, 97, AEX - свързване на DRL модул
Клипче на какво? Пали си фаровете плавно след запалване. Задал съм на късите да са на 60%.
- polovera_9n3
- Мнения: 1916
- Регистриран на: Съб 17 авг 2013 22:39
- Автомобил: VW POLO TDI
- Двигател: BNM 2007
- Местоположение: Кърджали
Re: polo, 6n1, 97, AEX - свързване на DRL модул
Клипче на колата с дрл в завършен вид снимана отпред като я палиш да видим как е
то ясно как ще е ама друго си е да се види... ако не е проблем де... че на къси на 60% при мене лампите станаха като кандилца
и пак го вързах на дългите на 20% ама като карам така карам с фарове свалени до долу иначе леко заслепява... НО ми се прецака ДРЛа и дано да е от някоя връзка че както съм го заврял в таблото не ми се вади пак.... 



Върни се в “Polo, Lupo, Up & Fox”
Кой е на линия
Потребители, разглеждащи този форум: Няма регистрирани потребители и 32 госта