Поло бензин 1,4 96г запитване бутон за фарове

Техническа и сервизна информация за Polo, Lupo, Up и Fox
Потребителски аватар
LORD_OF_PAIN
Мнения: 134
Регистриран на: Вто 26 дек 2006 22:04
Автомобил:
Двигател:
Местоположение: София

Поло бензин 1,4 96г запитване бутон за фарове

Мнениеот LORD_OF_PAIN » Нед 16 ное 2014 20:18


Здравейте колеги!
Някой може ли да ми даде електрическата схема на бутона за включване на фаровете. изтеглих и инсталирах стотин версии на аутодатата и не ми върви и това е.




georgi_dob
Мнения: 323
Регистриран на: Пет 23 май 2014 23:33
Автомобил: Nissan 200SX and VW Polo 6N 1996
Двигател:
Местоположение: София

Re: Поло бензин 1,4 96г запитване бутон за фарове

Мнениеот georgi_dob » Вто 18 ное 2014 22:50


Фаровете поне при мен се включват с двупозиционен ключ (габарити, фарове), а не с бутон. Другият превключвател е за къси и дълги светлини. За кое става въпрос? Каква схема търсиш точно? На самия ключ не ти трябва схема той е достатъчно прост (превключващи контакти вътре в него) или работи или НЕ.


Потребителски аватар
LORD_OF_PAIN
Мнения: 134
Регистриран на: Вто 26 дек 2006 22:04
Автомобил:
Двигател:
Местоположение: София

Re: Поло бензин 1,4 96г запитване бутон за фарове

Мнениеот LORD_OF_PAIN » Пет 21 ное 2014 22:22


за този двупозиционен ключ става въпрос. към него има включени 10-тина кабела. кой къде отива?


georgi_dob
Мнения: 323
Регистриран на: Пет 23 май 2014 23:33
Автомобил: Nissan 200SX and VW Polo 6N 1996
Двигател:
Местоположение: София

Re: Поло бензин 1,4 96г запитване бутон за фарове

Мнениеот georgi_dob » Съб 22 ное 2014 22:33


Не знам. Трябва да се премерят и проследят не ми се е налагало да го ремонтирам. Не би трябвало да са толкова много. Два би трябвало да отиват към горния ключ-за къси и дълги. Още 4-ри на самия двупозиционен ключ. Какво точно не ти работи??


Потребителски аватар
Scarchu
Мнения: 687
Регистриран на: Пон 29 май 2006 10:21
Автомобил: Black
Двигател: with internal combustion
Местоположение: София
Контакти:

Re: Поло бензин 1,4 96г запитване бутон за фарове

Мнениеот Scarchu » Вто 25 ное 2014 16:13


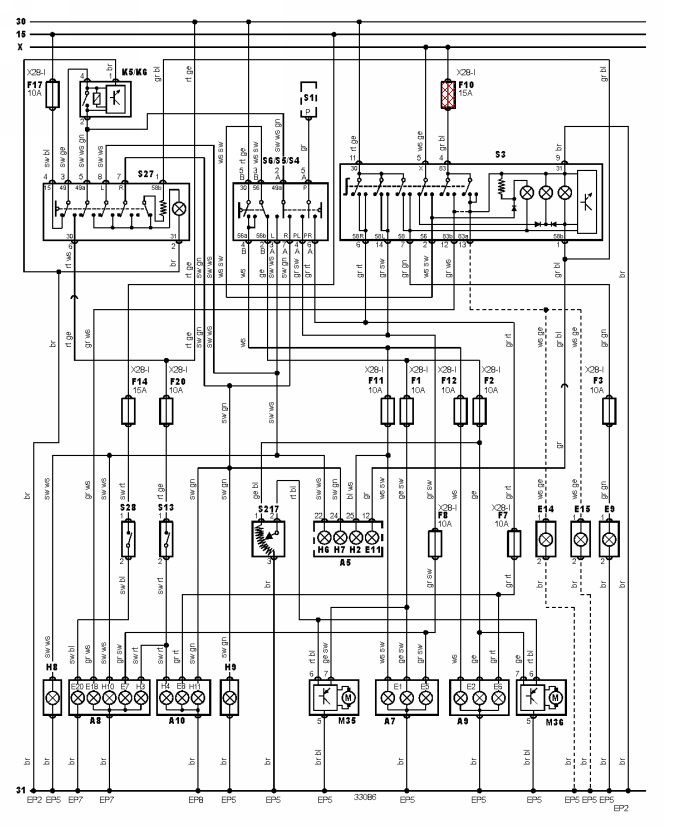
headlamp_switch.jpg



Върни се в “Polo, Lupo, Up & Fox”

Кой е на линия

Потребители, разглеждащи този форум: Няма регистрирани потребители и 30 госта