въпрос за бензинова помпа
въпрос за бензинова помпа
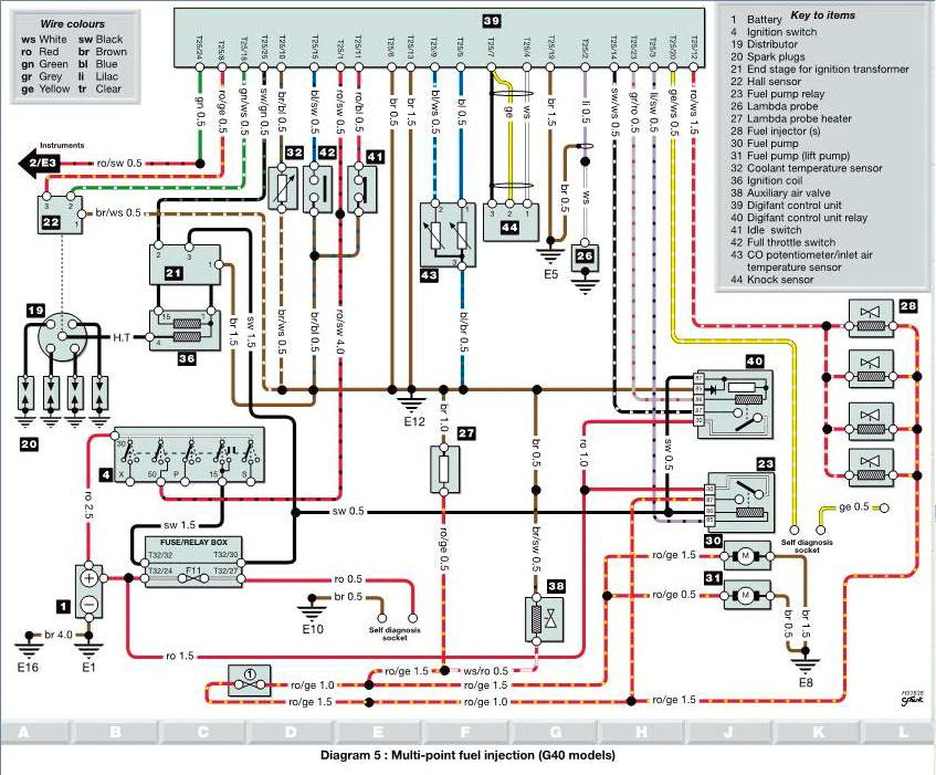
проблемът е следния до двате бензинови помпи не достига ток.връзвам помпите директно от акумулатора и си работят,но като ги свържа с буксите и дам на контакт не работят.какъв може да е проблема.благораря ви предварително.колата е поло 1.3 ГТ
- lrlmodo
- Мнения: 4356
- Регистриран на: Нед 26 ное 2006 19:51
- Автомобил: Zafira OPC
- Двигател: Z20LET
- Местоположение: София, Овча купел
Re: въпрос за бензинова помпа
Бушона е точно над бушониерата - плосък е.
Виж го може да е изгорял.
Виж го може да е изгорял.
- porko
- Мнения: 337
- Регистриран на: Съб 28 окт 2006 19:58
- Автомобил: VW POLO
- Двигател: AAU 1994
- Местоположение: Русе
Re: въпрос за бензинова помпа
Виж клемите на самите помпи.Освен това провери дали има напрежение на тях.Ако няма търси по протежение на кабелите.Можеш да провериш и накрайниците,на които се държи предпазителя(бушона).И провери да не са вързани на друг предпазител.
- Volkov
- Мнения: 1704
- Регистриран на: Нед 19 ное 2006 16:53
- Автомобил: Golf 3 20 Jahre
- Двигател: 2.0 16V ABF
- Местоположение: София
Re: въпрос за бензинова помпа
Кабелите от помпите преминават през един отвор през купето точно над тях под задната врата на багажника, левия заден ботуш, и влзиат под мокета(преди тва минават под задната лява кора), после покрай прага на шоферчето та до таблото!
Най-добре 1во провери с мултицед или нещо такова дали наистина има напрежение отзад при буксата, може клемите да са зацапани или другия вариянт ти е прекъснат кабел, за което написаното по-горе ще ти помогне!
Успех!
Най-добре 1во провери с мултицед или нещо такова дали наистина има напрежение отзад при буксата, може клемите да са зацапани или другия вариянт ти е прекъснат кабел, за което написаното по-горе ще ти помогне!
Успех!
- ANTOV_MS
- Мнения: 121
- Регистриран на: Пет 12 окт 2007 5:42
- Автомобил:
- Двигател:
- Местоположение: София
Re: въпрос за бензинова помпа
провери и дали се включват релетата и дали идва ток до тяхVolkov написа:Кабелите от помпите преминават през един отвор през купето точно над тях под задната врата на багажника, левия заден ботуш, и влзиат под мокета(преди тва минават под задната лява кора), после покрай прага на шоферчето та до таблото!
Най-добре 1во провери с мултицед или нещо такова дали наистина има напрежение отзад при буксата, може клемите да са зацапани или другия вариянт ти е прекъснат кабел, за което написаното по-горе ще ти помогне!
Успех!

- joro_g400
- Мнения: 659
- Регистриран на: Сря 17 яну 2007 20:36
- Автомобил:
- Двигател:
- Местоположение: София
- Контакти:
Re: въпрос за бензинова помпа
Реле време мисля че беше номер 16
Върни се в “Polo, Lupo, Up & Fox”
Кой е на линия
Потребители, разглеждащи този форум: Няма регистрирани потребители и 27 госта
