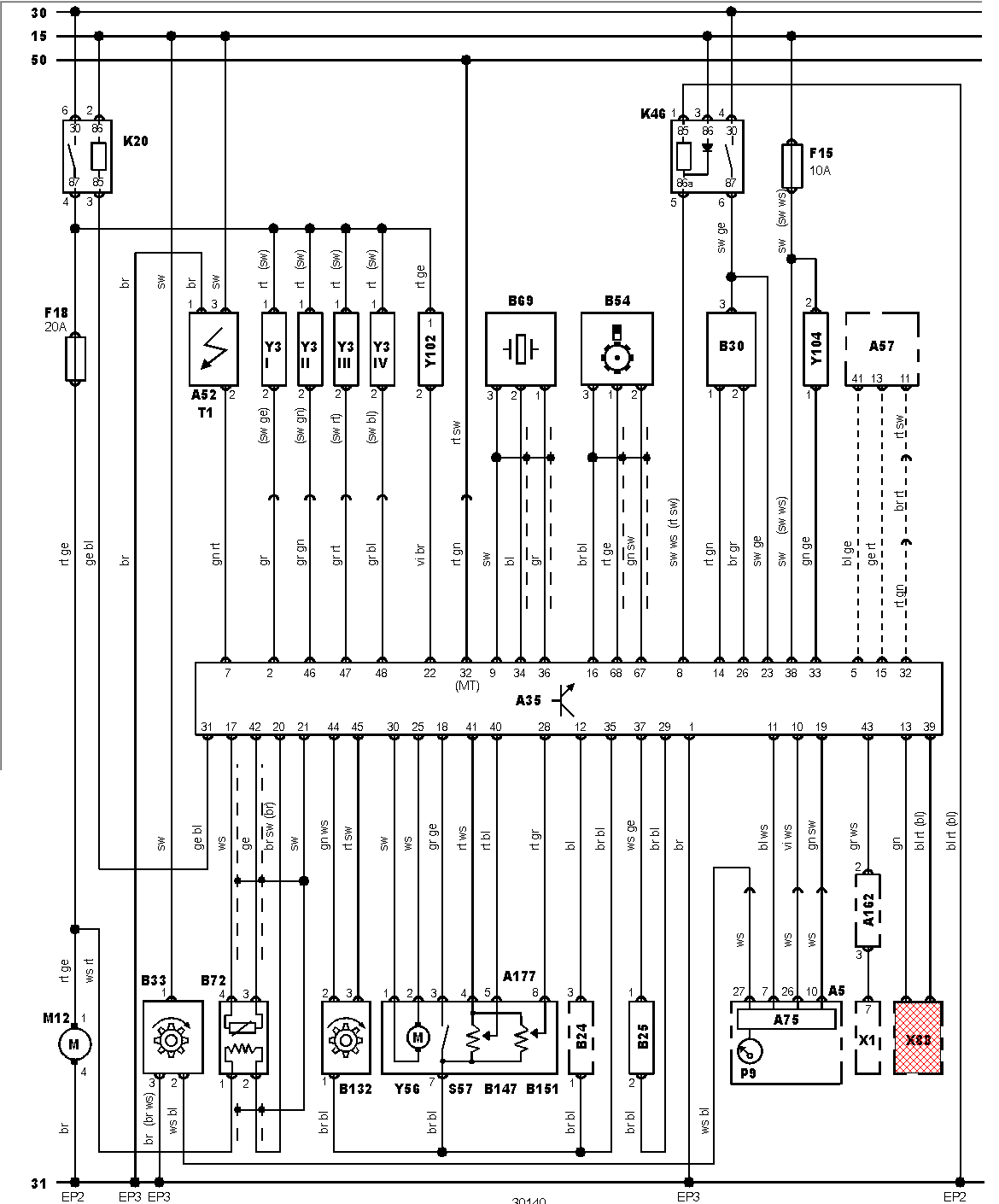
Имам Голф 3 2.0i 115кс 99г кабриолет ако има някакво значение. Колата се кара само на бензин и газ никога не е имала. Колата си вървеше нормално до преди няколко дни когато реших да я запаля и помпата не заработи , реших прибързано ,че е изгоряла помпата и купих чисто нова , днес я смених но помпата пак не заработи . Започнах да търся проблема на друго място , релетата и бушоните са наред но не идва никакъв ток до самата помпа дори и за секунда когато дам на контакт . Върти и не пали , на таблото лампите светват и нивомера си показва когато дам на контакт. Вече не звам къде да търся проблема .
Ще се радвам на малко помощ и съвети от ваша страна.
Колата няма аларма или имобилайзер.


