Темпомат на голф 3
Темпомат на голф 3
Колеги някои може ли да ме информира или да ми даде ел-схема как да си вържа темпомата на голф 3 причината е че бях в германия и тамот една морга си взех 2 темпомата ама само лостчета без буксата до таблото понататсчното му обучаване ми е ясно благодаря предварително
-
phantom_
- Мнения: 2205
- Регистриран на: Нед 25 сеп 2011 11:53
- Автомобил: VW passat+BMW X3+Honda St1300
- Двигател: avf+m47
- Местоположение: shabla
Re: Темпомат на голф 3
Исоилзвай Търсачката колега има много писано 

- ivchoto
- Мнения: 341
- Регистриран на: Сря 11 ное 2009 14:24
- Автомобил: SUBARU OUTBACK
- Двигател: 2000
- Местоположение: bg okolo plovdiv
Re: Темпомат на голф 3
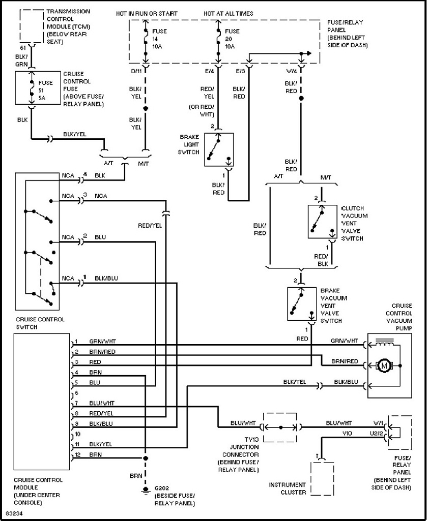
Ето ти ел. схема колега,но е за пасат В4.Предполагам няма да има разлика.
-
miroslavmirko
- Мнения: 2
- Регистриран на: Вто 26 яну 2010 16:59
- Автомобил:
- Двигател:
- Местоположение: silistra
Re: Темпомат на голф 3
ако са два автопилота продай ми единия. GSM: 0896826827
Върни се в “Автоелектроника и автодиагностика”
Кой е на линия
Потребители, разглеждащи този форум: ceco160 и 36 госта