Привет колеги.
Извинявам се ако има тема за това но прегледах само 5,6 страници...
Та минах одеве през един ужасен дъж и градушка и спря да духа парното....едвам се прибрах...постоянно търках предното стъкло.
Какво може да е ...преглегах бушоните, ма са си ОК.
Докато валеше и се движехме протече вода в краката на жена ми на пасажерската седалка до мен....Да не би да се е намокрило нещо там....и от куде се взе тая вода..
Колата ,като чета другите теми, си мисля че е с климатроник....от 3 месеца я имам и не и разбирам много...Има дисплей и копчета.
До сега беше така ...като я запаля мига дисплея от начало и после си показваше всичко нормално...и като натискам копчетата с перките си се увеличаваше да духа....а сега...не духа нищо ...инче се показват чертичките....
Сменях компресора на климатика че дрънчеше шайбата и не съм пълнил още системата с фреон.
Също така мирише страшно много на антифриз когата пусна парното....ма това четах че ще трябва да свалям таблото за радиаторче или уплътнения.
Галакси 1.9 тди AHU спря да духа парното
- kris11
- VW експерт

- Мнения: 13570
- Регистриран на: Нед 06 фев 2005 23:04
- Автомобил: VW Sharan 7M8
- Двигател: ADY_DBU_LPG LANDIRENZO OMEGAS
- Местоположение: Варна
- Контакти:
Re: Галакси 1.9 тди AHU спря да духа парното
[quote="viktoris"]Привет колеги.
протече вода в краката на жена ми на пасажерската седалка до мен..
- @най-вероятно е намокрен вентилатора или червеното блоче /инт.схема за управление на двигателя на вентилатора. По-лошото е , ако е изпукал инт.схема в самия блок на климатроника.
Провери и отпуши отвора за оттичне на водата в дясно под предното стъкло,пред ф-ра за купето
-мисля че е с климатроник...Има дисплей и копчета.
@ да с климатроник е
- като я запаля мига дисплея от начало - мига защото има грешка.
- Също така мирише страшно много на антифриз когата пусна парното -
ами честито -смяна на радиаторче за парното., но трябва да се омазнява и передното стъкло и да има теч и долу в краката - за дължително провери и , ако има теч откачи тръбите към радиаторчето в двигателния отсек.При теч има поражения в многослойната "печатна платка с въздушна изолация в/у ,която са закачени релетата и предпазителите.
Оправи си профила с година на п-во на вана ЗУтре ще питаш за нещо, а има разлика в таблата с предпазителите и опроводяването .
протече вода в краката на жена ми на пасажерската седалка до мен..
- @най-вероятно е намокрен вентилатора или червеното блоче /инт.схема за управление на двигателя на вентилатора. По-лошото е , ако е изпукал инт.схема в самия блок на климатроника.
Провери и отпуши отвора за оттичне на водата в дясно под предното стъкло,пред ф-ра за купето
-мисля че е с климатроник...Има дисплей и копчета.
@ да с климатроник е
- като я запаля мига дисплея от начало - мига защото има грешка.
- Също така мирише страшно много на антифриз когата пусна парното -
ами честито -смяна на радиаторче за парното., но трябва да се омазнява и передното стъкло и да има теч и долу в краката - за дължително провери и , ако има теч откачи тръбите към радиаторчето в двигателния отсек.При теч има поражения в многослойната "печатна платка с въздушна изолация в/у ,която са закачени релетата и предпазителите.
Оправи си профила с година на п-во на вана ЗУтре ще питаш за нещо, а има разлика в таблата с предпазителите и опроводяването .
- viktoris
- Мнения: 500
- Регистриран на: Пон 10 ное 2008 0:54
- Автомобил: Passat 98 AFN Galaxy AHU 97
- Двигател:
- Местоположение: Монтана
Re: Галакси 1.9 тди AHU спря да духа парното
Благодаря колега.
Значи проверих под стаклото и беше пълно до горе с вода....която е влизала през филтъра в купето и моторчето.
Изчистих двете дупки в двата края за да изтече водата.
Поразглобих под жапката да видя какво става там и подадах на вентилатора ток директно от акомулатора и си работише.
После почнах да търся предпазитела за моторчето че снощи беше тъмно и го намерих най отгоре на платката с релетата и бушоните...
....от там трябваше да почна....та той беше изгорял...смених го и тръгна вентилатора...
Предното стъкло се поти и мирише на антифриз много, но течове не съм забелязал ....дори антифриза не намалява в разширителния съд....Явно много малко капе още....Ще свалям таблото в най скоро време да го оправям....не се диша вътре в колата...
Значи проверих под стаклото и беше пълно до горе с вода....която е влизала през филтъра в купето и моторчето.
Изчистих двете дупки в двата края за да изтече водата.
Поразглобих под жапката да видя какво става там и подадах на вентилатора ток директно от акомулатора и си работише.
После почнах да търся предпазитела за моторчето че снощи беше тъмно и го намерих най отгоре на платката с релетата и бушоните...
Предното стъкло се поти и мирише на антифриз много, но течове не съм забелязал ....дори антифриза не намалява в разширителния съд....Явно много малко капе още....Ще свалям таблото в най скоро време да го оправям....не се диша вътре в колата...
- kris11
- VW експерт

- Мнения: 13570
- Регистриран на: Нед 06 фев 2005 23:04
- Автомобил: VW Sharan 7M8
- Двигател: ADY_DBU_LPG LANDIRENZO OMEGAS
- Местоположение: Варна
- Контакти:
Re: Галакси 1.9 тди AHU спря да духа парното
1997 г е възлова година за Шаран/Алхамбра,. За Галакси не знам , но може би и там -понеже са на една база.
Има промяна в ел нисталацията и се делят на до 08.1997 г и след 09.1997 г. Най- нагледно е с 2 та различни вида табла на предпазителите / след 09. 1 ред вертикално разположени малки предпазители и долу хоризонтални по-голям габарит. Сменено е и мястото на т.н. комфорт модул от под краката напред дълбоко под волана.
Не бързай със сваляне на таблото, щом не губиш антифриз. Първо си провери дренажния отвор дали е проходим / за климатика/ .Има достъп на канал отдолу. Ако е задръстен и е застояла вода от конденза - оттам и миризмата.
Провери си и маркучите за антифриза дали санадути / гарнитурана главата -оттам раздиаторче/.
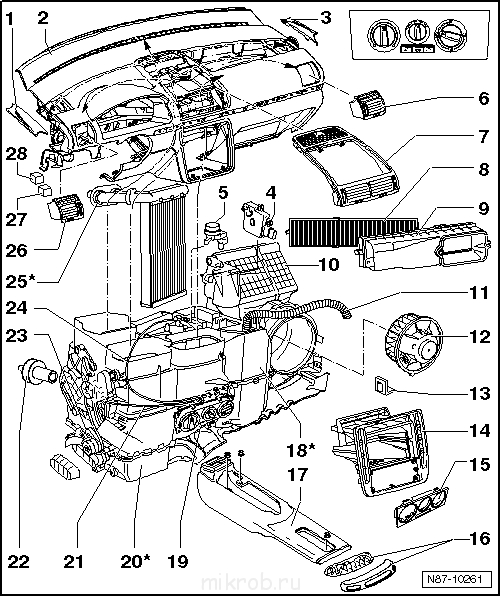
2-ра картинка - общ вид на разположение на елементите под таблотто
А сега 1 валидолче преди поглеждане на следващата картинка
1-ва картинка - за подмяна на радиаторче
Зада се свали таблото се разглобява и в двигателния отсек. Има поне 2 винта в двигателния.
Руснаците имат 1 поговорка - Който е разглобявал табло на Шаран и сие - той в цирка не се смее.
Има промяна в ел нисталацията и се делят на до 08.1997 г и след 09.1997 г. Най- нагледно е с 2 та различни вида табла на предпазителите / след 09. 1 ред вертикално разположени малки предпазители и долу хоризонтални по-голям габарит. Сменено е и мястото на т.н. комфорт модул от под краката напред дълбоко под волана.
Не бързай със сваляне на таблото, щом не губиш антифриз. Първо си провери дренажния отвор дали е проходим / за климатика/ .Има достъп на канал отдолу. Ако е задръстен и е застояла вода от конденза - оттам и миризмата.
Провери си и маркучите за антифриза дали санадути / гарнитурана главата -оттам раздиаторче/.
2-ра картинка - общ вид на разположение на елементите под таблотто
А сега 1 валидолче преди поглеждане на следващата картинка
1-ва картинка - за подмяна на радиаторче
Зада се свали таблото се разглобява и в двигателния отсек. Има поне 2 винта в двигателния.
Руснаците имат 1 поговорка - Който е разглобявал табло на Шаран и сие - той в цирка не се смее.- viktoris
- Мнения: 500
- Регистриран на: Пон 10 ное 2008 0:54
- Автомобил: Passat 98 AFN Galaxy AHU 97
- Двигател:
- Местоположение: Монтана
Re: Галакси 1.9 тди AHU спря да духа парното
Маркучите не ми ги надува повече от нормалното....или поне така ми се струва.
А къде точно да търся конденза на климатика дето е отдолу да го почистя
А къде точно да търся конденза на климатика дето е отдолу да го почистя
- kris11
- VW експерт

- Мнения: 13570
- Регистриран на: Нед 06 фев 2005 23:04
- Автомобил: VW Sharan 7M8
- Двигател: ADY_DBU_LPG LANDIRENZO OMEGAS
- Местоположение: Варна
- Контакти:
Re: Галакси 1.9 тди AHU спря да духа парното
свали кората и ще го видиш в средата
- bobitur
- Мнения: 1172
- Регистриран на: Съб 02 юни 2007 17:26
- Автомобил: ford galaxy 1.9 tdi 90+chip
- Двигател: 1Z
- Местоположение: Пловдив
Re: Галакси 1.9 тди AHU спря да духа парното
При мен имаше мининален теч на антифриз от снадката преди радиатора на купето и с добавка се нормализира. Пробвай с добавка ако е минимален ще го спре. Чистете редовно отворите под чистачките от там шарана се наводнява.
- viktoris
- Мнения: 500
- Регистриран на: Пон 10 ное 2008 0:54
- Автомобил: Passat 98 AFN Galaxy AHU 97
- Двигател:
- Местоположение: Монтана
Re: Галакси 1.9 тди AHU спря да духа парното
Не мога да го намеря
....кората е свалена.....
Нещо като мъркуч ли трябва да е....или тръбичка.
И в коя част точно в средата...отдолу под купето или зад двигателя по скоро...или пред него....
Каква добавка колега...би ли ми препоръчал някоя.
Нещо като мъркуч ли трябва да е....или тръбичка.
И в коя част точно в средата...отдолу под купето или зад двигателя по скоро...или пред него....
Каква добавка колега...би ли ми препоръчал някоя.
- kris11
- VW експерт

- Мнения: 13570
- Регистриран на: Нед 06 фев 2005 23:04
- Автомобил: VW Sharan 7M8
- Двигател: ADY_DBU_LPG LANDIRENZO OMEGAS
- Местоположение: Варна
- Контакти:
Re: Галакси 1.9 тди AHU спря да духа парното
близо и под ТРВ то.
- bobitur
- Мнения: 1172
- Регистриран на: Съб 02 юни 2007 17:26
- Автомобил: ford galaxy 1.9 tdi 90+chip
- Двигател: 1Z
- Местоположение: Пловдив
Re: Галакси 1.9 тди AHU спря да духа парното
Лъки моли стоп. Снадката е вътре в таблото и има 2 о пръстена бях постнал снимки, на други мнения на колеги. Реших да пробвам с добавка първо и не сгреших. Течеше си сериозно в краката на пасажера. Особено лятото след пуснат климатик. Сигурно прекомерното охлаждане на радиатора в купето и от там по студения антифриз избива.
- kris11
- VW експерт

- Мнения: 13570
- Регистриран на: Нед 06 фев 2005 23:04
- Автомобил: VW Sharan 7M8
- Двигател: ADY_DBU_LPG LANDIRENZO OMEGAS
- Местоположение: Варна
- Контакти:
Re: Галакси 1.9 тди AHU спря да духа парното
bobitur - ти си в/у тлеещ огън. Не се знае кога ще се разпаднат окончателно О пръстените от ЕГН и тогава лейка.Но пък си пра,че не си заслужава гърча със сваляне на табло тапицерията .
Пред мен съм смъкнал корите и съм в 4 мислие ? да правя. Дали д разфасовам таблото с предпазителите и релетата или да си пусна 1 +сче към куплунзите отзад в ляво. Губи ми се +са ,предпазителя е здрав.Проводника съм го локализирал до коляното на левия микрак - оттам нагоре е мъкааааа
Пред мен съм смъкнал корите и съм в 4 мислие ? да правя. Дали д разфасовам таблото с предпазителите и релетата или да си пусна 1 +сче към куплунзите отзад в ляво. Губи ми се +са ,предпазителя е здрав.Проводника съм го локализирал до коляното на левия микрак - оттам нагоре е мъкааааа

- bobitur
- Мнения: 1172
- Регистриран на: Съб 02 юни 2007 17:26
- Автомобил: ford galaxy 1.9 tdi 90+chip
- Двигател: 1Z
- Местоположение: Пловдив
Re: Галакси 1.9 тди AHU спря да духа парното
За сега няма загуба на антифриз и парното все още не е запушено. Но и да се запуше ще мисля за процедурата по сваляне на таблото. Ако е малък тече нищо не се губи да се пробва с добавка.
- viktoris
- Мнения: 500
- Регистриран на: Пон 10 ное 2008 0:54
- Автомобил: Passat 98 AFN Galaxy AHU 97
- Двигател:
- Местоположение: Монтана
Re: Галакси 1.9 тди AHU спря да духа парното
Сложих и аз добавка на лики моли но не помогна
.....Продължава да си мирише вътре....и да не губя антифриз....или поне не някакво голямо количество ...може би за 2 месеца да е паднало от максимума до средата...
Намерих къде е тръбата за конденза като пуснах климатика ...и от нея си тече доволно конденз като работи....значи не е запушена
И другото....изчистих дупките под чистачките и сега не събира капка вода там....и въпреки това в един от големите дъждове в петък пак се напълни с вода в долу в краката на пасажерското място
Намерих къде е тръбата за конденза като пуснах климатика ...и от нея си тече доволно конденз като работи....значи не е запушена
И другото....изчистих дупките под чистачките и сега не събира капка вода там....и въпреки това в един от големите дъждове в петък пак се напълни с вода в долу в краката на пасажерското място
- bobitur
- Мнения: 1172
- Регистриран на: Съб 02 юни 2007 17:26
- Автомобил: ford galaxy 1.9 tdi 90+chip
- Двигател: 1Z
- Местоположение: Пловдив
Re: Галакси 1.9 тди AHU спря да духа парното
Изчакай щом не губи антифриз и не тече. Антифриза бавно се изпарява. Месеци минаха докато ми се изчисти стъклото от мазни петна около въздуховодите. Редовно си чистих стъклата и сега няма миризма на антифриз.
Върни се в “Sharan, Touran & Caddy”
Кой е на линия
Потребители, разглеждащи този форум: Няма регистрирани потребители и 42 госта