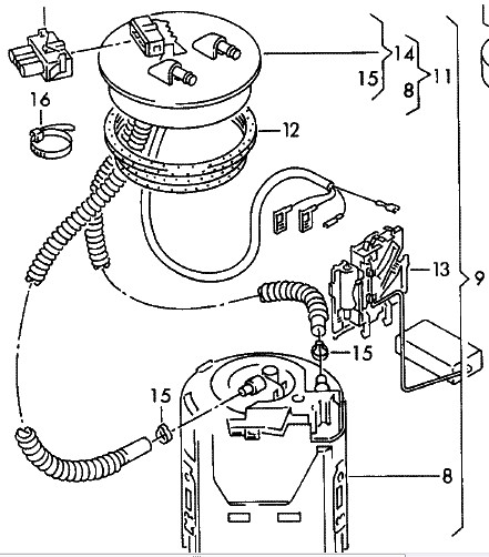
взех си едно бусче Т4 каравел синхро бензин но му е заминала помпата
трябва ли да свалям резервоара за да я сменя или има и друг чалъм през някоя дупка?



rough написа:леле....каде ли не се завирах под седалките ама при ръчната кой да погледне
спести ми сваляне на резервоара

rough написа:леле....каде ли не се завирах под седалките ама при ръчната кой да погледне
спести ми сваляне на резервоара![]()
каква ли щеше да ми е физионоията ако го бях свалил и да вида капака отдолу![]()


galyaradeva написа:Щеше да поздравяваш нечия майка до девето коляно и обратно.
Потребители, разглеждащи този форум: Няма регистрирани потребители и 23 госта