Ето тази схема много ми харесва и мога да си я направя сам.
http://peterallex.snimka.bg/automobiles/vw-razni-ustroyistva.460510
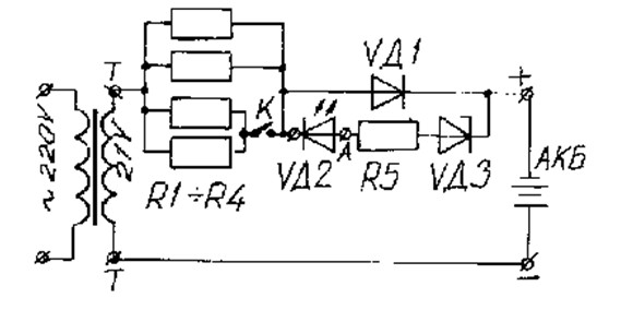
Твърди се, че е Зарядно за 12V, 7,2A – обаче частите са с неизвестни данни!!!
Моля някой от специалистите да даде акъл Кое Какво да бъде с цел заряд на оловен акумулатор за лек автомобил. И като какъв ток излиза на изводите за акумулатора (прав,импулсен,реверсивен,колко волта…в тоя смисъл)? И може ли с него да се зарежда акумулатор с по-малък капацитет? – например 60Ah – предполагам затова са направени многото резистори.
Разполагам с много мощен траф (от електрожен) с напрежение на вторичната намотка 25V (има и 37,5V). ОБАЧЕ как да намаля напрежението до 14-15 волта?
R1-R4, и R5 – също, колко ватови да бъдат и с какво съпротивление? R1-R4 може ли да е реостат, направен от кантал?
VD1 колко мощен (в ампери и волтове) да бъде? Разполагам с SFR 135, КД202М, BUW31, BUV21 и Д226Д.
За VD3 – имам само два ценера – КС168А и Д814А.
Светодиода VD3 за колко волта трябва да е?
Предварителни ГОЛЕМИ БЛАГОДАРНОСТИ!
Ето пак линка на схемата, че незнам как да го направя като активна хипервръзка.
http://peterallex.snimka.bg/automobiles ... tva.460510
Схема на Зарядно за акумулатор
Правила на форума
Натисни тук за да прочетеш Правилата на форума
Натисни тук за да прочетеш Правилата на форума
- peterallex
- Мнения: 13
- Регистриран на: Пет 27 ное 2009 14:30
- Автомобил:
- Двигател:
- Местоположение: Враца
Схема на Зарядно за акумулатор
- Прикачени файлове
- ZZ_TOP
- Мнения: 202
- Регистриран на: Пет 22 юни 2007 18:57
- Автомобил:
- Двигател:
- Местоположение: Стара Загора
- Контакти:
Re: Схема на Зарядно за акумулатор
колега несе занимаваи с глупости отиди в някои магазин и си купи и нов или на някои пазар за коли 2-ра ръка имаги за по 20-30 кинта и си спестяваш времето
ама ти си знаеш наи-добре
- vw_golf_4_tdi
- Мнения: 1647
- Регистриран на: Чет 09 юли 2009 23:31
- Автомобил:
- Двигател:
- Местоположение: Varna
- Контакти:
Re: Схема на Зарядно за акумулатор
peterallex написа:Ето тази схема много ми харесва и мога да си я направя сам.
http://peterallex.snimka.bg/automobiles/vw-razni-ustroyistva.460510
Твърди се, че е Зарядно за 12V, 7,2A – обаче частите са с неизвестни данни!!!
Моля някой от специалистите да даде акъл Кое Какво да бъде с цел заряд на оловен акумулатор за лек автомобил. И като какъв ток излиза на изводите за акумулатора (прав,импулсен,реверсивен,колко волта…в тоя смисъл)? И може ли с него да се зарежда акумулатор с по-малък капацитет? – например 60Ah – предполагам затова са направени многото резистори.
Разполагам с много мощен траф (от електрожен) с напрежение на вторичната намотка 25V (има и 37,5V). ОБАЧЕ как да намаля напрежението до 14-15 волта?
R1-R4, и R5 – също, колко ватови да бъдат и с какво съпротивление? R1-R4 може ли да е реостат, направен от кантал?
VD1 колко мощен (в ампери и волтове) да бъде? Разполагам с SFR 135, КД202М, BUW31, BUV21 и Д226Д.
За VD3 – имам само два ценера – КС168А и Д814А.
Светодиода VD3 за колко волта трябва да е?
Предварителни ГОЛЕМИ БЛАГОДАРНОСТИ!
Ето пак линка на схемата, че незнам как да го направя като активна хипервръзка.
http://peterallex.snimka.bg/automobiles ... tva.460510
така като гледам схемата тоя клуч би трябвало като се прекъсне да ти подава 12 волта, като е включен да подава по - слаб ток, тъйкато тока протича през 4те резистора.
ценер диодите са ти за изправяне на напрежението, както знаеш транформатора работи на променлив ток.
вече за параметрите на съпротивленията питай ел. техник ( не че не може да си ги сметнеш по закона на ОМ)
Re: Схема на Зарядно за акумулатор
Да не те разочаровам ама с тая дупотопна схема ми се струва много неефективно. Особено като видях тези токоограничителни резистори направо без коментар. Ако ти се занимава ей така за спорта мога да ти дам моята схема, елементите ми излезнаха на 10 лв, като най скъпите бяха 2 бр тиристори.
- Bobcho_82
- Мнения: 460
- Регистриран на: Вто 17 юли 2007 20:04
- Автомобил: Golf 2
- Двигател: GU+
- Местоположение: София
Re: Схема на Зарядно за акумулатор
Заповядай колега всичко е написно тук http://hobby.neomontana-bg.com/kit31.htm
Тази схема е за поддръжка на акумулатора например сега в студените дни. Ако акумулатора е стар и му е трудно първото завъртане сутрин но не очаквай чудеса.
Тази схема е за поддръжка на акумулатора например сега в студените дни. Ако акумулатора е стар и му е трудно първото завъртане сутрин но не очаквай чудеса.
- peterallex
- Мнения: 13
- Регистриран на: Пет 27 ное 2009 14:30
- Автомобил:
- Двигател:
- Местоположение: Враца
Re: Схема на Зарядно за акумулатор
Колегата BOBCHO направо ме разби... ЕВАЛА БРАТКО, ГОЛЯМО ЕВАЛА...
ТОЧНО ТОВА МИ ТРЯБВАШЕ!
Да си поддържам Аку-то в "бойна готовност", че аз колата не я карам често през зимата и ... аку-то отива на кино.
Частите ги имам, и започвам сглобката...
Налага ми се да си го правя това нещо, защото първо - навсякъде разни китайски ментета и при това искат за тях 45-50 лв. Гледам го аз едно вчера - пълна измишльотина и му искат 48,54лв... И БЕШЕ СТРОШЕНО (на скришно място)...
Даже и гаранция нямаше - гаранцията била само "до вратата" „до изхода"... а ние ядеме доматите с колците...
Второ - беднотия, братя, нямам излишни пари... а пък имам частите...И ентусиазъм като за Световно!
И трето - пак ще си поначеша крастата от детството, когато си сглобявахме разни транзисторчета...
Е-е-е! Bobcho - ЗЛАТЕН СИ!
Пък докато се ровех из сайтовете - набарах много и разни схеми на Зарядни у-ства, за всякакви нужди и акумулатори и за всякакви джобове... Ако някой го интересува - ше ги пусна линковете в следващ мой пост - така де, да ги имаме и ние - автомобилистите... тук
Айде да ни е ЧЕСТИТА НОВАТА 2010 ГОДИНА!!!
ТОЧНО ТОВА МИ ТРЯБВАШЕ!
Да си поддържам Аку-то в "бойна готовност", че аз колата не я карам често през зимата и ... аку-то отива на кино.
Частите ги имам, и започвам сглобката...
Налага ми се да си го правя това нещо, защото първо - навсякъде разни китайски ментета и при това искат за тях 45-50 лв. Гледам го аз едно вчера - пълна измишльотина и му искат 48,54лв... И БЕШЕ СТРОШЕНО (на скришно място)...
Даже и гаранция нямаше - гаранцията била само "до вратата" „до изхода"... а ние ядеме доматите с колците...
Второ - беднотия, братя, нямам излишни пари... а пък имам частите...И ентусиазъм като за Световно!
И трето - пак ще си поначеша крастата от детството, когато си сглобявахме разни транзисторчета...
Е-е-е! Bobcho - ЗЛАТЕН СИ!
Пък докато се ровех из сайтовете - набарах много и разни схеми на Зарядни у-ства, за всякакви нужди и акумулатори и за всякакви джобове... Ако някой го интересува - ше ги пусна линковете в следващ мой пост - така де, да ги имаме и ние - автомобилистите... тук
Айде да ни е ЧЕСТИТА НОВАТА 2010 ГОДИНА!!!
- vrangel
- Мнения: 82
- Регистриран на: Съб 18 ное 2006 12:45
- Автомобил: vw golf3
- Двигател: ABU
- Местоположение: Чирпан
Re: Схема на Зарядно за акумулатор
Абе пич що се занимаваш с глупости това няма да ти свърши никаква работа, най-добре иди си купи едно свясно зарядно има ги от 25лв нагоре.Пък ако ти се дават 100 лева ще те уредя с професионално с което можеш да си зареждаш и акумолатора на трактора на село.С тази схема ако ти падне акумолатора и цяла седмица да го държиш пак няма да се зареди.Като неразбираш нищо що пишеш тук да се излагаш.Незнам откъде си я свалил но с това единствено можеш да си зареждаш алкалните батерий за фотоапарата.И накрая това не е пълната схема има и тиристор.
- fox_vt
- Мнения: 2788
- Регистриран на: Съб 22 мар 2008 18:22
- Автомобил: Seat Toledo
- Двигател: AHU 97
- Местоположение: Велико Търново
Re: Схема на Зарядно за акумулатор
vrangel написа:Абе пич що се занимаваш с глупости това няма да ти свърши никаква работа, най-добре иди си купи едно свясно зарядно има ги от 25лв нагоре.Пък ако ти се дават 100 лева ще те уредя с професионално с което можеш да си зареждаш и акумолатора на трактора на село.С тази схема ако ти падне акумолатора и цяла седмица да го държиш пак няма да се зареди.Като неразбираш нищо що пишеш тук да се излагаш.Незнам откъде си я свалил но с това единствено можеш да си зареждаш алкалните батерий за фотоапарата.И накрая това не е пълната схема има и тиристор.
Ти отвори ли линка който колегата по нагоре е дал?Това не е зарядно а устройство за дозареждане-пуска много малък ток 50мА който пази акумулатора от саморазреждане ако не го ползваш-разбирай свалил си го или не си караш колата един месец
-
georgi70
- Мнения: 100
- Регистриран на: Пет 05 юни 2009 22:22
- Автомобил:
- Двигател:
- Местоположение: Харманли
Re: Схема на Зарядно за акумулатор
http://www.dobrikit.dir.bg/page76.htm ей това ти трябва за трафа плюс четери диода и ампериметър не ти трябват никакви допълнителни схеми.
- fox_vt
- Мнения: 2788
- Регистриран на: Съб 22 мар 2008 18:22
- Автомобил: Seat Toledo
- Двигател: AHU 97
- Местоположение: Велико Търново
Re: Схема на Зарядно за акумулатор
georgi70 написа:http://www.dobrikit.dir.bg/page76.htm ей това ти трябва за трафа плюс четери диода и ампериметър не ти трябват никакви допълнителни схеми.
Я някой от спецовете по елтрониките да кажат въпросния регулатор на какъв принцип работи и как ограничава тока и напрежението.Нещо ме е гъдел за електронните варианти на зарядните за АКУ то-ако нещо недай си боже стане с работния елемент независимо какъв ще бъде и рече да пробие и да изплющи 220 волта пулсиращ ток към АКУ то
не ща да съм наблизо.Май по сигурно от стария и изпитан траф нема 
- pas1.8mi
- Мнения: 5208
- Регистриран на: Нед 10 окт 2004 14:08
- Автомобил: Passat B5
- Двигател: 1.8T AEB 1999
- Местоположение: София,Плевен
Re: Схема на Зарядно за акумулатор
Принципа е Фазово регулиране на напрежението!Както и сам виждаш е галванично свързан към захранващата мрежа!Приложението на Китчето е за съвсем други цели!
Явно Колегата разчита чрез промяна на входното напрежение на трафа да контролира тока на заряд постоянно! 
- zdravko555
- Мнения: 642
- Регистриран на: Вто 06 май 2008 17:39
- Автомобил:
- Двигател:
- Местоположение: София/Видин
Re: Схема на Зарядно за акумулатор
тва
може и да стане с него, но свързано в първичната верига на трафа.
пп. немога да разбера защо хората се нахвърлят на някакви сложни електронни схеми, безпорно има и добри проф уреди за целта, но за т.н. обикновен потребител не му е нужно свърх зарядно.
за зареждане за лично съм си намерил подходящ траф + четири диода и опционално един ампер метър, които се оказа излишен.
тънкият и важен момент е избора на трафа, трудно се намира но с късмет или поръчков. на мен ми попадна случайно един руски двунамотков на празен ход вади 16-17В. няма табелка, не го знам какъв е но се оказа точно за целта, под товар директно вързан към акумулатора даваше (не помня точно но не беше над 5А) при напрежение 13 и нещо волта, като се позареди акумулатора се покачи на 14 и нещо.
Абе супер като по каталог, баш
Мисълта ми беше ако се подбере точно трафа няма нужда от нищо повече, е засичаш си колко часа се зарежда и така. Ако искам токоограничение връзвам една халогенна лампа 55Вт и тока пада на точно 2А.

може и да стане с него, но свързано в първичната верига на трафа.пп. немога да разбера защо хората се нахвърлят на някакви сложни електронни схеми, безпорно има и добри проф уреди за целта, но за т.н. обикновен потребител не му е нужно свърх зарядно.
за зареждане за лично съм си намерил подходящ траф + четири диода и опционално един ампер метър, които се оказа излишен.
тънкият и важен момент е избора на трафа, трудно се намира но с късмет или поръчков. на мен ми попадна случайно един руски двунамотков на празен ход вади 16-17В. няма табелка, не го знам какъв е но се оказа точно за целта, под товар директно вързан към акумулатора даваше (не помня точно но не беше над 5А) при напрежение 13 и нещо волта, като се позареди акумулатора се покачи на 14 и нещо.
Абе супер като по каталог, баш
Мисълта ми беше ако се подбере точно трафа няма нужда от нищо повече, е засичаш си колко часа се зарежда и така. Ако искам токоограничение връзвам една халогенна лампа 55Вт и тока пада на точно 2А.

-
georgi70
- Мнения: 100
- Регистриран на: Пет 05 юни 2009 22:22
- Автомобил:
- Двигател:
- Местоположение: Харманли
Re: Схема на Зарядно за акумулатор
никога не съм си мислел дирекно с това да зареждам акумолатор ,слага се на първичната на трафа и си реголираш колкото си искаш, моето зарядно е направено така даже най мошния въриянт го пробвах на електрожена .Става по малки двигатели на променлив ток като вентилатори и други.
Последна промяна от georgi70 на Пет 19 фев 2010 0:08, променено общо 1 път.
- fox_vt
- Мнения: 2788
- Регистриран на: Съб 22 мар 2008 18:22
- Автомобил: Seat Toledo
- Двигател: AHU 97
- Местоположение: Велико Търново
Re: Схема на Зарядно за акумулатор
georgi70 написа:никога не съм си мислел дирекно с това да зареждам акумолатор ,слага се на първичната на трафа и си реголираш колкото си искаш, моето зарядно е направено така даже най мошния въриянт го пробвах на електрожена .
Това вече е друго нещо колега

- Dobromirski
- Мнения: 1582
- Регистриран на: Нед 31 дек 2006 10:12
- Автомобил: Seat Leon
- Двигател: ARL 150+ hp
- Местоположение: Плевен
- Контакти:
Re: Схема на Зарядно за акумулатор
georgi70 написа:никога не съм си мислел дирекно с това да зареждам акумолатор ,слага се на първичната на трафа и си реголираш колкото си искаш, моето зарядно е направено така даже най мошния въриянт го пробвах на електрожена .Става по малки двигатели на променлив ток като вентилатори и други.
Завари ли се симистора ?
шегувам се . Що се отнася до двигателите, с тоз регулатор КПД-то спада РЯЗКО, за сметка на температурата която се ПОВИШАВА рязко. Асинхронен двигател, само с честотно фазов регулатор.
]Аз на мойто импулсното зарядно от луничките му турих ей това http://www.dobrikit.dir.bg/page16.htm , като на мястото на последният диод през PNP транзисторче управлявам едно реле. Общият контакт е към + на зарядното, NC контакт е към акумулатора , а NO е към бубината на релето (колектора на транзисторчето , емитера е на +), а другият край на бубинката е към маса. По този начин, веднъж щракне ли и се самоблокира. С тримера настройваш последният диод да светне при 15,4 V. Така за 5 лева имаш хем индикатор колко се е заредил акумолатора, хем автоматично спиране на зареждането
ПП: Паралелно на NC контакт, си подбираш един резистор, който да подсигори около 200mA заряден ток, след като изключи релето
Кой е на линия
Потребители, разглеждащи този форум: Няма регистрирани потребители и 87 госта
