схема на USB кабел Pioneer DEH 50UB
- ivan_nenchev
- Мнения: 132
- Регистриран на: Нед 22 ное 2009 0:22
- Автомобил: Pasat B4
- Двигател: 1Z 1994
- Местоположение: Карлово
схема на USB кабел Pioneer DEH 50UB
здр колеги изпадна ми въпросното сд на интересна цена въпроса е че му няма усб кабела които на дали ще намеря да си го купя от някаде отзат както се вижда на снимката има 5 крачета букса ще му измисля не е проблем имам усб кабел въпроса ми е кое към кое краче трябва да свържа . Много ще съм благодарен ако някой ми помогне или с направата на кабел или да знам от къде мога да намеря готов кабел благодаря предварително
- Winner25
- Мнения: 7339
- Регистриран на: Пон 14 мар 2005 15:33
- Автомобил: VW Passat B4 B6
- Двигател: ABS BKC
- Местоположение: Казанлък
Re: схема на усб кабел пайнер дех 50 уб
Аз имам deh 5000 и usb кабела флиза вътре и на самата платка има една широка плоска букса. Това отзад което виждаш мисля че е за changer.
Махни долния капак и виж дали няма остатъци от кабел.
Махни долния капак и виж дали няма остатъци от кабел.
- ivan_nenchev
- Мнения: 132
- Регистриран на: Нед 22 ное 2009 0:22
- Автомобил: Pasat B4
- Двигател: 1Z 1994
- Местоположение: Карлово
Re: схема на усб кабел пайнер дех 50 уб
аа на тва кабела е на букса отзат несъм сигурен тази ли е но съм сигурен че кабела е на букса слагал съм си такова на колата и се махаше без да се сваля капака тва несъм го взел още че ако не намеря решение с кабела няма и да го взема
Re: схема на усб кабел пайнер дех 50 уб
Ето такъв кабел ти трябва
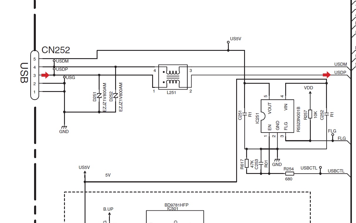
това е схемата на УСВ
провери в оторизираните сервизи на пайнер
това е схемата на УСВ
провери в оторизираните сервизи на пайнер
- radi_nrj
- Мнения: 9331
- Регистриран на: Вто 20 ное 2007 16:06
- Автомобил: Audi A6 C4 Quattro Golf 4 TDI
- Двигател: AEL ALH
- Местоположение: София
Re: схема на усб кабел пайнер дех 50 уб
Дам, кабела не се предлага отделно, но мисля, че може да се изработи. 6 пиновата букса от към касетофона мисля, че е стандартна и може да се намери по магазините за електронни компонентни.
Последна промяна от radi_nrj на Съб 14 сеп 2013 19:16, променено общо 1 път.
- Vag_activator
- Мнения: 941
- Регистриран на: Пет 27 юли 2012 17:00
- Автомобил:
- Двигател:
- Местоположение: Ruse
Re: схема на усб кабел пайнер дех 50 уб
С тези 2 снимки мисля,че ще ти стане съвсем ясно:
- ivan_nenchev
- Мнения: 132
- Регистриран на: Нед 22 ное 2009 0:22
- Автомобил: Pasat B4
- Двигател: 1Z 1994
- Местоположение: Карлово
Re: схема на усб кабел пайнер дех 50 уб
идеално колеги ако не намеря цял кабел ще го изработя благодаря много
- ivan_nenchev
- Мнения: 132
- Регистриран на: Нед 22 ное 2009 0:22
- Автомобил: Pasat B4
- Двигател: 1Z 1994
- Местоположение: Карлово
Re: схема на усб кабел пайнер дех 50 уб
колеги проработи благодаря
-
pinchera33
- Мнения: 3
- Регистриран на: Пет 02 авг 2013 16:37
- Автомобил: Golf mk3 2.0 16v
- Двигател: ABF
Re: схема на усб кабел пайнер дех 50 уб
моля помогнете и аз имам този проблем но немога да разбера как точно да го оправя може ли снимки благодаря предварително
- quattro^^
- Мнения: 1662
- Регистриран на: Пет 05 окт 2007 20:52
- Автомобил: audi a6 c5
- Двигател: AJL
- Местоположение: Пловдив
Re: схема на усб кабел пайнер дех 50 уб
от къде мога да си взема буксата към цд-то или цял кабел?
- Vag_activator
- Мнения: 941
- Регистриран на: Пет 27 юли 2012 17:00
- Автомобил:
- Двигател:
- Местоположение: Ruse
Re: схема на усб кабел пайнер дех 50 уб
Ами представителството на Pioneer е в Пловдив!
Иначе в Елимекс имат също!
Иначе в Елимекс имат също!
- quattro^^
- Мнения: 1662
- Регистриран на: Пет 05 окт 2007 20:52
- Автомобил: audi a6 c5
- Двигател: AJL
- Местоположение: Пловдив
Re: схема на усб кабел пайнер дех 50 уб
тва е ясно а букса аз да си го направя от къде мога да взема
- Vag_activator
- Мнения: 941
- Регистриран на: Пет 27 юли 2012 17:00
- Автомобил:
- Двигател:
- Местоположение: Ruse
Re: схема на усб кабел пайнер дех 50 уб
От захранване!!
- quattro^^
- Мнения: 1662
- Регистриран на: Пет 05 окт 2007 20:52
- Автомобил: audi a6 c5
- Двигател: AJL
- Местоположение: Пловдив
Re: схема на усб кабел пайнер дех 50 уб
от компютърните е различна по-голяма е
- Vag_activator
- Мнения: 941
- Регистриран на: Пет 27 юли 2012 17:00
- Автомобил:
- Двигател:
- Местоположение: Ruse
Re: схема на усб кабел пайнер дех 50 уб
Макетен нож нямаш ли?
Върни се в “ОФФ-Топик - електроника, техника, обзавеждане”
Кой е на линия
Потребители, разглеждащи този форум: Няма регистрирани потребители и 34 госта
