Б3 съвместимост на кормилни прътове от 1,8-90 към 2,0 2Е
- Eleanor
- Мнения: 184
- Регистриран на: Вто 02 окт 2007 13:27
- Автомобил:
- Двигател:
- Местоположение: Рудозем
- Контакти:
Б3 съвместимост на кормилни прътове от 1,8-90 към 2,0 2Е
Здравейте колеги. интересува ме някои правил ли е следната интервенция. искам да заменя кормилния прът заедно с каретата преди рейката. Моя пасат е 2Е и е с хидравлична рейка, а ми предлагат от 1,8 90 коня прът с карета, които е без хидравлика. Идеята ми е дали ще са съвместими ? ако някои е правил нещо подобно нека сподели. Благодаря предварително.
- zfa159
- Мнения: 7908
- Регистриран на: Сря 31 яну 2007 12:16
- Автомобил: Skoda Karoq + Passat B4 Syncro
- Двигател:
- Местоположение: София
- Контакти:
Re: Съвместимост на кормилни прътове от 1,8-90 към 2,0 2Е
Най-вероятно няма да стане.Виждал съм 3 различни вида - един вид за без хидравлика и 2 вида за с хидравлика (според това дали е с TRW рейка или ZF).
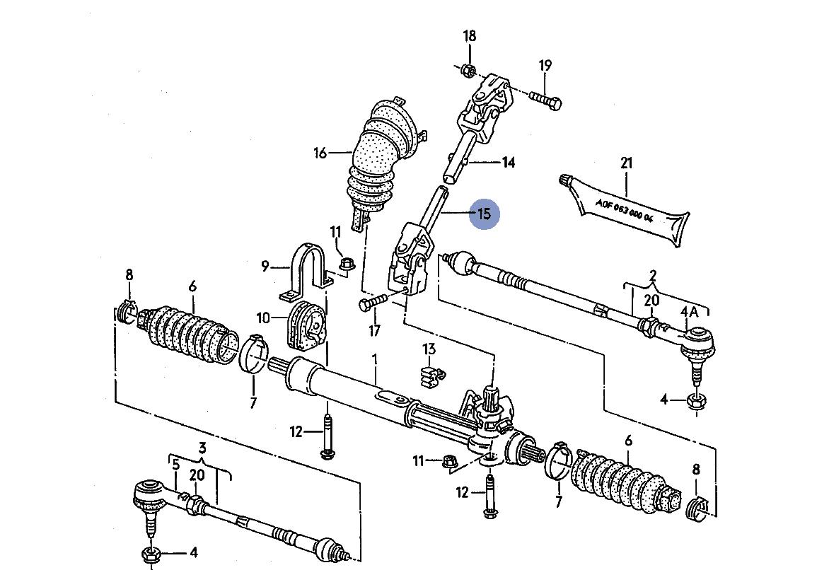
Само че това за теб не е проблем,защото може да смениш пръта без да сменяш карето към рейката (освен ако там не ти е проблема).Карето се дели на две части.Ето погледни :
Иначе ако проблема не ти е в самия прът,а в лагерите на пръта - продават се като резервна част и е по-добре да си ги смениш само тях.Долния беше 7-8лв оригинален,горния върви с конзолата - около 70лв беше ама трябва да преместиш контактния ключ на новата. Имаше тема някъде как се сменя само лагера (който е месингов), ама много отдавна съм я виждал и не можах да я намеря.

Само че това за теб не е проблем,защото може да смениш пръта без да сменяш карето към рейката (освен ако там не ти е проблема).Карето се дели на две части.Ето погледни :
Иначе ако проблема не ти е в самия прът,а в лагерите на пръта - продават се като резервна част и е по-добре да си ги смениш само тях.Долния беше 7-8лв оригинален,горния върви с конзолата - около 70лв беше ама трябва да преместиш контактния ключ на новата. Имаше тема някъде как се сменя само лагера (който е месингов), ама много отдавна съм я виждал и не можах да я намеря.

- Stenly
- Мнения: 1968
- Регистриран на: Пет 29 апр 2005 23:22
- Автомобил:
- Двигател:
- Местоположение: София VW Golf mk1 1600GTI EG
- Контакти:
Re: Б3 съвместимост на кормилни прътове от 1,8-90 към 2,0 2
Не най-вероятно ами баш няма да стане да сложиш каре за механична рейка на хидравлична ,отделно има и разлики в броя на шлиците на различните рейки.
- Danny boy
- Мнения: 1961
- Регистриран на: Сря 10 яну 2007 18:28
- Автомобил:
- Двигател:
- Местоположение: Пловдив
Re: Б3 съвместимост на кормилни прътове от 1,8-90 към 2,0 2
Всичко е еднакво ,разликата е само в долното каре 15 на горната снимка към рейката,ти си го имаш/ползваш си твоето/ ,и си го куплираш към горното на другиия прът от механичната.
Когато слагах хидравлика на моя пасат ,смених само долното каре за хидравлична рейка,защото шлиците към различните рейки са различни.
Всичко става желание да имаш,сега съм с рейка от голф 3 и съм комбинирал от пасат каре и от голф3 като съм разделил шарнирната връзка на лагерите и съм комбинирал 2 различни карета в едно.Запазил съм си още едно каре за хидравлична рейка на пасат, и едно за механична ,сега мога да сложа ако ми се прецака рейката от голф3,механична от пасатб3 или хидравлична от пасат б3,не съм се занимавал да си направя каре за б3/б4.
така че...
ПП защо искаш да сменяш пръта ,каретата поотделно могат да се сменят ако са проблемни с читави от същата кола.
Когато слагах хидравлика на моя пасат ,смених само долното каре за хидравлична рейка,защото шлиците към различните рейки са различни.
Всичко става желание да имаш,сега съм с рейка от голф 3 и съм комбинирал от пасат каре и от голф3 като съм разделил шарнирната връзка на лагерите и съм комбинирал 2 различни карета в едно.Запазил съм си още едно каре за хидравлична рейка на пасат, и едно за механична ,сега мога да сложа ако ми се прецака рейката от голф3,механична от пасатб3 или хидравлична от пасат б3,не съм се занимавал да си направя каре за б3/б4.
така че...
ПП защо искаш да сменяш пръта ,каретата поотделно могат да се сменят ако са проблемни с читави от същата кола.
Кой е на линия
Потребители, разглеждащи този форум: Няма регистрирани потребители и 27 госта