Здравейте колеги,
Пасатът е на газ и от няколко дни не пали на бензин. След доста замервания установих, че няма напрежение в управляващата верига на реле 67(на бензиновата помпа). Ако свържа директно силовата верига си пали и работи добре на бензин. Моля дайте идеи от къде може да е проблемът? Четох, че тези два кабела идват от ECU-то, но това означава ли, че проблемът е в него?
Благодаря предварително!
Пасат B3 RP 1991 - Няма ток до реле 67 и бензиновата помпа
- Glove
- Мнения: 2046
- Регистриран на: Сря 03 май 2006 23:35
- Автомобил: VW Golf MK2 GTI
- Двигател: AUM
- Местоположение: Варна
Re: Пасат B3 RP 1991 - Няма ток до реле 67 и бензиновата пом
По принцип има две вериги, едната е от бушоните която захранва релето, а дригата е от компютъра която управлява самото реле. Провери коя част ти липсва, бушоните здрави ли са?
- vladovelin
- Мнения: 1323
- Регистриран на: Чет 27 дек 2007 11:18
- Автомобил: Golf3 GTI
- Двигател: 2E 1994
- Местоположение: Пазарджик
Re: Пасат B3 RP 1991 - Няма ток до реле 67 и бензиновата пом
Доколкото ми е известно, релето на бензиновата помпа се управлява от компютъра, чрез подаване на "-" на бобината /при теб 67/На другата клема на бобината трябва да има постоянен "+".Провери кое от двете липсва за да не включва релето.Проверката при включен контакт и въртящ се стартер.
- Gencata
- Мнения: 52
- Регистриран на: Пет 04 апр 2008 23:13
- Автомобил: VW Golf Mk5 1.9 TDI
- Двигател: BLS 2006
- Местоположение: София
Re: Пасат B3 RP 1991 - Няма ток до реле 67 и бензиновата пом
Да колега прав си! ECU-то прекъсва "+" и всичко там работи както трябва. Нямам маса на управляващата верига. Някой има ли на идея от къде този кабел взима маса?
- Glove
- Мнения: 2046
- Регистриран на: Сря 03 май 2006 23:35
- Автомобил: VW Golf MK2 GTI
- Двигател: AUM
- Местоположение: Варна
Re: Пасат B3 RP 1991 - Няма ток до реле 67 и бензиновата пом
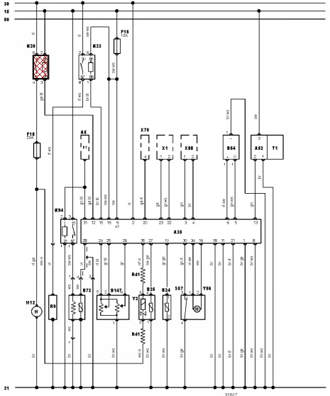
Ето ти малко да разгледаш не е перфектно, но се вижда кое от къде! Маркираното е горивната помпа.
- Gencata
- Мнения: 52
- Регистриран на: Пет 04 апр 2008 23:13
- Автомобил: VW Golf Mk5 1.9 TDI
- Двигател: BLS 2006
- Местоположение: София
Re: Пасат B3 RP 1991 - Няма ток до реле 67 и бензиновата пом
Мерси за схемата!
Връзката с Кабел 15 трябва да е проблемът при мен. Къде да я търся в купето или под капака на мотора?

Връзката с Кабел 15 трябва да е проблемът при мен. Къде да я търся в купето или под капака на мотора?
- Glove
- Мнения: 2046
- Регистриран на: Сря 03 май 2006 23:35
- Автомобил: VW Golf MK2 GTI
- Двигател: AUM
- Местоположение: Варна
Re: Пасат B3 RP 1991 - Няма ток до реле 67 и бензиновата пом
Това е сигнал от контактен ключ като го завъртиш, от там слиза в бушониерата и се разпределя по нея. Замери дали излиза на гнездото на релето.
- vladovelin
- Мнения: 1323
- Регистриран на: Чет 27 дек 2007 11:18
- Автомобил: Golf3 GTI
- Двигател: 2E 1994
- Местоположение: Пазарджик
Re: Пасат B3 RP 1991 - Няма ток до реле 67 и бензиновата пом
Генка, това което е защриховано на схемата е реле 67.От горе от 15 получава "+" на бобината на релето.От долу трябва да дойде "-" от ECU./маса както казваш/.При включване на контактния ключ релето трябва да сработи за 2-3 сек и изключва.След завъртане на стартера, датчика на Хол подава импулси на ECU и то подава минус на реле 67 и помпата работи.При изключване на контактният ключ "+" отпада релето изключва.
- Iezekil
- Мнения: 6185
- Регистриран на: Вто 14 фев 2012 15:53
- Автомобил: Passat B4 Variant
- Двигател: ABS 94
- Местоположение: Шумен
Re: Пасат B3 RP 1991 - Няма ток до реле 67 и бензиновата пом
Gencata написа:Да колега прав си! ECU-то прекъсва "+" и всичко там работи както трябва. Нямам маса на управляващата верига. Някой има ли на идея от къде този кабел взима маса?
vladovelin написа:След завъртане на стартера, датчика на Хол подава импулси на ECU и то подава минус на реле 67 и помпата работи.При изключване на контактният ключ "+" отпада релето изключва.
Я почни с ЕКУ-то.Преди и след него.
- Gencata
- Мнения: 52
- Регистриран на: Пет 04 апр 2008 23:13
- Автомобил: VW Golf Mk5 1.9 TDI
- Двигател: BLS 2006
- Местоположение: София
Re: Пасат B3 RP 1991 - Няма ток до реле 67 и бензиновата пом
Здравейте колеги,
Понеже всички майстори са заети или не работят по празниците, реших да пробвам, ако пусна маса на релето от таралежката до таблото. Резултатът беше шокиращ
При завъртане на стартера +12V от ECU-то (извод 85 на реле 67) стопи моя кабел за маса (извод 86 на реле 67) и за малко да запаля инсталацията на колата. Реле 67 си работи и не знам защо въпреки че бях през него, кабелът ми се стопи. Релето даже не затвори силовата верига. Сега съм сложил мост на силовата верига, за да паля на бензин в студа. Имам реле на газовата, което прекъсва кабела на помпата и благодарение на него стана, иначе на силовата верига има напрежение и без да си на контакт и помпата би работила постоянно.
Явно трябва да се мери по ECU-то, но не знам кой кабел какъв е и реших да го оставя за специалист преди да направя по-голяма беля
Обезателно ще пиша от какво е бил проблемът, след като се реши.
Понеже всички майстори са заети или не работят по празниците, реших да пробвам, ако пусна маса на релето от таралежката до таблото. Резултатът беше шокиращ

Явно трябва да се мери по ECU-то, но не знам кой кабел какъв е и реших да го оставя за специалист преди да направя по-голяма беля

Кой е на линия
Потребители, разглеждащи този форум: Няма регистрирани потребители и 47 госта