golf 3 1.9 tdi 90hp - 110 hp- вакууми схеми
- aydin.musa
- Мнения: 3
- Регистриран на: Пон 10 юли 2017 11:19
- Автомобил:
- Двигател:
golf 3 1.9 tdi 90hp - 110 hp- вакууми схеми
Здравейте имам голф 3 1.9 тди 90 коня , и реших да прехвърля всичко от венто 1.9 тди 110. Остава ми само да наредя вакумите но никъде в нета не намерих схема как да ги свържа , а на вентото бяха разкачени и не знам как трябва да бъдат . В нета излизат всеки път за помпа дюза или за по-новите модели . Някой може ли да помогне или най добре да намеря някой с 110 ка и да гледам от там ?
- vlado_tonev
- Мнения: 5497
- Регистриран на: Нед 18 ное 2007 1:54
- Автомобил: GOLF MK4 1.9TDI
- Двигател: ALH 2000
- Местоположение: София
- Контакти:
Re: golf 3 1.9 tdi 90hp - 110 hp- вакууми схеми
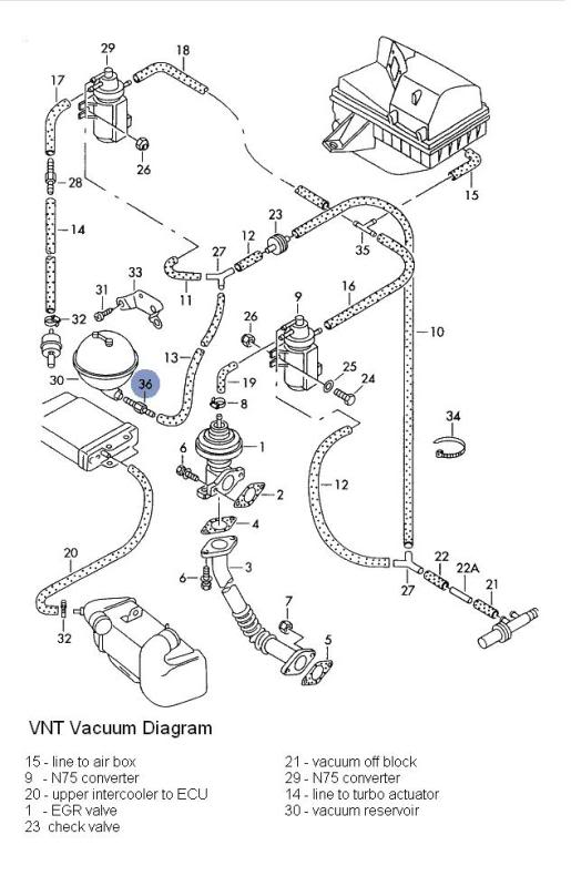
Виж дали това ще ти свърши работа
- aydin.musa
- Мнения: 3
- Регистриран на: Пон 10 юли 2017 11:19
- Автомобил:
- Двигател:
Re: golf 3 1.9 tdi 90hp - 110 hp- вакууми схеми
Не не това са схеми за 98 ма а на мен ми трябва преди 98 ма
, и на тази схема няма турбина :(
, и на тази схема няма турбина :(
- goppa
- VW експерт

- Мнения: 7997
- Регистриран на: Вто 04 сеп 2012 19:25
- Автомобил: Seat Alhambra
- Двигател: CFFB
- Местоположение: Горна Оряховица
Re: golf 3 1.9 tdi 90hp - 110 hp- вакууми схеми
Маркуч номер 14 отива в актуатора на турбото. Схемата е същата за всички AFN мотори във Vento, без значение от годината.
http://www.oemepc.com/vw/part_single/ca ... 414/lang/e
http://www.oemepc.com/vw/part_single/ca ... 414/lang/e
- aydin.musa
- Мнения: 3
- Регистриран на: Пон 10 юли 2017 11:19
- Автомобил:
- Двигател:
Re: golf 3 1.9 tdi 90hp - 110 hp- вакууми схеми
Мерси за информацията всичко е ОК . :)
А още един въпрос след чип тунинг мисля да му сменям съединителя , за сега съм се спрял на такъв от VR6 какво мислите ?
А още един въпрос след чип тунинг мисля да му сменям съединителя , за сега съм се спрял на такъв от VR6 какво мислите ?
Върни се в “Дизелови агрегати”
Кой е на линия
Потребители, разглеждащи този форум: Danny boy и 63 госта