Монтиране на МФА в Мк3
Правила на форума
Натисни тук за да прочетеш Правилата на форума
Натисни тук за да прочетеш Правилата на форума
- Adrian-AAA
- Мнения: 1319
- Регистриран на: Съб 10 мар 2007 21:07
- Автомобил: Golf 2 and 3
- Двигател: AAA and AFN
- Местоположение: София(BG)/Lübeck(DE)
Re: Монтиране на МФА в Мк3
1.9 тди мк3 Variant syncro AHU около 97г.
- baivan
- Мнения: 273
- Регистриран на: Вто 06 фев 2007 13:49
- Автомобил: Vento
- Двигател: 1.8T
- Местоположение: Разлог
Re: Монтиране на МФА в Мк3
И аз имам едно въпросче. Колата ми (Венто) нямаше мфа заводско, монтирах в последствие и подкарах всичко включително и разхода. Това беше когато бях със стария двигател(АБС). Сега двигателя е AGU от Ауди А3 със стандартна електроника. Таблото ми е от МК3 97-ма година. Проблема ми е в това, че никъде по схемите не мога да намеря да има пин на компа, който да е предвиден за разходомер на бордови компютър и съответно не мога да подкарам разхода. Има ли някакъв начин това да стане или не?
- xalerrelax
- Мнения: 3060
- Регистриран на: Чет 25 сеп 2008 10:54
- Автомобил:
- Двигател:
- Местоположение: Бургас
Re: Монтиране на МФА в Мк3
Според мен не е възможно да няма пин колега.
Може просто да няма изведен кабел на буксата от пина.
Аз като го правих на моя АБС също нямаше кабел , но пин от ЕКУ-то си имаше.
За този мотор обаче незнам.
Може просто да няма изведен кабел на буксата от пина.
Аз като го правих на моя АБС също нямаше кабел , но пин от ЕКУ-то си имаше.
За този мотор обаче незнам.
- baivan
- Мнения: 273
- Регистриран на: Вто 06 фев 2007 13:49
- Автомобил: Vento
- Двигател: 1.8T
- Местоположение: Разлог
Re: Монтиране на МФА в Мк3
Това че заводско няма кабел пуснат от съответния пин не е проблем, проблема е че никъде по схемите на Еку-то не намирам такъв пин. Друго се сетих сега, което ме притеснява, че е твърде възможно сигнала да се предава по кан шина, което означава че няма да мога да подкарам разхода или поне не с това табло.
- swifter
- Мнения: 611
- Регистриран на: Нед 28 яну 2007 15:00
- Автомобил: 1999 Skoda Octavia AGN
- Двигател: 2003 VW Passat TDI AVF
- Местоположение: Велинград
Re: Монтиране на МФА в Мк3
За разхода трябва да е пин 18(). Но, се съмнявам че ще стане с тройковото табло.
- basata-user
- Мнения: 1036
- Регистриран на: Пет 26 фев 2010 19:08
- Автомобил: pasat b5
- Двигател: 1.8T AEB
- Местоположение: САНДАНСКИ-ЛОНДОН
- Контакти:
Re: Монтиране на МФА в Мк3
след монтирането на мфа имам следния проблем втора степен на чистачките не ми работи като дадеш на 2-ра и спират
закачих друго ел.моторче никакв резултат смених реле 99 пак нищо смених лостчето с такова без МФА пак същата работа
откъде може да идва проблема 
-
President
- Мнения: 113
- Регистриран на: Сря 23 авг 2006 0:28
- Автомобил: Passat B8
- Двигател:
- Местоположение: Варна
Re: Монтиране на МФА в Мк3
Имам табло с мфа, сложих лоста свързах го с оригиналния кабел към бушониерата и нищо. Какво съм пропуснал?
- basata-user
- Мнения: 1036
- Регистриран на: Пет 26 фев 2010 19:08
- Автомобил: pasat b5
- Двигател: 1.8T AEB
- Местоположение: САНДАНСКИ-ЛОНДОН
- Контакти:
Re: Монтиране на МФА в Мк3
President написа:Имам табло с мфа, сложих лоста свързах го с оригиналния кабел към бушониерата и нищо. Какво съм пропуснал?
лостчета смяна на кабела от таблото до бушонерата
-
President
- Мнения: 113
- Регистриран на: Сря 23 авг 2006 0:28
- Автомобил: Passat B8
- Двигател:
- Местоположение: Варна
Re: Монтиране на МФА в Мк3
basata-user написа:лостчета смяна на кабела от таблото до бушонерата
Трябва да се смени кабела на таблото ли?
- basata-user
- Мнения: 1036
- Регистриран на: Пет 26 фев 2010 19:08
- Автомобил: pasat b5
- Двигател: 1.8T AEB
- Местоположение: САНДАНСКИ-ЛОНДОН
- Контакти:
Re: Монтиране на МФА в Мк3
President написа:basata-user написа:лостчета смяна на кабела от таблото до бушонерата
Трябва да се смени кабела на таблото ли?
кабела от таблото до бошионерата с такъв дето е имал мфа
- basata-user
- Мнения: 1036
- Регистриран на: Пет 26 фев 2010 19:08
- Автомобил: pasat b5
- Двигател: 1.8T AEB
- Местоположение: САНДАНСКИ-ЛОНДОН
- Контакти:
Re: Монтиране на МФА в Мк3
от няколко дни има проблем с разходомера показва 0.0 и не помръдва
разкачих акумулатора и пак нищо
колата е голф 3 в момента е с 2е мотор мфа-то е добавяно с смяна на цялата инсталация
- mvangelov
- Мнения: 83
- Регистриран на: Пон 27 апр 2009 11:27
- Автомобил: MK3
- Двигател: 2E
- Местоположение: sofia
Re: Монтиране на МФА в Мк3
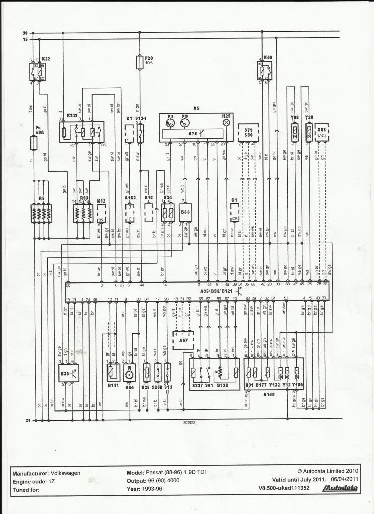
Някои слагал ли е МФА на Голф 3 - 1.9(1z) пуснах кабел от 9-пин но показва 0.00 за расхода ...
- swifter
- Мнения: 611
- Регистриран на: Нед 28 яну 2007 15:00
- Автомобил: 1999 Skoda Octavia AGN
- Двигател: 2003 VW Passat TDI AVF
- Местоположение: Велинград
Re: Монтиране на МФА в Мк3
mvangelov написа:Някои слагал ли е МФА на Голф 3 - 1.9(1z) пуснах кабел от 9-пин но показва 0.00 за расхода ...
Винаги ли показва 0.00 или като покараш малко се появяват някакви стойности?
http://www.brick-yard.co.uk/forum/1z-ec ... 63832.html
-
hugo_boss
- Мнения: 12
- Регистриран на: Съб 27 авг 2011 22:24
- Автомобил: VW Tiguan
- Двигател: CBAB 2008
- Местоположение: Добрич
Re: Монтиране на МФА в Мк3
Здравейте колеги!Имам едно въпросче....трябва ли да имам МФА за да ми показва на таблото на каква предавка съм ?И каква е точно процедурата?За автомат става въпрос.
- cvetelingeorgiev
- Мнения: 77
- Регистриран на: Пет 08 фев 2008 16:12
- Автомобил:
- Двигател:
- Местоположение: Плевен
Re: Монтиране на МФА в Мк3
Някой ще ми обясни ли с думи прости къде се връзва датчика за външната температура. ПИН 1 и ПИН 19 са ясни ни на кое са те на буксата закачаща се на таблото или някъде на бушониерата
Кой е на линия
Потребители, разглеждащи този форум: Няма регистрирани потребители и 49 госта