Намерих нещо, с което се надявам да помогна на колегата mupk0, при бъдещите му разработки.
http://www.duostyling.com/pagerecord.cfm?ID=26
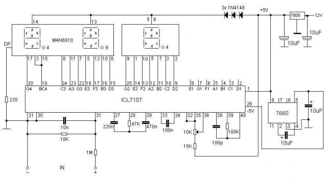
Направи си:индикатор за напрежението на алтернатора:duostyl
Правила на форума
Натисни тук за да прочетеш Правилата на форума
Натисни тук за да прочетеш Правилата на форума
-
azrod
- Мнения: 1178
- Регистриран на: Сря 07 апр 2010 22:42
- Автомобил: Passat B3 Variant
- Двигател: 1.8mi AAM 1993
- Местоположение: Асеновград/ Пловдив
- Контакти:
Re: Направи си:индикатор за напрежението на алтернатора:duostyl
mupk0 написа:azrod написа:Направих я схемата и вече е калибрирана. Само дето ако колебанието не е толкова рязко и светят понякога два диода, но поне ориентира, че е на границата. Иначе доста добре показва, аз с един руски уред й подавах напрежение и горе-долу нагласих червените диоди над 14,4, след тях зелените и под 13,5 съм вече с жълти
Само че май ще го махам тоя 3.9к резистор, че ми осветява цялото купеВсъщност мисля и през деня да погледна как ще е
Иначе панела го измислих - намерих си лазер и са много точни служителките, ще ми го изрежат.
Я дай снимки и разяснения?С 10 диода ли ще си ?
Да, с 10-те диода. Втори ден си я возя платката закачена на пепелника. Снимки утре като взема и панела живи и здрави вечерта
- mupk0
- Мнения: 3822
- Регистриран на: Вто 03 фев 2009 11:35
- Автомобил: Mercedes Benz S202
- Двигател: C200 Kompressor
- Местоположение: Стара Загора
- Контакти:
Re: Направи си:индикатор за напрежението на алтернатора:duostyl
Колега забрави снимки май 
-
azrod
- Мнения: 1178
- Регистриран на: Сря 07 апр 2010 22:42
- Автомобил: Passat B3 Variant
- Двигател: 1.8mi AAM 1993
- Местоположение: Асеновград/ Пловдив
- Контакти:
Re: Направи си:индикатор за напрежението на алтернатора:duostyl
Не съм, просто ми горна интеграла супер неочаквано
Добрата новина е, че го бях запоил на цокъл и вече го смених. Ето ги снимките, може и клип да пусна да го видите в движение:





Клипа с включено парно и светлини :





Клипа с включено парно и светлини :
- mupk0
- Мнения: 3822
- Регистриран на: Вто 03 фев 2009 11:35
- Автомобил: Mercedes Benz S202
- Двигател: C200 Kompressor
- Местоположение: Стара Загора
- Контакти:
Re: Направи си:индикатор за напрежението на алтернатора:duostyl
А как го калибрира?Някакъв лесен начин или да търся авто-генератор.
-
azrod
- Мнения: 1178
- Регистриран на: Сря 07 апр 2010 22:42
- Автомобил: Passat B3 Variant
- Двигател: 1.8mi AAM 1993
- Местоположение: Асеновград/ Пловдив
- Контакти:
Re: Направи си:индикатор за напрежението на алтернатора:duostyl
Ами колегата е бивш запален електронкаджия и има с какво да го калибрираме, забравих да го снимам на какви напрежения превключва всеки един диод. Схемата обаче не цепи косъма всеки диод да светка през 0.5V... Ако търсиш такава не я прави изобщо 
Както виждаш напрежението се колебае особено при повече и/или по-мощни консуматори и точно поради тази причина избрах да не е електронен волтметър стил "дисплей на мултицет".
П.П.: Внимавай на коя верига свързваш, че аз го бях зашил на ел. стъклата и при вдигане се получи токов удар и изгърмях един брой интеграл
Както виждаш напрежението се колебае особено при повече и/или по-мощни консуматори и точно поради тази причина избрах да не е електронен волтметър стил "дисплей на мултицет".
П.П.: Внимавай на коя верига свързваш, че аз го бях зашил на ел. стъклата и при вдигане се получи токов удар и изгърмях един брой интеграл

- mupk0
- Мнения: 3822
- Регистриран на: Вто 03 фев 2009 11:35
- Автомобил: Mercedes Benz S202
- Двигател: C200 Kompressor
- Местоположение: Стара Загора
- Контакти:
Re: Направи си:индикатор за напрежението на алтернатора:duostyl
Е в моят стил ще се получи,защото ще връзвам по 2 изхода към 1 диод.Само дето трябва да го измеря.И все пак май ще се наложи помощ от професорите в ТУ-то.
- nokiangage
- Мнения: 3374
- Регистриран на: Сря 03 фев 2010 12:40
- Автомобил: Passat B3 - 35i
- Двигател: 1.8 RP 1990 - 90 hp. LPG only
- Местоположение: Плевен, Варна
- Контакти:
Re: Направи си:индикатор за напрежението на алтернатора:duostyl
Много добре изглежда колега, поздравления за усилията.
Може ли да те помоля да качиш още някой клип примерно с всички възможни консуматори, че ми е инетересно. Благодаря предварително и ще следя темата, запалихте ме и мен ма пусти кръжок "ръцете ми пречат" 
Може ли да те помоля да качиш още някой клип примерно с всички възможни консуматори, че ми е инетересно. Благодаря предварително и ще следя темата, запалихте ме и мен ма пусти кръжок "ръцете ми пречат" 
-
azrod
- Мнения: 1178
- Регистриран на: Сря 07 апр 2010 22:42
- Автомобил: Passat B3 Variant
- Двигател: 1.8mi AAM 1993
- Местоположение: Асеновград/ Пловдив
- Контакти:
Re: Направи си:индикатор за напрежението на алтернатора:duostyl
nokiangage написа:Много добре изглежда колега, поздравления за усилията.Може ли да те помоля да качиш още някой клип примерно с всички възможни консуматори, че ми е инетересно. Благодаря предварително и ще следя темата, запалихте ме и мен ма пусти кръжок "ръцете ми пречат"
Много е лека схемичката, има много малко елементи, то най-наг*зената работа е да направиш г/д диодите да не са хептен произволно разположени, иначе панела е фасулска работа (начертах го на Corel), не знам що работят само с корелски файлове тея дето са с лазера, ама то принципа е същия като в CAD системите.
Иначе за клипче ще има и по-качествена демонстрация, даже съм замислил да вържа отляво на мястото на изкорменото копче за централното и един мултицет да се вижда пооо-добре на какво напрежение как свети. А за диодите мисля няма нужда да казвам, че всеки може сам да реши на колко волта какъв цвят иска да му свети.
- =TDI=
- Мнения: 64
- Регистриран на: Чет 23 авг 2007 16:17
- Автомобил: Passat 1.9 TDI
- Двигател: 1Z
- Местоположение: Хасково
Re: Направи си:индикатор за напрежението на алтернатора:duostyl
Индикатора на моят Пасатор, реализиран с дисплей от бракуван сателитен приемник.
Преди монтаж в таблото се калибрира до точност 10-та на Волта.
Преди монтаж в таблото се калибрира до точност 10-та на Волта.
-
azrod
- Мнения: 1178
- Регистриран на: Сря 07 апр 2010 22:42
- Автомобил: Passat B3 Variant
- Двигател: 1.8mi AAM 1993
- Местоположение: Асеновград/ Пловдив
- Контакти:
Re: Направи си:индикатор за напрежението на алтернатора:duostyl
mupk0 написа:Е в моят стил ще се получи,защото ще връзвам по 2 изхода към 1 диод.Само дето трябва да го измеря.И все пак май ще се наложи помощ от професорите в ТУ-то.
Как е? Калибрира ли го? Аз да се оплача изгърмя втори интеграл, нещо се замислям май схемата не е много читава... Имаше един вариант бях изровил с кондензатори освен резисторите и май ще я преправям
- mupk0
- Мнения: 3822
- Регистриран на: Вто 03 фев 2009 11:35
- Автомобил: Mercedes Benz S202
- Двигател: C200 Kompressor
- Местоположение: Стара Загора
- Контакти:
Re: Направи си:индикатор за напрежението на алтернатора:duostyl
azrod написа:mupk0 написа:Е в моят стил ще се получи,защото ще връзвам по 2 изхода към 1 диод.Само дето трябва да го измеря.И все пак май ще се наложи помощ от професорите в ТУ-то.
Как е? Калибрира ли го? Аз да се оплача изгърмя втори интеграл, нещо се замислям май схемата не е много читава... Имаше един вариант бях изровил с кондензатори освен резисторите и май ще я преправям
Не не съм колега.До вчера бях в сесия и не ми се занимаваше.Сега на 2ри ще се върна към Стара Загора,но едва ли ще направя нещо.По-скоро края на март може и да пробвам да я сглобя
-
didopoli
- Мнения: 168
- Регистриран на: Съб 01 ное 2008 17:44
- Автомобил:
- Двигател:
- Местоположение: Стара Загора
- Контакти:
Re: Направи си:индикатор за напрежението на алтернатора:duostyl
azrod написа:mupk0 написа:Е в моят стил ще се получи,защото ще връзвам по 2 изхода към 1 диод.Само дето трябва да го измеря.И все пак май ще се наложи помощ от професорите в ТУ-то.
Как е? Калибрира ли го? Аз да се оплача изгърмя втори интеграл, нещо се замислям май схемата не е много читава... Имаше един вариант бях изровил с кондензатори освен резисторите и май ще я преправям
Сложи му стабилизатор на захранването на самата схема.
Кой е на линия
Потребители, разглеждащи този форум: Няма регистрирани потребители и 54 госта