RA оборотомер на предкамерен ТД

Печките са на мода. Дори и дизела да е по-скъп феновете му са много...
Потребителски аватар
kompresor
Мнения: 493
Регистриран на: Нед 09 авг 2009 18:57
Автомобил: Audi 8D Avant
Двигател: AEB 1996
Местоположение: град Русе
Контакти:

RA оборотомер на предкамерен ТД

Мнениеот kompresor » Вто 18 дек 2012 20:44


След като се информирах че на предкамерния чепел RA не става ни бензинов оборотомер ни оборотомер от ТДИ, защото взима сигнал от компютъра, съм на път да се отчаям.

Ауди 80 б3 с този двигател и със оборотомер е мисията невъзможна да се намери.

Затова искам да ви питам какъв е принципа на действие при джета-та при голф двойката и при пасата и при тройката със aaz , сиреч при фолксвагените предкамерните дизели каква е схемата на свързване на оборотомера с динамото ?

Директно кабела от динамото влиза в оборотомера ли или как е ? Аз имам един зелен кабел който е включен в W+ клемата на акомулатора ми, но не знам на кой пин отговаря на буксата и не знам на какъв режим да обърна мултицета за да го измеря дали идва и какво идва там :|

Искам да я взаимствам и да си монтирам оборотомер на мястото на часовника в таблото. Даже може и да си сложа оборотомер от фолксваген и да имитирам схемата като само му поставя циферблат и стрелка от 80ка за външен вид.

Схемата на самия оборотомер и свързването му към алтернатора би била ужасно полезна.




Потребителски аватар
tremendous
Мнения: 124
Регистриран на: Сря 15 юли 2009 20:22
Автомобил: Passat
Двигател: AAZ
Местоположение: Пловдив

Re: Искам да подкарам оборотомер на предкамерния ТД

Мнениеот tremendous » Вто 18 дек 2012 22:42


Аз съм с пасат 1.9 тд и скоро си сложих табло с оборотомер , но до колкото знам, ако са изпълнени няколко неща работата трябва да е ' плуг енд плей ' , какато се получи и при мен .

Таблото НЕ трябва да е от ТДИ
Да е дизелово
Да е с надпис на самия циферблат на оборотомера за 1.6 двигатели '' Diesel 2.23 "


Потребителски аватар
kompresor
Мнения: 493
Регистриран на: Нед 09 авг 2009 18:57
Автомобил: Audi 8D Avant
Двигател: AEB 1996
Местоположение: град Русе
Контакти:

Re: Искам да подкарам оборотомер на предкамерния ТД

Мнениеот kompresor » Вто 18 дек 2012 23:41


Намерих си табло от дизелов пасат 1.6 . Ще го взема и ще го поместя на мястото на часовника на моята ауди 80 ка но свързването не знам как ще стане. Само виждам зелен кабел който се включва в W+ клемата на алтернатора.

Ето го таблото download/file.php?id=228943&mode=view
Възможно ли е да му взема оборотомера и да го свържа към инсталацията на аудито , и кабела от динамото W+


Потребителски аватар
Dobromirski
Мнения: 1582
Регистриран на: Нед 31 дек 2006 10:12
Автомобил: Seat Leon
Двигател: ARL 150+ hp
Местоположение: Плевен
Контакти:

Re: Искам да подкарам оборотомер на предкамерния ТД

Мнениеот Dobromirski » Сря 19 дек 2012 3:40


:да:


Потребителски аватар
kompresor
Мнения: 493
Регистриран на: Нед 09 авг 2009 18:57
Автомобил: Audi 8D Avant
Двигател: AEB 1996
Местоположение: град Русе
Контакти:

Re: Искам да подкарам оборотомер на предкамерния ТД

Мнениеот kompresor » Съб 05 яну 2013 18:19


Колеги покажете ми един разглобен оборотомер на турбодизел или поне снимка на задника му , какви изводи има ?


Потребителски аватар
pepi3196
Мнения: 364
Регистриран на: Пет 08 авг 2008 21:25
Автомобил: T3 Karavel
Двигател: T3 1987
Местоположение: София

Re: Искам да подкарам оборотомер на предкамерния ТД

Мнениеот pepi3196 » Съб 05 яну 2013 21:27


Утре ще го снимам заедно с изводите :beer


Потребителски аватар
znainainai
Мнения: 5287
Регистриран на: Пон 04 дек 2006 21:24
Автомобил: Golf4
Двигател: MK 4 98 AHF
Местоположение: Русе

Re: Искам да подкарам оборотомер на предкамерния ТД

Мнениеот znainainai » Съб 05 яну 2013 22:40


Оборотомера на AAZ и SB/RA взема сигнал от клема W на генератора.


Потребителски аватар
pepi3196
Мнения: 364
Регистриран на: Пет 08 авг 2008 21:25
Автомобил: T3 Karavel
Двигател: T3 1987
Местоположение: София

Re: Искам да подкарам оборотомер на предкамерния ТД

Мнениеот pepi3196 » Нед 06 яну 2013 23:47


На 5-та страница
viewtopic.php?f=66&t=288678&start=60
:drunk


Потребителски аватар
kompresor
Мнения: 493
Регистриран на: Нед 09 авг 2009 18:57
Автомобил: Audi 8D Avant
Двигател: AEB 1996
Местоположение: град Русе
Контакти:

Re: RA оборотомер на предкамерен ТД

Мнениеот kompresor » Пон 07 яну 2013 17:21


Страшни сте колеги, благодаря ви, че се отзовахте :bowdown :beer
Точно това ме интересуваше, сега вече знам че намирам оборотомер от предкамерна пасат голф джета голф 80-ка пускам му маса плюс след контакт и w от алтернатора и си имам оборотомер :bowdown :bowdown :bowdown
Само не мога да открия схема, където да е указано на кой пин на жълтата или синята букса горе на таблото ми идва сигнала от W генератора.

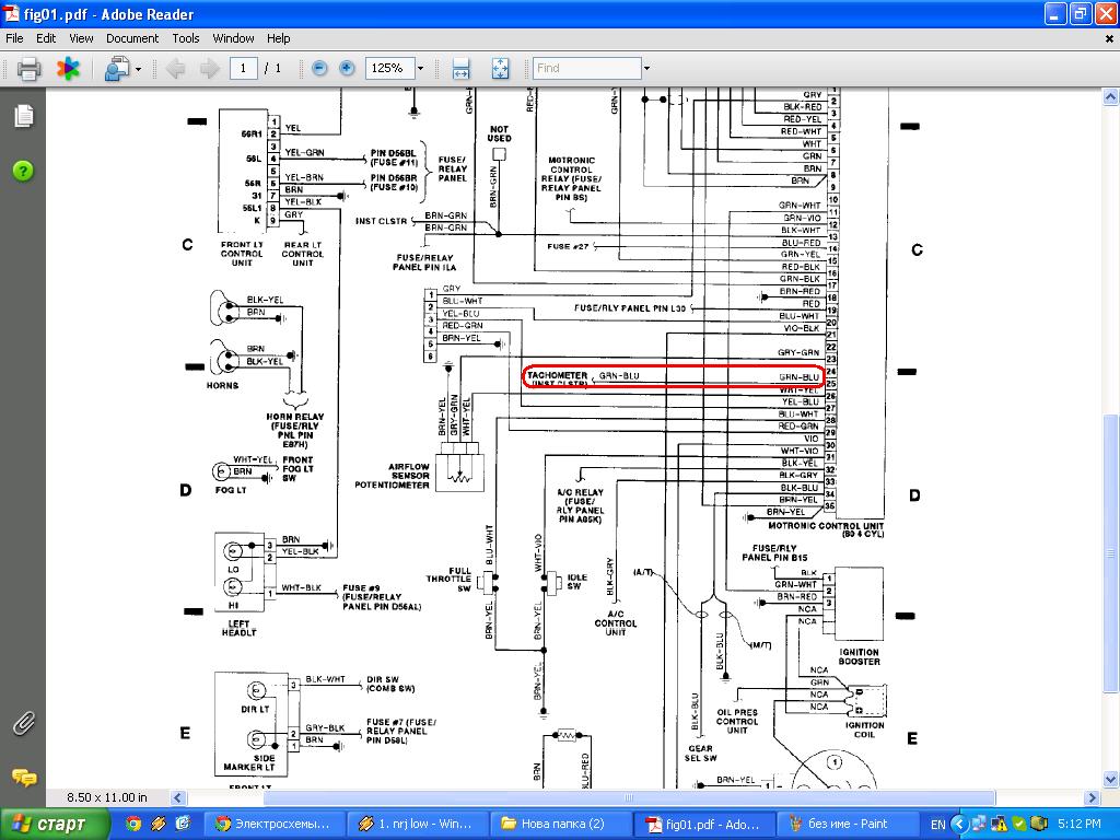
От този сайт http://fryppy.land.ru/electro.html
Намерих тази схема
afsdfsfdsf.JPG

Където съм оградил с червено проводника даден за оборотомер който са го дали зеленосин.
Никъде нито в сайта нито във файловете не споменават за бензинови или дизелови двигатели става дума. Дали схемите са просто за инсталациите по година както тази е 1989 или са само за бензинови мотори ?


Потребителски аватар
pepi3196
Мнения: 364
Регистриран на: Пет 08 авг 2008 21:25
Автомобил: T3 Karavel
Двигател: T3 1987
Местоположение: София

Re: RA оборотомер на предкамерен ТД

Мнениеот pepi3196 » Пон 07 яну 2013 19:13


Поглеждаш на алтернатора какъв цвят е кабела в гнездото W и търсиш същият на буксата на таблото,ако нямаш теглиш един и си готов :beer


Потребителски аватар
kompresor
Мнения: 493
Регистриран на: Нед 09 авг 2009 18:57
Автомобил: Audi 8D Avant
Двигател: AEB 1996
Местоположение: град Русе
Контакти:

Re: RA оборотомер на предкамерен ТД

Мнениеот kompresor » Пон 07 яну 2013 19:47


Кабела е зелен, но 2 пъти по-дебел от тези кабелчета които са горе в таблото


Потребителски аватар
pepi3196
Мнения: 364
Регистриран на: Пет 08 авг 2008 21:25
Автомобил: T3 Karavel
Двигател: T3 1987
Местоположение: София

Re: RA оборотомер на предкамерен ТД

Мнениеот pepi3196 » Пон 07 яну 2013 20:31


Нямам идея как е при Ауди,нека някой който е по-наясно да каже :beer


Потребителски аватар
kompresor
Мнения: 493
Регистриран на: Нед 09 авг 2009 18:57
Автомобил: Audi 8D Avant
Двигател: AEB 1996
Местоположение: град Русе
Контакти:

Re: RA оборотомер на предкамерен ТД

Мнениеот kompresor » Сря 30 яну 2013 15:52


Колеги взех оборотомер от дизелов голф двойка 1.6. Присадих го успешно в таблото на ауди 80, без никакви преправяния. Свързах го по указания от вас начин, но не потръгна. МИсля че може да съм опукал интегралната схема защото май сбърках плюса и минуса веднъж. Можете ли да кажете дали интегралната схема от бензиновата платка може да замести интегралната схема на дизеловата платка, която вероятно съм изгорил ? Че тая на дизеловия оборотомер я няма никъде по света , само в ebay.
Дизелов оборотомер с интегрална схема SAK211
rsz_p1050605.jpg

Бензинов оборотомер с интегрална схема SN29736P
rsz_p1050604.jpg


А ето това е схема на бензиново табло на ауди 80. Аналогично е с дизеловата платка.
Гледаме кутийката където пише `оборотомер`
На 1 идва плюс
На 2 идва маса
На 3 идва сигнал за оборотомер

35353.JPG
Прикачени файлове
shema za tabloto.JPG


Потребителски аватар
milmar
Мнения: 4935
Регистриран на: Съб 22 мар 2008 2:57
Автомобил: Passat B4 and B6 Variant
Двигател: 1Z and CBDC
Местоположение: Русе

Re: RA оборотомер на предкамерен ТД

Мнениеот milmar » Чет 31 яну 2013 8:14


Беше окъсил танталов кондензатор (онова малко зеленичико на снимката :wink ), свързан паралелно на стрелковия уред за да филтрира напрежението и да няма трептене на стрелката при ниски обороти. От там и на интегралната схема (преобразувател честота->ток) беше изгорял изхода. От двете платки в крайна сметка стана работата.
znainainai написа:Оборотомера на AAZ и SB/RA взема сигнал от клема W на генератора.

Ако някой съвсем случайно знае каква е честотата на напрежението от генератора при дадени обороти, да не се стеснява, да каже :wink . За да мога настроя оборотомера по сигналгенератор.

kompresor написа:....
Дизелов оборотомер с интегрална схема SAK211...

SAK215 :wink !

(... сори че пиша в неспамтема, "ниво на предупреждение 2" - спамер такъв :thdown )


Потребителски аватар
milmar
Мнения: 4935
Регистриран на: Съб 22 мар 2008 2:57
Автомобил: Passat B4 and B6 Variant
Двигател: 1Z and CBDC
Местоположение: Русе

Re: RA оборотомер на предкамерен ТД

Мнениеот milmar » Нед 03 фев 2013 14:07


Някой има ли идея все пак какво е отношението (обороти на мотор RA) --> (честота на напрежението на генератора)? Или поне да знае колко полюсен е генератора, колегата автор на темата може да уточни модела?



Върни се в “Дизелови агрегати”

Кой е на линия

Потребители, разглеждащи този форум: Няма регистрирани потребители и 56 госта