Ауди а3 2.0тди пд 170кс 2006г тракане като шевна машина
Ауди а3 2.0тди пд 170кс 2006г тракане като шевна машина
Здравеите колеги,пуснах тази тема и в този форум нали сме все от ваг групата.От скоро съм собственик на този автомобил.Отскоро се появи едно тракане на мотора като шевна машина при подаване на газ независимо в движение или на място.В движение се усешта по ясно.Дюзите ги смених с нови по акцията безплатно но тракането си остана.Вкарвах е в сервиз за смяна на биелни лагери но се оказа че там е всичко ок.Моля за вашето мнение.Отначало това чукане се появяваше по рядко но сега си чука постоянно особено при подаване на газ в движение,като отнемеш гаста чукането изчезва.
-
Golfardo
- Мнения: 92
- Регистриран на: Нед 08 юни 2008 17:05
- Автомобил:
- Двигател:
- Местоположение: София
Re: Ауди а3 2.0тди пд 170кс 2006г тракане като шевна машина
Колега така стана и с моя голф 4 алх мотор, съ6тото описание,което дава6.Мога да ти кажа,че и до ден дне6ен си трака така от 5 години .Тракането се получи, когато турбината си замина,вкара масло в цилиндрите и се самофорсира двигателя.Та така и не разбрах,какво трака :)Аз предполагам,че при теб се е получилоследното:- Купил си колата наскоро и са и били сипали някаква добавка. Затова не ти е чукала в началото.Ако някой има други идеи по случая да пи6е.При мен поне знам от какво се се получи този проблем.
Re: Ауди а3 2.0тди пд 170кс 2006г тракане като шевна машина
Днес ходих в друг сервиз да ми замерят компресията на цилиндрите и се оказа че и там няма проблем,всичките бяха с едни и същи показания и казаха ,че всичко е ок.Маистора я слуша снякакви слушалки и каза че чукането наѝ много се усещало около тандем помпата.Иска по нататък да проверява повдигачите и лагерите на валовете.
Re: Ауди а3 2.0тди пд 170кс 2006г тракане като шевна машина
сигурен ли си, че чукането не идва от лагера на съединителя ? При моя спортбек се чуваше точно така описаното чукане и определено не беше от двигателя, а от скоростната кутия и като е по-топло се усилваше.
- Steels
- Мнения: 430
- Регистриран на: Пон 28 юли 2008 17:59
- Автомобил: Arteon SB 280hp
- Двигател: DNFE
- Местоположение: Бургас/София
Re: Ауди а3 2.0тди пд 170кс 2006г тракане като шевна машина
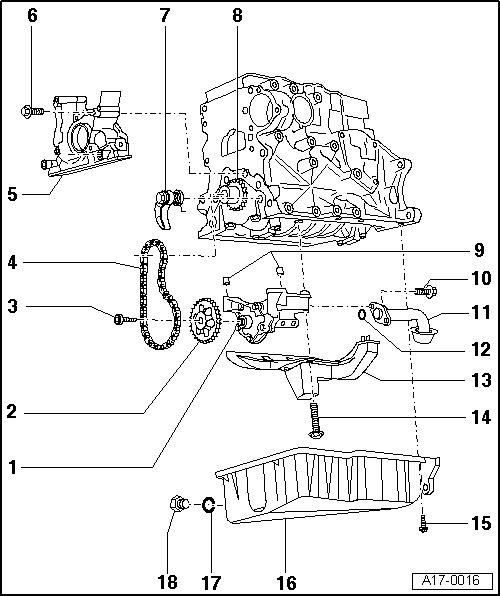
Този двигател задвижването с верига ли е на маслената помпа? При мен като бях с верига се чуваше едно тракане. Ако си с верига ходи я преравяй на зъбни колела или профилактично си смени обтегача веригата и шестограма на маслената помпа
Re: Ауди а3 2.0тди пд 170кс 2006г тракане като шевна машина
Значи чукането не се променя при натискане на съединителя независимо на място или в движение е колата.То тросто чука с оборотите на двигателя,при повишаване на об.се увеличава и то.С верига съм на маслената помпа но тя е друг модел без шестограм и балансиращи валове.Като сваляха картера ги погледнахме и нямаха проблем.
Може ли да е от тандем помпата.
Може ли да е от тандем помпата.
- ifidik
- Мнения: 1709
- Регистриран на: Пон 05 ное 2007 18:34
- Автомобил: Corrado TDI 4x4
- Двигател:
- Местоположение: Варна
- Контакти:
Re: Ауди а3 2.0тди пд 170кс 2006г тракане като шевна машина
не, не може да е от тандемпомпата, но 2,0 тди без шестограм
,трябва да е гаражно изпълнение
,трябва да е гаражно изпълнениеRe: Ауди а3 2.0тди пд 170кс 2006г тракане като шевна машина
Преди да отворя картера рещих предварително да си взема шестограма защото съм чувал че бил консуматив,поръчах го в Ауто+ по номера на мотора BMN и след малко ми се обадиха да им кажа и номера на рамата и казаха че по рама няма такъв шестограм бил съм с друга помпа.
- ifidik
- Мнения: 1709
- Регистриран на: Пон 05 ное 2007 18:34
- Автомобил: Corrado TDI 4x4
- Двигател:
- Местоположение: Варна
- Контакти:
Re: Ауди а3 2.0тди пд 170кс 2006г тракане като шевна машина
да не обидя някой колега , но поне във варна като си поръчаш части от ауто плюс , уцелват само маслото.
Re: Ауди а3 2.0тди пд 170кс 2006г тракане като шевна машина
2.0 TDI на VW да са със тоя смотан шестограм, а на Audi да не са...
Ай да беше comman-rail щеше да е друго ама, точно па п.д. и то от 2006 година - трябва да е с 77мм шестограм в маслената помпа. Ако е било пипан това е друго. Някой колега с ЕТКА да провери маслената помпа на BMN. Иначе в чертежа на vip65 няма шестограм, ама няма да е зле да погледнат още няколко души 
Ай да беше comman-rail щеше да е друго ама, точно па п.д. и то от 2006 година - трябва да е с 77мм шестограм в маслената помпа. Ако е било пипан това е друго. Някой колега с ЕТКА да провери маслената помпа на BMN. Иначе в чертежа на vip65 няма шестограм, ама няма да е зле да погледнат още няколко души 
- boichopavlov
- Мнения: 215
- Регистриран на: Чет 13 юли 2006 21:37
- Автомобил: Touran
- Двигател: BSX 2006
- Местоположение: Плевен
Re: Ауди а3 2.0тди пд 170кс 2006г тракане като шевна машина
Няма шестограм - със сигурност!
- maimo
- Мнения: 966
- Регистриран на: Пон 12 ное 2007 22:26
- Автомобил: GOLF 5 GTI
- Двигател: AXX-2005
- Местоположение: Варна
Re: Ауди а3 2.0тди пд 170кс 2006г тракане като шевна машина
колеги колата е а3 двигателите са като при голф 5
а не а4 или а6 там вече има балансиращи валове тоест и шестограм.
Re: Ауди а3 2.0тди пд 170кс 2006г тракане като шевна машина
Ами имам приятел с автосервиз и той отваря картера и замерва лагерите и вала.Центровката на ангр.ремък и валовете е ок.На диагностика синхр.на валовете е 0.0.Дюзите на 13канал са и 4 те между 0.– 0.10 след като го смениха преди отиваха и до 0.60.След празниците ше сваляме капака на клапаните да видим валовете и повдигачи.Някои ме съветват да сменя маслото с по-гъсто и да видя какъв ще е ефекта.А някой знае ли как се проверяват тия хидр.повдигачи кои е добър и кои заминал.предполагам че и на място могат да се проверят без да се свалят всичките.
- vasko__2
- Мнения: 1019
- Регистриран на: Чет 19 фев 2009 0:05
- Автомобил:
- Двигател:
- Местоположение: sofia
Re: Ауди а3 2.0тди пд 170кс 2006г тракане като шевна машина
А3, Голф 5 и Шкода не са с този шестограм, нямат и балансиращи валове.
Върни се в “Дизелови агрегати”
Кой е на линия
Потребители, разглеждащи този форум: Няма регистрирани потребители и 79 госта
