Golf MK3 GT 1996г. отново проблеми с ел. стъклата

Техническа и сервизна информация за Golf, Vento, Jetta и Bora
Потребителски аватар
Супер Ицо
Мнения: 279
Регистриран на: Чет 26 сеп 2013 12:27
Автомобил: VW Golf MK4 GTI
Двигател: AUM 2001

Golf MK3 GT 1996г. отново проблеми с ел. стъклата

Мнениеот Супер Ицо » Нед 09 ное 2014 12:24


още през лятото десният заден джамек отказа да работи. днес реших да се побърникам. свалих задните 2 кори и ето какво открих.

мерих на буксата,която влиза в работещият ляв джам. когато не работи колата напрежението е 12/-12V когато е на контакт или запалена 14/-14V. така ок.
мерих на буксата,която влиза в разваленият десен джам. когато не работи колата показва същите стойности като на работещият джам.
реших да меря на онези 5 пластинки,които влизат в бутоните,сложих черният кабел на първата пластина и с червения мерих на останалите четири пластини. и на левият джам и на десният излизат едни и същи стойности като изключим че на 1ва с 3та пластинка има разлика от 2 волта. на работещият джам излиза около 11,12V а на другият 9V. не знам дали това че съм мерил на тези копчета е от значение. дали е изгоряла машинката? по късмет тръгна да се качва нагоре,но само с около 5см. и с някакъв странен звук.
другото,което искам да попитам е какви са тези дупчици,които са отдолу на вратите,по-скоро за какво за предназначени? забелязах че вътре в самата врата има кал :eek прилагам снимки:

http://www.mediafire.com/view/8e2awtxxkft7x74/20141109_114901.jpg
http://www.mediafire.com/view/aiq23paqrar42yf/20141109_114933.jpg

ПС: като свалих корите осъзнах в колко лошо състояние е изолацията на вратата. цялата изпокъсана :neutral от къде мога да си купя нова ако се продава? ако я махна напълно какъв ще е ефекта от това?

Последна промяна от ivostefanov на Нед 09 ное 2014 18:45, променено общо 1 път.
Причина: Придържай се към темата шаблон по стриктно.




Потребителски аватар
ivostefanov
Мнения: 2464
Регистриран на: Нед 04 окт 2009 10:34
Автомобил: Audi A4
Двигател:
Местоположение: София

Re: Golf MK3 GT 1996г. отново проблеми с ел. стъклата

Мнениеот ivostefanov » Нед 09 ное 2014 18:50


Дупчиците са за оттичане на водата която влиза покрай уплътнението ,а ефекта без изолация е че почва да дрънка вратата като празна тенекия от сирене.


Потребителски аватар
Mapoka
Мнения: 494
Регистриран на: Сря 22 ное 2006 15:55
Автомобил: 1992 VW Vento
Двигател: 1.8 ABS
Местоположение: Ямбол

Re: Golf MK3 GT 1996г. отново проблеми с ел. стъклата

Мнениеот Mapoka » Нед 09 ное 2014 19:39


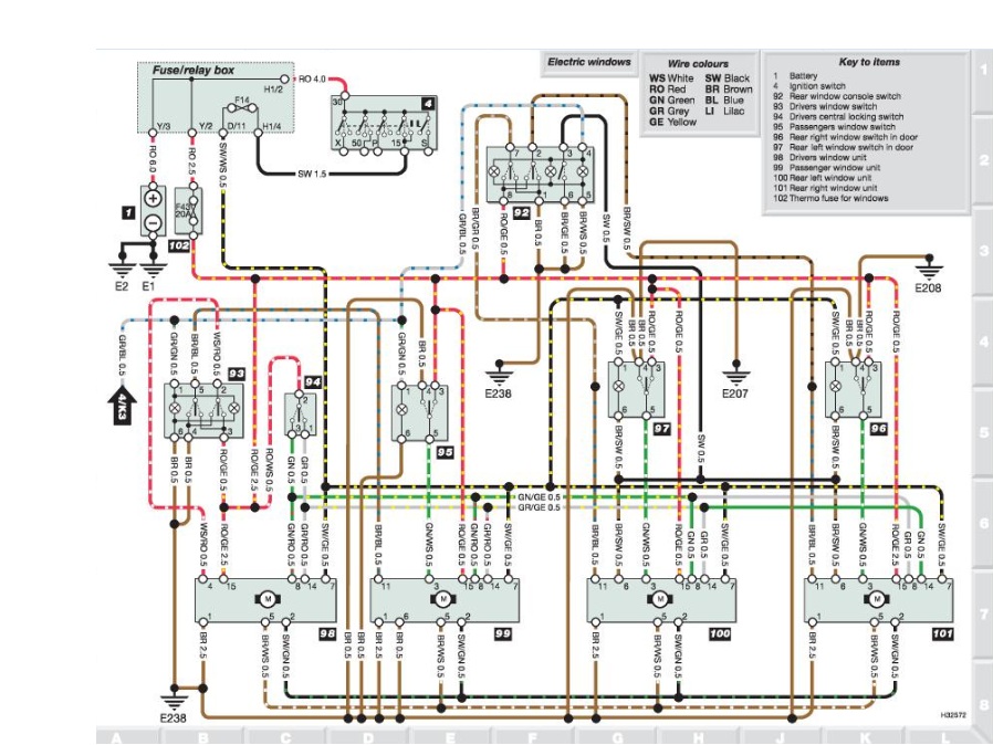
Ето една схема поне да се знае какво се мери точно.
Но иначе най чистия тест е вадиш работещета машинка и я слагаш на буксата на неработещета и то си проличава.
Честно казано не схванах какъв е проблема на 100% но май е това че се движи на степени по през 5 см?
Въпреки че в повечето случаи се късат жилата и се чупят пластмасите, има някога и проблеми в платките но са основно от спукани спойки които си проличават след като свалиш лака на платката.
Във форума има безброй теми само да ти се чете, от ремонт на жилата до ремонт на платките.
Прикачени файлове
Untitled556.jpg


Потребителски аватар
Супер Ицо
Мнения: 279
Регистриран на: Чет 26 сеп 2013 12:27
Автомобил: VW Golf MK4 GTI
Двигател: AUM 2001

Re: Golf MK3 GT 1996г. отново проблеми с ел. стъклата

Мнениеот Супер Ицо » Пон 10 ное 2014 8:58


Значи ще гледам изолациите някак да ги закърпя, че са :scare3 днес ще отида при някое майсторче да каже последната диагноза. Междувременно,докато съм свалил корите,се чудя дали да не започна операция "Тапициране на корите Home Edition" с изкуствена кожа.


Потребителски аватар
Супер Ицо
Мнения: 279
Регистриран на: Чет 26 сеп 2013 12:27
Автомобил: VW Golf MK4 GTI
Двигател: AUM 2001

Re: Golf MK3 GT 1996г. отново проблеми с ел. стъклата

Мнениеот Супер Ицо » Сря 12 ное 2014 10:18


В крайна сметка ще я оправя другата година. Сега съм закрепил прозореца горе,а механизма е долу. Има ли начин да се качи механизма горе без да укрепвам допълнително?



Върни се в “Golf, Vento, Jetta & Bora”

Кой е на линия

Потребители, разглеждащи този форум: Няма регистрирани потребители и 62 госта