
Golf MK4 Ъпгрейд на предни дискове от 256 > 280, 288 > 312мм
- hooligan_sk
- Модератор

- Мнения: 7867
- Регистриран на: Пет 04 апр 2008 20:06
- Автомобил: GLC X254 + Golf MKV GTI
- Двигател: EA113
- Местоположение: София
Re: Ъпгрейд на предни дискове Golf 4 от 256 > 280, 288 > 312мм.
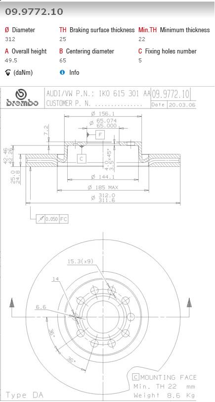
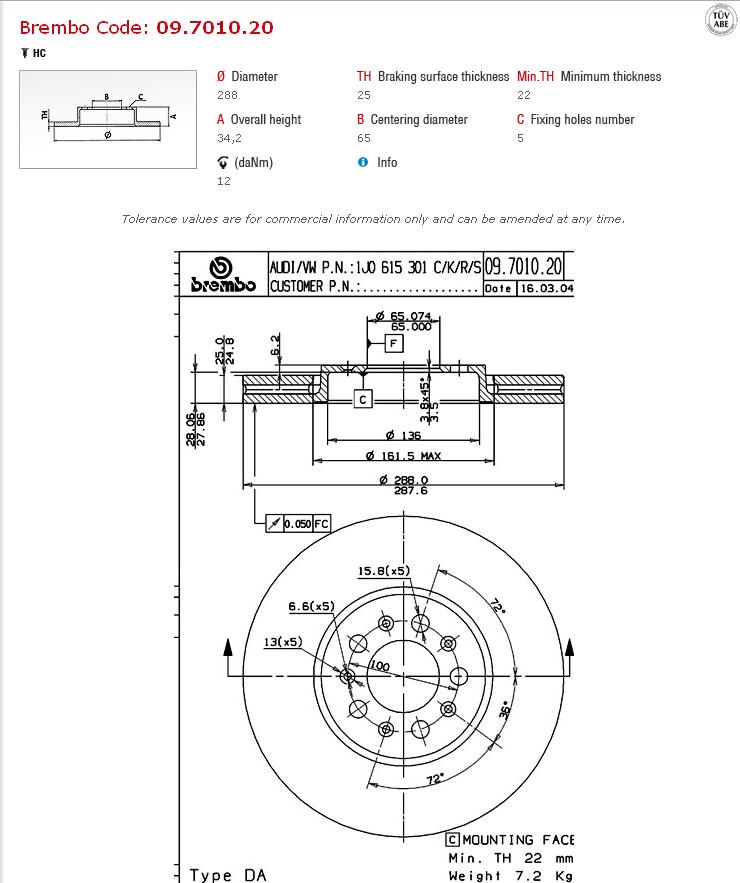
Ок, значи са 288мм, не изглеждат много големи 10Х 

- Fr3nzY
- Мнения: 196
- Регистриран на: Вто 01 яну 2008 22:58
- Автомобил: VW Passat
- Двигател: AFB V6 TDI
- Местоположение: Бургас
Re: Ъпгрейд на предни дискове Golf 4 от 256 > 280, 288 > 312мм.
Колеги инетересуват ме да ли ще станат супортите от пасат 6 2.0тди на пасат 5 2.5тди
понеже в момента съм с дискове 288мм а си взех дискове 312мм разбрах че трябвало само супортите трябвало да се сменят с такива от 312мм.
Казаха ми че
пассат 6 2.0 тди 140кс
и Шкода суперб 2.5 тди 163кс били с дискове 312мм.
понеже в момента съм с дискове 288мм а си взех дискове 312мм разбрах че трябвало само супортите трябвало да се сменят с такива от 312мм.
Казаха ми че
пассат 6 2.0 тди 140кс
и Шкода суперб 2.5 тди 163кс били с дискове 312мм.
Re: Ъпгрейд на предни дискове Golf 4 от 256 > 280, 288 > 312мм.
Търси съпорти от Ауди А6 C5 които са с многорамено окачване като на Пасат B5 и B5.5. За другите несъм сигурен дали ще станат тъй като Passat B6 е с друго окачване.
- Fr3nzY
- Мнения: 196
- Регистриран на: Вто 01 яну 2008 22:58
- Автомобил: VW Passat
- Двигател: AFB V6 TDI
- Местоположение: Бургас
Re: Ъпгрейд на предни дискове Golf 4 от 256 > 280, 288 > 312мм.
Ами благодаря за отговора колега се свързах с двама човека единия с пасат 2.5 2003г каза че дисковете му били 312мм и ще ми прати супортите и ще сраванявам по моите гледах в началото на темата разликата е долу в ушите.иначе като ги гледам двата супорта нямат много голяма очевидна разлика
- yoan4o
- магистрален бандит
- Мнения: 4765
- Регистриран на: Чет 21 авг 2008 16:21
- Автомобил: 2018 Arteon R 335 + 2017 e-Up
- Двигател: Много газ и всичко ток
- Местоположение: София
Re: Ъпгрейд на предни дискове Golf 4 от 256 > 280, 288 > 312мм.
Много добра тема сте заформили.
Понеже така или иначе скоро трябва да сменям придните дискове на ВР6 и много се зачудвам дали да не се метна направо на 312-ки.
Както каза Митачето за тия фланци под дисковете ими ли вариянт да се намерят дискове с ЕТ подходящо като за Г3, щото разликата между сегашните мои 288мм. и тези като зе Г4 е доста голяма.
Ето за Голф 3, с каквито съм в момента
Ето за Голф 4, да се види разликите в ЕТ-то
Ето го и възможния Ъпгрейд
Какви са вариянтите?
Необходимо ли е да помисля и върху някакъв Ъпгрейд на задните?
Понеже така или иначе скоро трябва да сменям придните дискове на ВР6 и много се зачудвам дали да не се метна направо на 312-ки.
Както каза Митачето за тия фланци под дисковете ими ли вариянт да се намерят дискове с ЕТ подходящо като за Г3, щото разликата между сегашните мои 288мм. и тези като зе Г4 е доста голяма.
Ето за Голф 3, с каквито съм в момента
Ето за Голф 4, да се види разликите в ЕТ-то
Ето го и възможния Ъпгрейд
Какви са вариянтите?
Необходимо ли е да помисля и върху някакъв Ъпгрейд на задните?

- iliankocov
- Мнения: 1374
- Регистриран на: Пон 14 май 2007 17:10
- Автомобил: Golf 2 Edition One
- Двигател: PF 1990 NZ 1991 KR 1991 BMP 2007
- Местоположение: Враца
Re: Ъпгрейд на предни дискове Golf 4 от 256 > 280, 288 > 312мм.
не по темата, но някой може ли да каже за голф 1.6 101 коня колко мм са предните дискове? Благодаря!
- Burner_inc
- Мнения: 692
- Регистриран на: Съб 28 фев 2009 17:20
- Автомобил: Touran Kawasaki Versys 1000
- Двигател: BLS 2009
- Местоположение: София
- Aprilia
- Мнения: 1300
- Регистриран на: Съб 15 мар 2008 0:44
- Автомобил:
- Двигател:
- Местоположение: Торино, Италия
Re: Ъпгрейд на предни дискове Golf 4 от 256 > 280, 288 > 312мм.
Колеги, някой знае ли какво ще ми трябва, за да сложа апарати Порше (от 911) на Голф 4 който в момента е с ФС3 за шенкели работата е ясна, шенкели, съпорти (специални правени до колкото разбрах в ибей се намирали) както и дискове, за дисковете не намерих инфо, ще мога ли да ползвам дисковете 312мм които са в момента монтирани на шенкелите или тряба да взема по-големи
Както и всякакви спирачни апарати от Порше ли стават, кои апарати трябва да взема от донора, предни или задни. Някой ако е правил този суап или е виждал по чуждите форуми инфо по темата, ако може да подскаже че ми е спешно, цената на апаратите е такава че няма да се задържат дълго
Както и всякакви спирачни апарати от Порше ли стават, кои апарати трябва да взема от донора, предни или задни. Някой ако е правил този суап или е виждал по чуждите форуми инфо по темата, ако може да подскаже че ми е спешно, цената на апаратите е такава че няма да се задържат дълго

- racing_team_vidin
- Мнения: 1840
- Регистриран на: Съб 09 фев 2008 2:34
- Автомобил: BMW E65 Sport Package
- Двигател:
- Местоположение: Видин
Re: Ъпгрейд на предни дискове Golf 4 от 256 > 280, 288 > 312мм.
като за начало и при поршето има разлика в апаратите, 4-6 бутални предни задни и т.н избираш даден апарат ( аз ти препоръчвам 4 бутален) няма значение дали преден или заден, сам каза шенкела е ясно, та вземаш 312 налагаш на главината, слагаш апарата и си правиш чертеж за адаптора който закрепва апарата (при този тип апарати няма съпорт). Може да има някъде в нета и размери за този тип адаптери, все пак 312 е доста използван при такива конверсии
- Aprilia
- Мнения: 1300
- Регистриран на: Съб 15 мар 2008 0:44
- Автомобил:
- Двигател:
- Местоположение: Торино, Италия
Re: Ъпгрейд на предни дискове Golf 4 от 256 > 280, 288 > 312мм.
утре като огледам по-подробно поршето (че и за модела не съм сигурен дали е този) ще кажа какви са апаратите да видим какво може да се направи 

- masterOne
- Мнения: 22
- Регистриран на: Пон 20 дек 2010 11:15
- Автомобил: Skoda Octavia Mk1 - 435 hp
- Двигател: AGU
- Местоположение: София
Re: Ъпгрейд на предни дискове Golf 4 от 256 > 280, 288 > 312мм.
Здравейте, поздрави за полезната тема
Понеже искам да слaгам апарати от Porsche Boxter 4-бутални, има ли някой към който да се обърна за съдействие по приспособяването им? Става въпрос за Октавия МК1 1.8Т, в момента съм с 288 мм и искам да мина на 312 мм но с по-добри апарати
Става въпрос за тези:
Понеже искам да слaгам апарати от Porsche Boxter 4-бутални, има ли някой към който да се обърна за съдействие по приспособяването им? Става въпрос за Октавия МК1 1.8Т, в момента съм с 288 мм и искам да мина на 312 мм но с по-добри апарати
Става въпрос за тези:
- Sashko_Trg
- Мнения: 2756
- Регистриран на: Вто 10 мар 2009 18:38
- Автомобил: Audi A4 Avant
- Двигател: 2 0 TDI
- Местоположение: Търговище
Re: Ъпгрейд на предни дискове Golf 4 от 256 > 280, 288 > 312мм.
Нещо аз и аз взех да се надъхвам да сменям дискове, нищо че моите им няма нищо, но не мога да разбера моите на колко са 256 или 288 ?
- 6669
- Мнения: 3133
- Регистриран на: Чет 21 юни 2007 20:35
- Автомобил: VW Golf IV GTI TDI Exclusive
- Двигател: AHF 1999
- Местоположение: Асеновград
Re: Ъпгрейд на предни дискове Golf 4 от 256 > 280, 288 > 312мм.
Sashko_Trg написа:Нещо аз и аз взех да се надъхвам да сменям дискове, нищо че моите им няма нищо, но не мога да разбера моите на колко са 256 или 288 ?
Ако не е правено нищо по колата - 280мм ФС3 апарат

- Sashko_Trg
- Мнения: 2756
- Регистриран на: Вто 10 мар 2009 18:38
- Автомобил: Audi A4 Avant
- Двигател: 2 0 TDI
- Местоположение: Търговище
Re: Ъпгрейд на предни дискове Golf 4 от 256 > 280, 288 > 312мм.
мхм е уш не е превено, и до колко разбрах в другите коментари, ако сложа на 288 няма да има голяма разлика и трябва направо на 312.
- hooligan_sk
- Модератор

- Мнения: 7867
- Регистриран на: Пет 04 апр 2008 20:06
- Автомобил: GLC X254 + Golf MKV GTI
- Двигател: EA113
- Местоположение: София
Re: Ъпгрейд на предни дискове Golf 4 от 256 > 280, 288 > 312мм.
Sashko_Trg написа:мхм е уш не е превено, и до колко разбрах в другите коментари, ако сложа на 288 няма да има голяма разлика и трябва направо на 312.
Правилно си разбрал
Колегите които инициираха темата са имали проблем с 280мм дискове, но се оказа че проблема не е точно в тях. Аз лично се разубедих от този ъпгрейд след като забелязах, че 2/3 от голф МК6 които виждам по улиците са именно с ФС3-280мм. Такаче скачай направо на 312мм ако ще ъпгрейдваш 
Върни се в “Golf, Vento, Jetta & Bora”
Кой е на линия
Потребители, разглеждащи този форум: Няма регистрирани потребители и 100 госта