
от ръчни кам ел стакла с
- kokito_1985
- Мнения: 113
- Регистриран на: Чет 16 окт 2008 10:14
- Автомобил: audi 90 coupe
- Двигател: 6a 1992
- Местоположение: Габрово
от ръчни кам ел стакла с
здавеите колеги купих си ела стакла с комфорт модул за голф3 и започнах да ги слагам след като ми обесниха че всичко си пасва след нчколко часа останових че моят голф няма кабели за ел стакла и сега си имам ел стакла които немога да сваржа ако някои може да омогне ще му бада благодарен нещо като ел. схема че са много кабелите и маи много се набутах 

- alex_zazy
- Мнения: 1045
- Регистриран на: Пет 20 юни 2008 6:56
- Автомобил:
- Двигател:
- Местоположение: Плевен Golf 2 GTI 8v 1990г. черен брикет!
Re: от ръчни кам ел стакла с
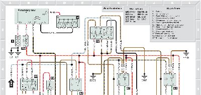
Ето схема на връзването на машинките и копчетата, дато ти е от полза, на две части е защото е голяма снимката.
- kokito_1985
- Мнения: 113
- Регистриран на: Чет 16 окт 2008 10:14
- Автомобил: audi 90 coupe
- Двигател: 6a 1992
- Местоположение: Габрово
Re: от ръчни кам ел стакла с
много сам ти благодарен колега


- alex_zazy
- Мнения: 1045
- Регистриран на: Пет 20 юни 2008 6:56
- Автомобил:
- Двигател:
- Местоположение: Плевен Golf 2 GTI 8v 1990г. черен брикет!
Re: от ръчни кам ел стакла с
Нали за това е форума, да си помагаме!
- kokito_1985
- Мнения: 113
- Регистриран на: Чет 16 окт 2008 10:14
- Автомобил: audi 90 coupe
- Двигател: 6a 1992
- Местоположение: Габрово
Re: от ръчни кам ел стакла с
колеги вече поставих шофьорското стакло но само цъка и не трагва а като поставч буксата на другото варви без проблем ако някои има предложения нека пише благодаря предварително
- kokito_1985
- Мнения: 113
- Регистриран на: Чет 16 окт 2008 10:14
- Автомобил: audi 90 coupe
- Двигател: 6a 1992
- Местоположение: Габрово
Re: от ръчни кам ел стакла с
незнам дали е вазможно модула на шофиорското стакло е по различен от другия защото другия мотор на пасажера работи на шофиорската врата а модула на шофиора само цака и като не е закачен пасажерското стакло и да оказва влиание на шофиорското ако нчкои се е занимавал нека даде савет
-
andro_
- Мнения: 5389
- Регистриран на: Сря 22 мар 2006 19:23
- Автомобил:
- Двигател:
- Местоположение: Пловдив
Re: от ръчни кам ел стакла с
Щом цъка ,значи се претоварва моторчето и изключва.
Пробвай да разкачиш прозореца от скобите,дръж го или с ръце или го подпри с отвертка отдолу през някоя дупка (има подходящи) и виж дали механизма ще се движи нагоре-надолу без стъклото.
Ако да - значи стъклото иска правилно наместване в скобите и ще тръгне.
Пробвай да разкачиш прозореца от скобите,дръж го или с ръце или го подпри с отвертка отдолу през някоя дупка (има подходящи) и виж дали механизма ще се движи нагоре-надолу без стъклото.
Ако да - значи стъклото иска правилно наместване в скобите и ще тръгне.
- kokito_1985
- Мнения: 113
- Регистриран на: Чет 16 окт 2008 10:14
- Автомобил: audi 90 coupe
- Двигател: 6a 1992
- Местоположение: Габрово
Re: от ръчни кам ел стакла с
стаклото беше в краино долно оложение иаз го дигнах като отворих машинката и махнах модула и подадох ток дирекно на мотора след това ч зглобих и сега само цака нито нагоре нито надоло само цака а като сварйа другото моторче от дясната вратаа работи незнам дали трябва да е прекарана исталация и за дясната врата тъи като още не сам стигнал до там
- kokito_1985
- Мнения: 113
- Регистриран на: Чет 16 окт 2008 10:14
- Автомобил: audi 90 coupe
- Двигател: 6a 1992
- Местоположение: Габрово
Re: от ръчни кам ел стакла с
открих го изгорял модула 

- batkotivalio
- Мнения: 597
- Регистриран на: Съб 12 май 2007 20:56
- Автомобил: VW Golf TDI
- Двигател: AJM
- Местоположение: София
- Контакти:
Re: от ръчни кам ел стакла с
Е кога го сложи кога изгоре...
Върни се в “Golf, Vento, Jetta & Bora”
Кой е на линия
Потребители, разглеждащи този форум: Няма регистрирани потребители и 58 госта