Трябва ли да го намистам на белезите за центровка или е достатачно само да бележа ремъкът и ролките за да не прескоча някой зъб случайно.
Как става самото вадене? Трябват ли спец. инструменти или просто се издърпват и на тяхно място се слагат новите.
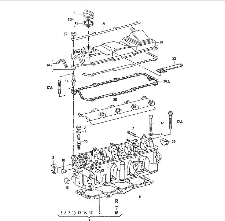
Четох тук във форума че за гарнитурата е хубаво да се топне във топла вода за няколко минути. За всеки случай съм купил две "коркови"

Болтовете на капаците на раз. вал се стягат със 20 Нм. Имали последователност при развиването и затягането на болтовете. Знам че на главата се затягат на кръст и тук ли е така? Макар че не би трябвало

Трябвали да налея масло под повдигачите преди да ги сложа?
Абе каквото се сетите ще ми е от полза.