Лампата за маслото на Голф 4

Техническа и сервизна информация за Golf, Vento, Jetta и Bora
kosn
Мнения: 9
Регистриран на: Нед 31 окт 2010 19:48
Автомобил:
Двигател:
Местоположение: София

Лампата за маслото на Голф 4

Мнениеот kosn » Съб 06 ное 2010 18:48


Здравейте,
Имам Голф 4 1.8 20V 99г. и ми светна "писна" лампата за маслото на един наклон. Нивото в двигателя доколкото виждам е нормално и понеже забелязах че имам теч на някакъв датчик който се намира до хидравличната помпа искам да ви питам възможно ли е колата всъщноста да няма хидравлично масло, а не двигателно, т. е. лампата за маслото на двигателя и това за маслото хидравлика, даже сега се сетих че най-вероятно имам и датчик на скоростите.... една и съща ли е?
Ако остана без масло в хидравликата или в скоростите или в двигателя, една и съща лампа ли ще светне?
Благодаря ви предварително за отговорите :)




Потребителски аватар
pedalchobaba
Мнения: 1430
Регистриран на: Вто 01 юли 2008 14:30
Автомобил:
Двигател:
Местоположение: София

Re: Лампата за маслото на Голф 4

Мнениеот pedalchobaba » Съб 06 ное 2010 19:08


Скоростите и хидравликата на Голф 4 нямат датчик за нивото на маслото.
За двигателя, контролната лампа за паднало под минимума ниво свети в жълто на табла с Immo ІІІ, но твоето не е такова щом е '99.
Лампата, която ти е "писнала" сигнализира за налягане под критичния минимум в маслената система на двигателя.
Възможно е да имаш масло в мотора и все пак да покаже, че нямаш налягане по една или друга причина.


kosn
Мнения: 9
Регистриран на: Нед 31 окт 2010 19:48
Автомобил:
Двигател:
Местоположение: София

Re: Лампата за маслото на Голф 4

Мнениеот kosn » Съб 06 ное 2010 20:13


А какъв е този датчик който е над хидравличната помпа (най-предната ролка - поне така ми се видя :)) на двигателя?


kosn
Мнения: 9
Регистриран на: Нед 31 окт 2010 19:48
Автомобил:
Двигател:
Местоположение: София

Re: Лампата за маслото на Голф 4

Мнениеот kosn » Нед 07 ное 2010 8:36


И на мен ми се е случвало да сменявам пробити датчици, иначе го видях, наистина е за хидравликата управлява празния ход в зависимост от натоварването на волана но не ми се вярва да е от него.
Пфууу... а пак да са износени лагерите на коляновия вал ... :shock този двигател си работи добре, въобще не пуши, не тропа... Толкова лесно ли ги износват?


kosn
Мнения: 9
Регистриран на: Нед 31 окт 2010 19:48
Автомобил:
Двигател:
Местоположение: София

Re: Лампата за маслото на Голф 4

Мнениеот kosn » Нед 14 ное 2010 8:59


Дайте някой сервиз на VW около Дружба, дето ще ми измерят налягане на маслото


Потребителски аватар
moreg
Мнения: 489
Регистриран на: Вто 03 апр 2007 18:59
Автомобил: VW Golf 2
Двигател: KR
Местоположение: София
Контакти:

Re: Лампата за маслото на Голф 4

Мнениеот moreg » Нед 14 ное 2010 10:14


kosn написа:Дайте някой сервиз на VW около Дружба, дето ще ми измерят налягане на маслото

Юнитрейд-x


kosn
Мнения: 9
Регистриран на: Нед 31 окт 2010 19:48
Автомобил:
Двигател:
Местоположение: София

Re: Лампата за маслото на Голф 4

Мнениеот kosn » Нед 14 ное 2010 12:14


moreg написа:Юнитрейд-x

60лв на човеко-час... ае нема нужда, сам ше си направя манометър за тези пари даже ще си го вградя на таблото да ми показва постоянно във вечноста :)!
Няма ли някой нормален сервиз за Фолксвагени?


kosn
Мнения: 9
Регистриран на: Нед 31 окт 2010 19:48
Автомобил:
Двигател:
Местоположение: София

Re: Лампата за маслото на Голф 4

Мнениеот kosn » Пет 26 ное 2010 7:56


Ходих да и меря налягането на маслото и се оказа че е на границата на "лампата", казаха ми уж лагери на коляновия вал, защото налягането падало бързо, но две сутрини вече ми светва и на студен двигател? Може и да не са лагери, а помпа или нещо друго за да свети и на студено...
Нямаше ли някаква вата на сондата на картера която се задръства?


Потребителски аватар
bobocamaro
R.I.P
Мнения: 7510
Регистриран на: Вто 01 юли 2008 16:21
Автомобил: Golf 3 GTI
Двигател: 2E
Местоположение: София

Re: Лампата за маслото на Голф 4

Мнениеот bobocamaro » Пет 26 ное 2010 11:21


kosn написа: Нямаше ли някаква вата на сондата на картера която се задръства?

Цедка е колега, метална мрежа.Дано да е от нея.Или от неподходящо масло-какво е налято в мотора?


kosn
Мнения: 9
Регистриран на: Нед 31 окт 2010 19:48
Автомобил:
Двигател:
Местоположение: София

Re: Лампата за маслото на Голф 4

Мнениеот kosn » Пет 26 ное 2010 17:24


bobocamaro написа:Цедка е колега, метална мрежа.Дано да е от нея.Или от неподходящо масло-какво е налято в мотора?


10W40 не е от маслото смених го, случва ли се тази цедка да се запушва?

Последна промяна от kosn на Пет 26 ное 2010 22:27, променено общо 1 път.


Потребителски аватар
bobocamaro
R.I.P
Мнения: 7510
Регистриран на: Вто 01 юли 2008 16:21
Автомобил: Golf 3 GTI
Двигател: 2E
Местоположение: София

Re: Лампата за маслото на Голф 4

Мнениеот bobocamaro » Пет 26 ное 2010 18:13


kosn написа: случва ли се тази цедка да се запушва?

Да разбира се.Пак ти пожелавам в нея да е проблема-за да е най-евтин ремонта по колата :beer


kosn
Мнения: 9
Регистриран на: Нед 31 окт 2010 19:48
Автомобил:
Двигател:
Местоположение: София

Re: Лампата за маслото на Голф 4

Мнениеот kosn » Нед 05 дек 2010 12:40


Смакнахме картера, вътре имаше една топка нагар (като пластмасови стърготини) умесено с нещо подбно на "болкит", целия картер и пластмасовият оражател от долу беше в нагар, цедката също беше запушена, е изчистихме го, смених маслото, което беше на 1500км и маслен филтър и съответно лампата на 140 пак ми светна... mhihi деееба гадниу Голф!


Потребителски аватар
marrs
Мнения: 329
Регистриран на: Пон 16 яну 2006 23:17
Автомобил:
Двигател:
Местоположение: София
Контакти:

Re: Лампата за маслото на Голф 4

Мнениеот marrs » Нед 05 дек 2010 19:44


маслена помпа и лагери . Проверихте ли клапана за високо налягане там се събират много ла..а .


Потребителски аватар
idbeast
Мнения: 10
Регистриран на: Нед 14 ное 2010 20:52
Автомобил: Skoda Superb III
Двигател:
Местоположение: Русе

Re: Лампата за маслото на Голф 4

Мнениеот idbeast » Вто 07 дек 2010 9:24


Да не стане като в тази тема:

http://www.vwclub.bg/forum/viewtopic.php?f=5&t=232267

Първо само невинно примигва лампата за маслото...


Потребителски аватар
pedalchobaba
Мнения: 1430
Регистриран на: Вто 01 юли 2008 14:30
Автомобил:
Двигател:
Местоположение: София

Re: Лампата за маслото на Голф 4

Мнениеот pedalchobaba » Вто 07 дек 2010 15:33


Idbeast, темата която си цитирал няма, ама няма абсолютно нищо общо с проблема на колегата.
Знаеш ли изобщо какво е Oil Sludge и кога се появява? Още повече, колегата е свалял картера ....
Както и да е. И без това никой в този форум не чете какво са писали другите. Важното е да има мнения ...
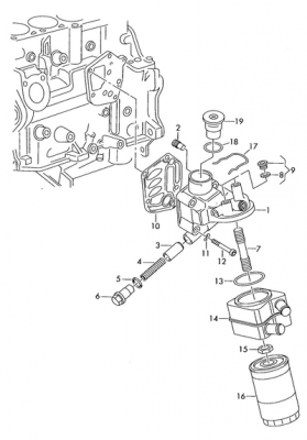
Колега Кosn, провери изравняващия клапан (3). Може пък да му блокира пружината (4) и да не затваря като падне вискозитета на маслото. Нали на душа на помпата казваш е имало боклуци?
Смени и масления филтър. Той поне е десетина кинта.
Прикачени файлове
194115500.png



Върни се в “Golf, Vento, Jetta & Bora”

Кой е на линия

Потребители, разглеждащи този форум: nako0606 и 66 госта