г3 1.8авс бърка центровката
г3 1.8авс бърка центровката
колеги отново проблем с моя голф значи според мен нещо и бърка центровката вчера е карах но маистор да е видат направиха е на 6 градоса предварение при което колата не варвеше какта трябва завартях и делхото като и дадох още малко предварение при това положение на делхото колата беше перфектна тази сутрен всичко беше нормолно но вечерта като запалих не иска да работи кокто преди завартях и малко делхото посока предварение и се оправи даите някоя идея какво да я правя Блягодаря ви предварително
-
danko_f4
- Мнения: 19
- Регистриран на: Нед 16 мар 2008 19:24
- Автомобил:
- Двигател:
- Местоположение: Роман
Re: г3 1.8авс бърка центровката
най-вероятно ти се е прецакало колелото на коляновия вал ,защото там имат склонност да се разбиват в леглото където ляга шпонката. Можеш да провериш и как ти идват белезите на агренажния ремък,понеже ако е разбито като поставиш коляновия вал на белег(маховика), белега на разпределителния вал идва на междузъбие.А най-сигурния е като свалиш колелото на коляновия вал.
-
keymaker
- Мнения: 822
- Регистриран на: Съб 07 юни 2008 20:43
- Автомобил: Passat+T4
- Двигател: ABS+AAB
- Местоположение: София /с. Мусачево -гр.Елин Пелин
Re: г3 1.8авс бърка центровката
нещо ГАЗ-мас-оцет такива горива? На моя пасат от газта си местеше центровката сам поради разлика в показанията на ламбда сондата след откачане на клемата на акумулатора за 1-2мин. се отравяше и така за 1-ден и после пак същата процедура.
- joker
- Мнения: 5889
- Регистриран на: Вто 21 ное 2006 10:38
- Автомобил: Golf 3 Variant _Golf4 Variant
- Двигател: 1800 ABS _1900 TDI AHF
- Местоположение: Варна
Re: г3 1.8авс бърка центровката
Как правите центровки на ръка при кола с компютър????Как "бутате делкото"...може някога на Ладите да е ставало,ама на Г3(колкото и стар да е в сравнение ссъс съвременните коли) не става.Казано е:Първо компютъра в сервизен режим,после стробоскоп... разхлабването и мърдането дори с не повече от мм на делкото може да ти захвърли градусите точно натам накъдето не искаш.
- megatone
- Мнения: 486
- Регистриран на: Нед 20 яну 2008 15:05
- Автомобил: Golf 3 1.8 ABS
- Двигател:
- Местоположение: София
- Контакти:
Re: г3 1.8авс бърка центровката
На какъв език пишеш?stoqn1 написа: вчера е карах но маистор да е видат направиха е на 6 градоса
- vit_autosofia
- Мнения: 2542
- Регистриран на: Нед 20 фев 2005 8:13
- Автомобил: Мерцедес W210 2002г
- Двигател: 2700CDI
- Местоположение: Орланденбург
- Контакти:
Re: г3 1.8авс бърка центровката
joker написа:Как правите центровки на ръка при кола с компютър????Как "бутате делкото"...може някога на Ладите да е ставало,ама на Г3(колкото и стар да е в сравнение ссъс съвременните коли) не става.Казано е:Първо компютъра в сервизен режим,после стробоскоп... разхлабването и мърдането дори с не повече от мм на делкото може да ти захвърли градусите точно натам накъдето не искаш.
подкрепям мнението на joker

- zfa159
- Мнения: 7920
- Регистриран на: Сря 31 яну 2007 12:16
- Автомобил: Skoda Karoq FL + Passat B4 Syncro
- Двигател: DXRB AGG
- Местоположение: София
- Контакти:
Re: г3 1.8авс бърка центровката
За междузъбието - общо взето 99 % от тези двигатели идва по средата на зъ на разпр. вал,защото белега е на пластмасов капак,който малко или много с течение на времето се криви и т.н. и това дава отражение на мястото на белега му и от там идва разминаването.Ако разминаването е зъб,два,три,тогава има причина за притеснение. Общо взето често дори без да има проблем с шпонката,при 0 градуса на маховика,отпред белега на шайбата е леко разминат с белега на капака на ангренажа и подобно разминаване се вижда и горе на разпр. вал.За това най-точно е и със стробоскоп-а да се гледа отзад на маховика (там са два белега - черта за 6 градуса предварение и " 0 " за ГМТ ).


-
emo-gar
- Мнения: 3443
- Регистриран на: Съб 16 сеп 2006 23:13
- Автомобил:
- Двигател:
- Местоположение: София,Lantra 1.5 ,Golf 3-ABS,Vento-R.I.P.
Re: г3 1.8авс бърка центровката
Със същия мотор(1.8 abs) имам следните наблюдения:при "закъснение" колата няма добър "респонс" при форсиране,а при рязко отнемане на газта се случва и "пукане" в ауспуха-недоизгорели газове,оборотите за секунда-две падат под нормалните за п.х.,после се възстановяват.
При "изпреварване",след форсиране оборотите бавно падат до номиналните за п.х. и стоят леко повишени.
Понеже бутах по междинния вал,та затова си правих експерименти.Трябва си "сервизен" режим,за да не мести компа динамично "изпреварването".Има описани начини за тая процедура чрез K/L(моите букси са такива) линията,но нещо не смея да окъсявам,защото има и изгорени компове след това.Чрез изключване на термо-сензора не се получава.Иначе си имам стробоскоп(hand made,тестван многократно).
Някак го нацелих ,за сега е приемливо,но трябва да се погледне ....може и да си направя един Ел-кон..
Други наблюдения относно този "ъгъл":всъщност компа прави само функция "закъснение" от зададения механично начален ъгъл,няма как да даде "изпреварване" на не-дошъл още сигнал от Хол-сензора.И по този начин ъгълът се движи между началния и "0".Колко и как-зависи от обороти,температура и кислороден датчик(ламбда).Хич не е просто,въпреки привидната елементарност на системката.Само не ми е ясно,конкретно за този мотор,как VAG-COM ще хване текущия ъгъл,като няма сензор за ГМТ,явно е заложено нещо аритметично...май само серв.режим се постига,а оттук натам-лампата и някакви данни на колко оборота-какъв да е ъгълът.Т.е. маркера се докарва,но и оборотите в този момент трябва да са около 900.
В тоя ред на мисли..абе заправил съм един "самоделка-комутатор",схемата е ясна,но някой мерил ли е формата на импулсите -средния пин на оригинален комутатор.Ниво на сигнала,положителен(0-1) или отрицателен (1-0)е фронта на импулса?Мисля да "сготвя" един хибрид..вечен!
При "изпреварване",след форсиране оборотите бавно падат до номиналните за п.х. и стоят леко повишени.
Понеже бутах по междинния вал,та затова си правих експерименти.Трябва си "сервизен" режим,за да не мести компа динамично "изпреварването".Има описани начини за тая процедура чрез K/L(моите букси са такива) линията,но нещо не смея да окъсявам,защото има и изгорени компове след това.Чрез изключване на термо-сензора не се получава.Иначе си имам стробоскоп(hand made,тестван многократно).
Някак го нацелих ,за сега е приемливо,но трябва да се погледне ....може и да си направя един Ел-кон..
Други наблюдения относно този "ъгъл":всъщност компа прави само функция "закъснение" от зададения механично начален ъгъл,няма как да даде "изпреварване" на не-дошъл още сигнал от Хол-сензора.И по този начин ъгълът се движи между началния и "0".Колко и как-зависи от обороти,температура и кислороден датчик(ламбда).Хич не е просто,въпреки привидната елементарност на системката.Само не ми е ясно,конкретно за този мотор,как VAG-COM ще хване текущия ъгъл,като няма сензор за ГМТ,явно е заложено нещо аритметично...май само серв.режим се постига,а оттук натам-лампата и някакви данни на колко оборота-какъв да е ъгълът.Т.е. маркера се докарва,но и оборотите в този момент трябва да са около 900.
В тоя ред на мисли..абе заправил съм един "самоделка-комутатор",схемата е ясна,но някой мерил ли е формата на импулсите -средния пин на оригинален комутатор.Ниво на сигнала,положителен(0-1) или отрицателен (1-0)е фронта на импулса?Мисля да "сготвя" един хибрид..вечен!
Re: г3 1.8авс бърка центровката
В тоя ред на мисли..абе заправил съм един "самоделка-комутатор",схемата е ясна,но някой мерил ли е формата на импулсите -средния пин на оригинален комутатор.Ниво на сигнала,положителен(0-1) или отрицателен (1-0)е фронта на импулса?Мисля да "сготвя" един хибрид..вечен![/quote]
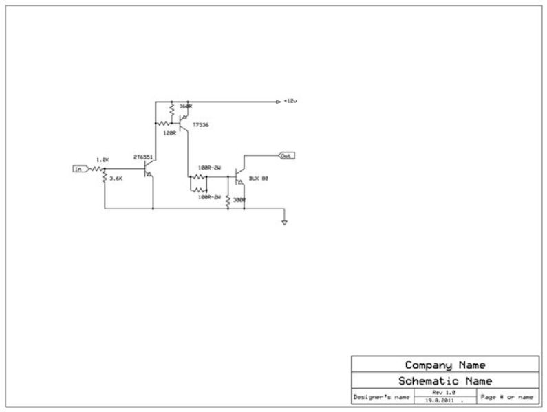
При отпушване-маса за момент.При запушване +12в докато е запушен.В оригиналния не е помислено за запушването на силовия транзистор и това го прави ЕЦУ-то.Сигналите са аналогови а не цифрови и +12в са причината да не може да се пробва комутатора без да се пререже средният извод или да му се направи външна постановка.Този сигнал трябва да го имаш впредвид като правиш комутатора.В твоя случай добра работа ще ти свърши едно електронно запалване с 6-7 елемента в него и обикновена не нискоиндуктивна бобина.Поздрави
Ето едно много просто схемно решение работило 17г на моята кола без нито един дефект
При отпушване-маса за момент.При запушване +12в докато е запушен.В оригиналния не е помислено за запушването на силовия транзистор и това го прави ЕЦУ-то.Сигналите са аналогови а не цифрови и +12в са причината да не може да се пробва комутатора без да се пререже средният извод или да му се направи външна постановка.Този сигнал трябва да го имаш впредвид като правиш комутатора.В твоя случай добра работа ще ти свърши едно електронно запалване с 6-7 елемента в него и обикновена не нискоиндуктивна бобина.Поздрави

Ето едно много просто схемно решение работило 17г на моята кола без нито един дефект
Последна промяна от Bioside на Пет 19 авг 2011 16:58, променено общо 1 път.
-
emo-gar
- Мнения: 3443
- Регистриран на: Съб 16 сеп 2006 23:13
- Автомобил:
- Двигател:
- Местоположение: София,Lantra 1.5 ,Golf 3-ABS,Vento-R.I.P.
Re: г3 1.8авс бърка центровката
Мерси за инфото,ще го оправя това с "висящият" вход на комутатора,в схемичката мога да си променя входната верига.Идеята ми е да накарам това устройство да работи в "многоискров режим"-т.е.получава се пакет искри,а не само една.Има и една по-сложна схема-там се регулира продължителността на искрата-като светне и се създава условие за поддържане на дъгата в диапазон до 1,5милисекунди.Просто си намерих един мой стар проект,пробан на всякакви возила поне от 15 години,без дефект.Проблемно е и преправянето на бобината,ще се слага друга....ама и дъга >30киловолта си е сила.Цялото това нещо няма да нарушава съществуващото управление,само малко повечко място иска(щото ги правя "болшой,но здравой!")
Значи при вход "-" се "отпушва" комутатора-протича ток през първичната на бобината и се акумулира индуктивна енергия,при вход +12 волта от компа,следва запушване-прекъсване на тока през първична,следва искра ..т.е.не се различава от познатите принципи,дори и "чуковите" са така.Остава да се знае и товароносимостта на комповият изход,мисля да понесе 20-30милиампера.
Значи при вход "-" се "отпушва" комутатора-протича ток през първичната на бобината и се акумулира индуктивна енергия,при вход +12 волта от компа,следва запушване-прекъсване на тока през първична,следва искра ..т.е.не се различава от познатите принципи,дори и "чуковите" са така.Остава да се знае и товароносимостта на комповият изход,мисля да понесе 20-30милиампера.
-
emo-gar
- Мнения: 3443
- Регистриран на: Съб 16 сеп 2006 23:13
- Автомобил:
- Двигател:
- Местоположение: София,Lantra 1.5 ,Golf 3-ABS,Vento-R.I.P.
Re: г3 1.8авс бърка центровката
Bioside написа:Точно така но при чукчето +12в липсва.Т.е. При отворено няма никой
Това е ясно:отворен "чук"="запушен" комутатор.Чукът замества цялото това безобразие (Хол+комутатор).
Много съм харесал една бобинка от Вартбург за проекта,мъничка и при това "фърга" страшна искра.Само не знам как ще се държи сама(щото иначе са 3 при стария "германец"),доста ще се напече.Иначе е пробано с проста ладова-работи,ма гоУемаа..
Ей така свети:
http://www.youtube.com/user/emogar30?blend=1&ob=5
Върни се в “Golf, Vento, Jetta & Bora”
Кой е на линия
Потребители, разглеждащи този форум: Няма регистрирани потребители и 74 госта