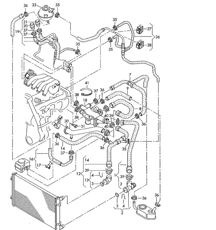
Колеги, голфчето е 1.9ТДИ ASV мотор ако има значение. Питането ми е как да обезвъздуша радиаторчето, защото мисля, че трябва да духа доста по-топло. Возих се в една дизелова астра Г и буквално на макс топло ми подпалваше ръцете. Не мога да кажа дали е сменявано радиаторчето, но ми прави впечатление, че на студено сякаш чувам водата, преминаваща през него. Не ми омазнява стъклата, не ми губи антифриз, парно си има, но и да оставя сравнението с астрата мисля, че може повече. Четох каквото намерих, но не ми стана ясна процедурата в 4-5 стъпки как е.
П.П. Не съм сигурен дали не съм за дизелджийския подраздел и за това ако е така моля модераторите за я преместят.
