Здравейте,
имам следния проблем, приемам всякакви мнения, дано някой помогне.
Преди 2 седмици се разтропа яко задницата, шума се чува откъм задния десен амортисьор в горната част.
Карах малко , и я гарирах пред блока.
Вчера свалих амортисьора да го огледам и се оказа че едната гайка която държи чашката под тампона не се задържа за стеблото ( явно се е отчупила някаква контра там ) и тапмона заедно с чашката , заедно с шок тампона свободно халтавят нагоре надолу по стеблото. ( ако намеря картинка ще пусна за по добра илюстрация ).
Вчера нямах време и желание затова закачих амортисьора обратно като си мислех че това е дребен проблем. Мислех си да я карам така 100на км в Пловдив, там по имам условия и да споя една контра на амортисьора, или не знам.
Обаче от снощи нещо ме терзае и като се замислих, тя работата е по сериозна - тази гайка може би държи цялото стъбло при движението му нагоре, и ако карам още малко може и вземе амортисьора да цъфне в купето.
Иначе самия аморт. няма проблем, преди 1.5 година ги сменях задните, с нови билщайн.
Кажете може ли да се кара така, какъв е лека за тая болест ако някой знае ( освен смяна да 2 амортисьора ) , може ли да се завари някаква контра за стъблото.
Благодаря предварително.
Проблем със заден амортисьор
- Winner25
- Мнения: 7339
- Регистриран на: Пон 14 мар 2005 15:33
- Автомобил: VW Passat B4 B6
- Двигател: ABS BKC
- Местоположение: Казанлък
Re: Проблем със заден амортисьор
За какъв пасат става въпрос 
- cerosina
- Мнения: 279
- Регистриран на: Пет 14 окт 2005 10:31
- Автомобил:
- Двигател:
- Местоположение: София
- Контакти:
Re: Проблем със заден амортисьор
Извинявам се, B3 седан, 1991
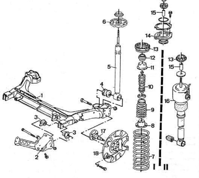
Ето една картинка ( ако успея да я атачна ).
Проблема е че гайката между номер 10 и 11 ( дори няма номер за нея ) , свободно се движи по амортисьора , съответно и чашката 11 с тампона 12 , може би и цялото стъбло се подскача и се опитва да види в купето какво става.
Ето една картинка ( ако успея да я атачна ).
Проблема е че гайката между номер 10 и 11 ( дори няма номер за нея ) , свободно се движи по амортисьора , съответно и чашката 11 с тампона 12 , може би и цялото стъбло се подскача и се опитва да види в купето какво става.
- zfa159
- Мнения: 7920
- Регистриран на: Сря 31 яну 2007 12:16
- Автомобил: Skoda Karoq FL + Passat B4 Syncro
- Двигател: DXRB AGG
- Местоположение: София
- Контакти:
Re: Проблем със заден амортисьор
това е втулка,тя така си прави
Не е гайка и не трябва да е плътна.
Не разбрах дали си разглобил тропащата страна или не.
Тази втулка държи шок тампона (номер 10) да не пропада надолу по стеблото на амортисьора и няма за какво да е стегната. Отгоре всчко се стяга наведнъж - двата тампона към металната основа и т.н. с последната гайка.
За да тропа или са заминали двата тампона отгоре (гумените като конуси) или самия амортисьор,като 99% залагам на второто.

Не разбрах дали си разглобил тропащата страна или не.
Тази втулка държи шок тампона (номер 10) да не пропада надолу по стеблото на амортисьора и няма за какво да е стегната. Отгоре всчко се стяга наведнъж - двата тампона към металната основа и т.н. с последната гайка.
За да тропа или са заминали двата тампона отгоре (гумените като конуси) или самия амортисьор,като 99% залагам на второто.

- cerosina
- Мнения: 279
- Регистриран на: Пет 14 окт 2005 10:31
- Автомобил:
- Двигател:
- Местоположение: София
- Контакти:
Re: Проблем със заден амортисьор
zfa159 написа:това е втулка,тя така си правиНе е гайка и не трябва да е плътна.
Не разбрах дали си разглобил тропащата страна или не.
Тази втулка държи шок тампона (номер 10) да не пропада надолу по стеблото на амортисьора и няма за какво да е стегната. Отгоре всчко се стяга наведнъж - двата тампона към металната основа и т.н. с последната гайка.
За да тропа или са заминали двата тампона отгоре (гумените като конуси) или самия амортисьор,като 99% залагам на второто.
Мерси за мнението колега , ама на другия амортисьор не прави така, т.е. чашката 11 не халтави нагоре надолу , а тази втулка се законтря в някакъв жлеб в амортисьора ( май ) , докато на тропащия целия тампон се разхожда нагоре надолу.
Та мисля си ако натисна колата надолу , в първия момент някой трябва да обере движението на стеблото нагоре спрямо шасито, и това стебло да се удари в горния тампон, и точно тази гайка ( втулка де ) обира удара, и ако хлатави стъблото може да излезе нагоре, не е ли така ?
Амортисьора е на 1.5 години, качествен, не е потекъл, никакви проблеми досега , стана по време на път, като полвоната път беше всичко нормално изведнъж зачука.
Re: Проблем със заден амортисьор
Аз имам същият проблем, отзад отдясно в по-големи дупки нещо хлопа...
Амовете отзад ги смених лятото с нови пружини... Каяба Gaz-a-just са, щото е синхро и др. не стават.
Хлопането се чува горе, в началото си мислех да не би нещо хлабаво да има, но извадих всичко и пак... не вярвам нов амортисьор на 2-3 хил км. да се е скапал ...
Тампоните са сменявани преди 2год заедно с втулките, ....
П.П. Забравих да допълня,че така хлопаше и с предния комплект амове... ще ходя на канал да огледам какво що
Амовете отзад ги смених лятото с нови пружини... Каяба Gaz-a-just са, щото е синхро и др. не стават.
Хлопането се чува горе, в началото си мислех да не би нещо хлабаво да има, но извадих всичко и пак... не вярвам нов амортисьор на 2-3 хил км. да се е скапал ...
Тампоните са сменявани преди 2год заедно с втулките, ....

П.П. Забравих да допълня,че така хлопаше и с предния комплект амове... ще ходя на канал да огледам какво що
- zfa159
- Мнения: 7920
- Регистриран на: Сря 31 яну 2007 12:16
- Автомобил: Skoda Karoq FL + Passat B4 Syncro
- Двигател: DXRB AGG
- Местоположение: София
- Контакти:
Re: Проблем със заден амортисьор
а,чакайте сега 
Говорим за амортисьор,който е на колата.
Загадката вече ми е ясна - в този жлеб седи една зегерка,която крепи онова с номер 11,да не изпада надолу и да не се случва това,което се случва.Скапе ли се загерката,се изсипват всичките хубавини надолу и амортисьора остава без долен тампон..не ще удря ами незнам какво.
Тогава се сваля всичко и се мисли някава здрава алтернатива на тази зегерка.Ако се действа винамателно може да се завари подходяща шайба и да се реши проблема (зора е да не се прегрее пръта на аморт. за да не замине).
Може да се свали зегерка от стар и да се сложи на този,като резултата е малко спорен.
Най-често зегерките се прецакват,когато въпросната джаджа с номер 11 на картината се сложи наобратно.Тя има един малък канал,който служи за контра на зегерката така,че тя да не може да изпадне или да се измъкне от жлеба.Когато се сложи наобратно обаче,с времето претрива зегерката и се изсипва всичко надолу, както е станало при вас.
Лошото е,че тази зегерка крепи цялото усилие при удар на амортисьора ,понеже на нея се крепи долния тампон от двата горни на амортисьора а е тъничка,като телчица.

Говорим за амортисьор,който е на колата.
Загадката вече ми е ясна - в този жлеб седи една зегерка,която крепи онова с номер 11,да не изпада надолу и да не се случва това,което се случва.Скапе ли се загерката,се изсипват всичките хубавини надолу и амортисьора остава без долен тампон..не ще удря ами незнам какво.
Тогава се сваля всичко и се мисли някава здрава алтернатива на тази зегерка.Ако се действа винамателно може да се завари подходяща шайба и да се реши проблема (зора е да не се прегрее пръта на аморт. за да не замине).
Може да се свали зегерка от стар и да се сложи на този,като резултата е малко спорен.
Най-често зегерките се прецакват,когато въпросната джаджа с номер 11 на картината се сложи наобратно.Тя има един малък канал,който служи за контра на зегерката така,че тя да не може да изпадне или да се измъкне от жлеба.Когато се сложи наобратно обаче,с времето претрива зегерката и се изсипва всичко надолу, както е станало при вас.
Лошото е,че тази зегерка крепи цялото усилие при удар на амортисьора ,понеже на нея се крепи долния тампон от двата горни на амортисьора а е тъничка,като телчица.

- rangel_80
- Мнения: 39
- Регистриран на: Съб 15 яну 2011 21:49
- Автомобил:
- Двигател:
- Местоположение: plovdiv
Re: Проблем със заден амортисьор
колега,виж чашките които са върху пружината,като поизгният се получава точно същия ефект,на мен и двата амортисьора ми надникнаха в багажника,след смяната на тези чашки,мисля че струваха по 5 лв бройката,проблема се реши
- Winner25
- Мнения: 7339
- Регистриран на: Пон 14 мар 2005 15:33
- Автомобил: VW Passat B4 B6
- Двигател: ABS BKC
- Местоположение: Казанлък
Re: Проблем със заден амортисьор
Като стана въпрос за това хлопане отзад в дясно - и при мен го има
При това от доста време и не мога да разбера от какво е
Чува се някъде към колана-точно където е и амортисьора. Сменях амортисьорите, махах пластмасите, уплътнявах ги да не хлопат, но няма резултат. Подозирам че може да е механизма за отваряне на багажника. Ако някой има идеи да казва.
Re: Проблем със заден амортисьор
rangel_80 написа:колега,виж чашките които са върху пружината,като поизгният се получава точно същия ефект,на мен и двата амортисьора ми надникнаха в багажника,след смяната на тези чашки,мисля че струваха по 5 лв бройката,проблема се реши
Ами позагнили са леко, точно на отвора дето лягат тампоните, но не вярвам да е от това, защото пакета е стегнат
-
Гергин
- Мнения: 1360
- Регистриран на: Вто 22 май 2007 15:07
- Автомобил: Passat 4
- Двигател: AGG
- Местоположение: София
Re: Проблем със заден амортисьор
Winner25 написа:Като стана въпрос за това хлопане отзад в дясно - и при мен го имаПри това от доста време и не мога да разбера от какво е
Чува се някъде към колана-точно където е и амортисьора. Сменях амортисьорите, махах пластмасите, уплътнявах ги да не хлопат, но няма резултат. Подозирам че може да е механизма за отваряне на багажника. Ако някой има идеи да казва.
Отзад в дясно е и резервоарът. Първо това ми мина през акъла. Огледай там.
Нещо помпа, подплавък, там на гърлото нали има и една клапа дето го затваря. Нали е на пружина, да не е от нея. Разклати го. Резервана гума. Нещо да е паднало около нея. Нали имат едни ниши отстрани в багажника, да не е паднало нещо, или някой кабеляк да бие, чука.
Re: Проблем със заден амортисьор
Гергин написа:Winner25 написа:Като стана въпрос за това хлопане отзад в дясно - и при мен го имаПри това от доста време и не мога да разбера от какво е
Чува се някъде към колана-точно където е и амортисьора. Сменях амортисьорите, махах пластмасите, уплътнявах ги да не хлопат, но няма резултат. Подозирам че може да е механизма за отваряне на багажника. Ако някой има идеи да казва.
Отзад в дясно е и резервоарът. Първо това ми мина през акъла. Огледай там.
Нещо помпа, подплавък, там на гърлото нали има и една клапа дето го затваря. Нали е на пружина, да не е от нея. Разклати го. Резервана гума. Нещо да е паднало около нея. Нали имат едни ниши отстрани в багажника, да не е паднало нещо, или някой кабеляк да бие, чука.
Ако има нещо хлабаво то ще хлопа постоянно, даже при леки неравности, а тови си хлопа точно на дупка или при пропадане на павиран участък, когато дупката няма остри ръбове, е тогава най-ясно се чува...
Възможно е и някой тампон на носача или гредата да е свършил, както и стаб.щанга.
- Winner25
- Мнения: 7339
- Регистриран на: Пон 14 мар 2005 15:33
- Автомобил: VW Passat B4 B6
- Двигател: ABS BKC
- Местоположение: Казанлък
Re: Проблем със заден амортисьор
JC написа:Ако има нещо хлабаво то ще хлопа постоянно, даже при леки неравности, а тови си хлопа точно на дупка или при пропадане на павиран участък, когато дупката няма остри ръбове, е тогава най-ясно се чува...
Възможно е и някой тампон на носача или гредата да е свършил, както и стаб.щанга.
Да ама при мене отзад няма много тампони и като съм ги гледал са здрави
Re: Проблем със заден амортисьор
Winner25 написа:JC написа:Ако има нещо хлабаво то ще хлопа постоянно, даже при леки неравности, а тови си хлопа точно на дупка или при пропадане на павиран участък, когато дупката няма остри ръбове, е тогава най-ясно се чува...
Възможно е и някой тампон на носача или гредата да е свършил, както и стаб.щанга.
Да ама при мене отзад няма много тампони и като съм ги гледал са здрави
Ако не съм си монтирал амовете аз, бих се заклел, че нещо не е стегнато - горе си се чува .
А възможно ли да е във вратата нещо ... примерно в задната ....
Кой е на линия
Потребители, разглеждащи този форум: Няма регистрирани потребители и 62 госта
