Помощ!! Проблем с охлаждането на Пасат 5.5

Техническа и сервизна информация за Passat
Потребителски аватар
serrgiotacchini
Мнения: 33
Регистриран на: Съб 17 юли 2010 14:58
Автомобил:
Двигател:
Местоположение: sofia

Помощ!! Проблем с охлаждането на Пасат 5.5

Мнениеот serrgiotacchini » Пет 29 апр 2011 18:55


Колеги здравейте. Обръщам се към вас със следното питане. Ще изложа проблема си по-подробно:

1. Пасат 4.0 имам и когато карам в градски условия ми включва перките от време на време дори и при 10 градуса.
2. При извънградски условия при висока скорост особено ако пече слънце перките въртят постоянно. (пояснявам че 5ата скорост е много дълга и рядко качвам над 3000 оборота в мин на дълъг път).
3. Проблема с перките ми се проявява дори когато е малко по-топличко около 15 градуса външна температура.
4. Задавам въпроса си сега ,защото когато стане 40 градуса май няма да има какво да включи повече :)

За пояснение казвам че ми показва на ВАГ-ком Термостат като грешка. Миналата година имах същия проблем но се разминах с хубаво почистване на радиаторите и се оправи. Сега обаче мисля че е по зле.

Въпроси :
1.Според вас със сигурност ли термостата ми е заминал и няма ли да се размина за втора година със почистване на радиаторите.
2. Има ли начин да се ремонтира въпросният термостата , защото цената му е колкото на Кремиковци :)


Предварително ви благодаря за отзивите. Надявам се да намерим решение преди да се наложи да я поливам с Мента и спрайт за охлаждане :)




Потребителски аватар
dlug
Мнения: 2510
Регистриран на: Вто 10 юли 2007 18:19
Автомобил: Passat B5.5 2003 1.9 TDI
Двигател: AVB
Местоположение: София

Re: Помощ!! Проблем с охлаждането на Пасат 5.5

Мнениеот dlug » Пет 29 апр 2011 20:08


Аз като лаик мисля че термостата трябва да се смени, особено след като ти показва и гршка с ВАГ-кома. Термостата не се ремонтира. Купуваш си нов.


Потребителски аватар
group®
Темерут
Мнения: 10109
Регистриран на: Вто 08 мар 2005 23:28
Автомобил: Passat B8 Alltrack
Двигател: DFCA
Местоположение: София

Re: Помощ!! Проблем с охлаждането на Пасат 5.5

Мнениеот group® » Пет 29 апр 2011 20:49


Не знам какви суми са ти обявили, но с поръчка е към 500$ без транспорт.
Кремиковци е по-скъпо, а и ПИБ отпускат кредити mhihi (сори за шегата :oops: )

Явно системата е доста сложна, от това което четох.
За ремонт забрави.


Потребителски аватар
Ljubon
Мнения: 3327
Регистриран на: Съб 15 авг 2009 10:54
Автомобил:
Двигател:
Местоположение: Sofia

Re: Помощ!! Проблем с охлаждането на Пасат 5.5

Мнениеот Ljubon » Пет 29 апр 2011 20:59


Гледам, че Пасата на автора не е масовия 5.5, а W8. За него всичко е скъпо. :horror:


Потребителски аватар
group®
Темерут
Мнения: 10109
Регистриран на: Вто 08 мар 2005 23:28
Автомобил: Passat B8 Alltrack
Двигател: DFCA
Местоположение: София

Re: Помощ!! Проблем с охлаждането на Пасат 5.5

Мнениеот group® » Пет 29 апр 2011 21:05


Ljubon написа:Гледам, че Пасата на автора не е масовия 5.5, а W8. За него всичко е скъпо. :horror:

Колега, ако прочетеш по-внимателно ще видиш, че съм осъзнал този факт ;)
Даже ще ти цитирам точна цифра за неговия термостат - 516$ (по-горе закръглих надолу :) )


Потребителски аватар
BRUKLLIN
Мнения: 363
Регистриран на: Пон 15 сеп 2008 21:31
Автомобил:
Двигател:
Местоположение: Passat- TDI 110hp. AFN

Re: Помощ!! Проблем с охлаждането на Пасат 5.5

Мнениеот BRUKLLIN » Пет 29 апр 2011 21:55


serrgiotacchini написа: ........Има ли начин да се ремонтира въпросният термостат.......

Преди да ти предложа това решение,ще ти кажа че никога не съм бил фен на части втора употреба,рециклиране или гаражни доработки,но тая цена ме уби!!!!!
Виж тук какво са сътворили.Надявам се в твоя случай ще върши работа!
http://mercedes-bulgaria.com/forum/ohladitelna-sistema/ako-stariqt-vi-mercedes-zagrqva-to-tova-reshenie-moe-da-pomogne/


Потребителски аватар
buller
Мнения: 2200
Регистриран на: Пет 14 апр 2006 11:33
Автомобил: Audi_Q5 FY
Двигател: DJYA 2020
Местоположение: София

Re: Помощ!! Проблем с охлаждането на Пасат 5.5

Мнениеот buller » Пет 29 апр 2011 22:00


С риск да бъда порицан ще кажа, че щом си взел такава кола - трябвало е да предвидиш и подобни "разходи".
Термостатът е консуматив, в твоя случай явно доста скъп.
По-добре го смени, за да не създаде цяла редица още по-скъпи за отстраняване проблеми...


Потребителски аватар
serrgiotacchini
Мнения: 33
Регистриран на: Съб 17 юли 2010 14:58
Автомобил:
Двигател:
Местоположение: sofia

Re: Помощ!! Проблем с охлаждането на Пасат 5.5

Мнениеот serrgiotacchini » Съб 30 апр 2011 16:37


Пичовци :) Благодаря за отзивите. Само ще споделя с вас че намерих термостат в и-бей за 150 евракис, но се чудя дали проблема е от него. Инак го поръчвам веднага. Искам колата да е изрядна както си я поддържам до сега. Ако някой може да помогне с намирането на термостата да каже. А за почистване на радиаторите нищо не казвате..


Потребителски аватар
Ljubon
Мнения: 3327
Регистриран на: Съб 15 авг 2009 10:54
Автомобил:
Двигател:
Местоположение: Sofia

Re: Помощ!! Проблем с охлаждането на Пасат 5.5

Мнениеот Ljubon » Съб 30 апр 2011 16:43


serrgiotacchini написа:намерих термостат в и-бей за 150 евракис, но се чудя дали проблема е от него. Инак го поръчвам веднага. Ако някой може да помогне с намирането на термостата да каже.

Колега, каква помощ търсиш за намирането, след като си намерил вече в и-бей и то на изгодна цена. :?:


Потребителски аватар
k_garchev
Мнения: 2722
Регистриран на: Съб 08 мар 2008 13:12
Автомобил: VW Golf 4 2.3V5 4motion
Двигател: AGZ
Местоположение: Пирдоп
Контакти:

Re: Помощ!! Проблем с охлаждането на Пасат 5.5

Мнениеот k_garchev » Съб 30 апр 2011 16:51


Пробвай първо с почистване на системата!Щом миналата година се е оправило,защо и сега да не се оправи!Първо ефтиния вариант,а после евентуално купувай термостат!


Потребителски аватар
vladohist
Мнения: 95
Регистриран на: Пон 27 апр 2009 15:52
Автомобил:
Двигател:
Местоположение: plovdiv

Re: Помощ!! Проблем с охлаждането на Пасат 5.5

Мнениеот vladohist » Съб 30 апр 2011 19:55


viewtopic.php?f=13&t=44549

Консултирай се със Стефан и тогава решавай, той ще ти каже какво как, иначе един път при Стефан в сервиза си говорих с един собственик на същия Пасат, та той каза 900лв. термостата, което си е доста стряскащо scare


Потребителски аватар
zfa159
Мнения: 7920
Регистриран на: Сря 31 яну 2007 12:16
Автомобил: Skoda Karoq FL + Passat B4 Syncro
Двигател: DXRB AGG
Местоположение: София
Контакти:

Re: Помощ!! Проблем с охлаждането на Пасат 5.5

Мнениеот zfa159 » Съб 30 апр 2011 21:15


Вероятно точно с него си си говорил ;) Само той с такава кола идва при нас ;)
Иначе за прегряването и термостата вече много сме си говорили с него и аз съм пас,понеже термостата е електрически и един господ знае дали работи и как. По думите на стария собственик на колата (правеше някои неща при нас и той),термостата е сменен с нов за 1000 и малко лв от Юнитрейд,когато е взел колата и след 1 седмица пак е набило грешка за него.От тогава си я има до ден днешен тази грешка,макар че термостата като съпротивление на ел. част е напълно ок,както и кабелите до компютъра са проверени и са ок.
:roll:


Потребителски аватар
sam_boha
Мнения: 640
Регистриран на: Съб 13 мар 2010 12:01
Автомобил:
Двигател:

Re: Помощ!! Проблем с охлаждането на Пасат 5.5

Мнениеот sam_boha » Съб 30 апр 2011 21:59


Колеги,без да се имам за разбирач на дубълветата, ще предложа един ДАП-аджийски подход (колкото и да не харесвам подобни изпълнения). Не може ли да се премахне термостата, като по този начин се остави само големия кръг и да види собственика кога и как включва перките? Сиреч, дали термостатът прави шмекерии или има и друг проблем. Решението е за доказване вината на термостата, не го препоръвам за постоянно, естествено.
Сега, не знам дали това, че е електрически позволява премахването му ... но, знам ли, някак си не е лоша идея, а?


Потребителски аватар
zfa159
Мнения: 7920
Регистриран на: Сря 31 яну 2007 12:16
Автомобил: Skoda Karoq FL + Passat B4 Syncro
Двигател: DXRB AGG
Местоположение: София
Контакти:

Re: Помощ!! Проблем с охлаждането на Пасат 5.5

Мнениеот zfa159 » Съб 30 апр 2011 22:13


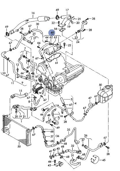
Ами номер 60 е термостата,цялото това чудо.Както се вижда от картинката,нямаме никакъв шанс да го махнем :
untitled.JPG


Потребителски аватар
serrgiotacchini
Мнения: 33
Регистриран на: Съб 17 юли 2010 14:58
Автомобил:
Двигател:
Местоположение: sofia

Re: Помощ!! Проблем с охлаждането на Пасат 5.5

Мнениеот serrgiotacchini » Вто 03 май 2011 23:39


Стефчо, абе все си мисля че примерно ако се свали термостата и го позагреем с водица топла ще видим дали се отваря и затваря а!? Кво ше кажеш по въпроса с магданоза? Най-лошото и тъпо е ,че нямам никакво време да се отбия при теб. Иначе момчето по-горе даде добра идея да се махне. Обаче не става да се махне и да остане здрав. Имам предвид че единственият вариант е да се мхане, да се изтърбуши и да се върне само блока на термостата на мястото му , което със сигурнот ще доведе до покупка на термостата. А що се отнася до стария собственик, честно да ти кажа никак не му вярвам че го е сменил. По-скоро му е дала грешката и е проверил цената... Нищо повече. Когато Иво я беше разкостил термостата не изглеждаше да е сменян..



Върни се в “Passat”

Кой е на линия

Потребители, разглеждащи този форум: Google [Bot] и 45 госта