ел стикла от Б3 на Б4 -проблем !
- nebeto
- Мнения: 988
- Регистриран на: Пет 18 дек 2009 17:46
- Автомобил: VW Passat B4 1.9TDI
- Двигател: AFN 1996
- Местоположение: Варна
ел стикла от Б3 на Б4 -проблем !
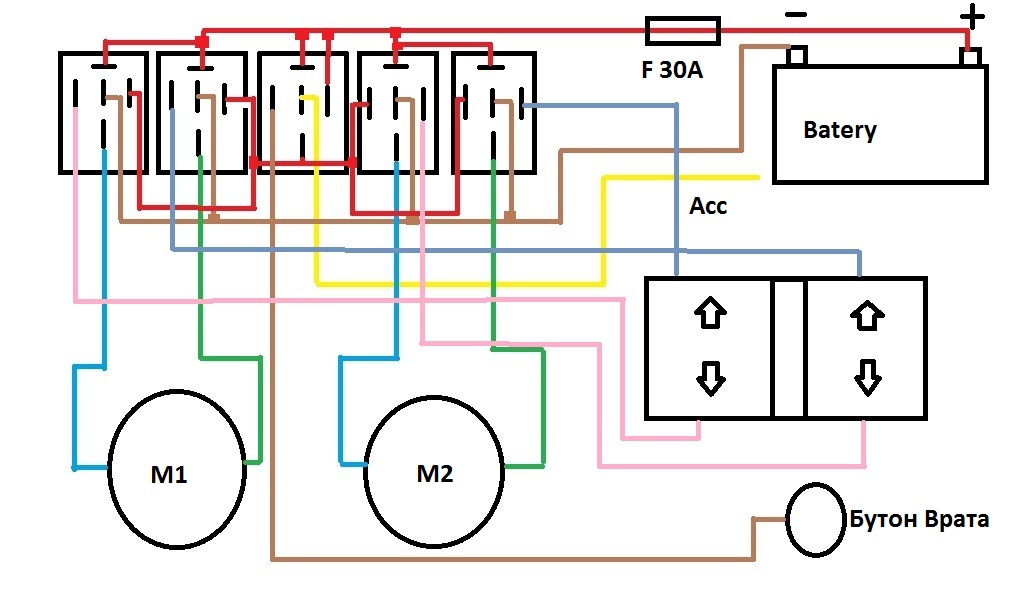
Колеги здравейте.Имаме мерак да сложим на нашия Пасат Б4 ел стъкла.Баща ми е свалил цялата инсталация,машинки копчета от Б3,окомплектовахме всичко върху една маса и всичко си работи както трябва,но нали копчетата от Б3 са едни дето не се сливат с интериора на Б4 и купихме копчета за задни ел стъкла за Б4 дето седи под касетофона.Проблема е следния-няма как това копче за задните стъкла да се свърже било то към модула на Б3 или към някаква схемичка за да проработят стъклата.Проблема при това копче е,че от един кабел пуска ту плюс ту минус взависимост как е натиснато за нагоре или за надоло.Чакам вашите предложения.
- znainainai
- Мнения: 5287
- Регистриран на: Пон 04 дек 2006 21:24
- Автомобил: Golf4
- Двигател: MK 4 98 AHF
- Местоположение: Русе
Re: ел стикла от Б3 на Б4 -проблем !
Дай снимки да видя какво имаш.
Правил съм на колегата 1z на предната кола беше пасат В4 със ел. механизми от В3 и копче за задните стъкла от В4 само на предните врати.
Та дай да видя какво имаш че да мислим как да тръгне.
Правил съм на колегата 1z на предната кола беше пасат В4 със ел. механизми от В3 и копче за задните стъкла от В4 само на предните врати.
Та дай да видя какво имаш че да мислим как да тръгне.
- nebeto
- Мнения: 988
- Регистриран на: Пет 18 дек 2009 17:46
- Автомобил: VW Passat B4 1.9TDI
- Двигател: AFN 1996
- Местоположение: Варна
Re: ел стикла от Б3 на Б4 -проблем !
ето колега,имам и инсталацията но е каша затова не съм я снимал,лявото копче също.
- znainainai
- Мнения: 5287
- Регистриран на: Пон 04 дек 2006 21:24
- Автомобил: Golf4
- Двигател: MK 4 98 AHF
- Местоположение: Русе
Re: ел стикла от Б3 на Б4 -проблем !
Това са талянски копчета (силови) и талянски механизми най-лошата комбинация възможна. За да стане трябва тунинг на копчето за В4 и да работи със 5 релета. 4 за посоките и 1 дето управлява 4-те за да работят почти като истинските и на отворена врата и на контакт.
- nebeto
- Мнения: 988
- Регистриран на: Пет 18 дек 2009 17:46
- Автомобил: VW Passat B4 1.9TDI
- Двигател: AFN 1996
- Местоположение: Варна
Re: ел стикла от Б3 на Б4 -проблем !
незнам колека бащата такива ги е смънал от Б3то,броя на релетата не са ми проблем,искам да имам стъкла и без контакт така,че давай схемите.
- mitko85
- Мнения: 753
- Регистриран на: Сря 16 яну 2008 23:58
- Автомобил: E91
- Двигател: M47
- Местоположение: София
Re: ел стикла от Б3 на Б4 -проблем !
И аз имах идеята да управлявам предни стъкла с копче от задни. Изтеглих си схема от аутодата и излезе че фабричното копче за задните стъкла работи с някакъв модул и нямаше как да стане без него. На прикачената снимка вляво е принципа на работа на копчето дето работи с друг модул(схемата е по спомени), вдясно е схема на копче от голф2, поло, сеати, аз си купих две копчета от поло барабар с конзолката и я вградих в барчето.
- Прикачени файлове
-
- SHEMA.JPG (9.37 KиБ) Видяна 1337 пъти
- К.Одаджийски
- VW експерт

- Мнения: 12181
- Регистриран на: Пон 11 сеп 2006 20:11
- Автомобил: Saab 9-3 SS ARC
- Двигател: B207L
- Местоположение: София / Берковица
Re: ел стикла от Б3 на Б4 -проблем !
mitko85 написа:И аз имах идеята да управлявам предни стъкла с копче от задни. Изтеглих си схема от аутодата и излезе че фабричното копче за задните стъкла работи с някакъв модул и нямаше как да стане без него. На прикачената снимка вляво е принципа на работа на копчето дето работи с друг модул(схемата е по спомени), вдясно е схема на копче от голф2, поло, сеати, аз си купих две копчета от поло барабар с конзолката и я вградих в барчето.
Аз моите предни две стъкла ги управлявам с копче за задни стъкла, обаче всичко това е през комфорт модул за 2 стъкла, защото копчето в случая е само управляващо процесите, а комфорт модула извършва силовата работа и през него минава големия ток.
С тия механизми и копчелъци италиянски доста ще се измъчи колегата и хич няма да е лесно да се направи да работи, но пък правилния човек се е захванал с темата

- znainainai
- Мнения: 5287
- Регистриран на: Пон 04 дек 2006 21:24
- Автомобил: Golf4
- Двигател: MK 4 98 AHF
- Местоположение: Русе
Re: ел стикла от Б3 на Б4 -проблем !
К.Одаджийски написа:....
Твоят случай е друга бира
Те я схемата копчето ще трябва да си го тунинговаш да бачка със маса. Или иначе казано да пуска маса към релетата за посоките вътре се преправяше ама какво точно не помня че беше преди повече от година и половина като го правих.
- К.Одаджийски
- VW експерт

- Мнения: 12181
- Регистриран на: Пон 11 сеп 2006 20:11
- Автомобил: Saab 9-3 SS ARC
- Двигател: B207L
- Местоположение: София / Берковица
Re: ел стикла от Б3 на Б4 -проблем !
Абе моя случай с кабелите верно е друга бира мхихих
Петко, това не е ли някаква шарлатания която може би играе роля на комфорт модул!?

Петко, това не е ли някаква шарлатания която може би играе роля на комфорт модул!?
- znainainai
- Мнения: 5287
- Регистриран на: Пон 04 дек 2006 21:24
- Автомобил: Golf4
- Двигател: MK 4 98 AHF
- Местоположение: Русе
Re: ел стикла от Б3 на Б4 -проблем !
Мда това е модул който като получи импулс от алармата вдига стъклата има такива на БСМ.
- PASSAT
- Мнения: 241
- Регистриран на: Пет 28 юли 2006 14:57
- Автомобил: Passat B4
- Двигател: AFN 1996
- Местоположение: Русе
Re: ел стикла от Б3 на Б4 -проблем !
Колега на 12-и съм във Варна и мога да ти помогна със схеми, разяснения и съвети за монтажа, ако искаш се обади 0894 22 90 90 Малин за да се разберем.
- nebeto
- Мнения: 988
- Регистриран на: Пет 18 дек 2009 17:46
- Автомобил: VW Passat B4 1.9TDI
- Двигател: AFN 1996
- Местоположение: Варна
Re: ел стикла от Б3 на Б4 -проблем !
благодаря на всички съфорумници за мненията,след седмица като се пребера ще пробвам една схемичка с няколко транзисторчета,диоди,релета и ми се струва,че ще потръгне,ако не ще пиша пак.
Също така ме интересува на оргиналните ел стъкла стъклото като е максимално горе или долу има ли опастност моторчетата да изпушат или имат някаква защита за претоварване.
Също така ме интересува на оргиналните ел стъкла стъклото като е максимално горе или долу има ли опастност моторчетата да изпушат или имат някаква защита за претоварване.
- znainainai
- Мнения: 5287
- Регистриран на: Пон 04 дек 2006 21:24
- Автомобил: Golf4
- Двигател: MK 4 98 AHF
- Местоположение: Русе
Re: ел стикла от Б3 на Б4 -проблем !
Комфорта им следи тока и ги изключва.
Кой е на линия
Потребители, разглеждащи този форум: Няма регистрирани потребители и 52 госта