Здравейте! Схемата в най-простия й вид я направих на себе си, а днес и на баща ми на форда.При него обаче не се получи добре.
Първо- на малкото плюсче на динамото, ток 12 волта се появява веднага, а не както при фолксвагена със закъснение / останах си с разочарованието/;
Второ - вързах 85 на релето / това е минуса му/ към габарита. И тук се издъних - всичко е нормално, когато двигателя работи и при включване на осветлението релето изключва. Но когато при загасен двигател пуснах габарита светнаха и късите светлини. След дълго умуване ми се стори, че разбирам: при неработещ двигател малкия плюс на генератора си става маса, а при светнати габарити на минуса на релето идва + и дневните светват. Май е това, но какво за правя сега? Баща ми иска да има габарити, а и на техническия преглед си спомням, че ме караха да светвам само тях. Помислих за едно ключе, което да спира принудително връзката с габарита, но тогава се обезсмисля цялата връзка с него.
Моля за помощ!
автоматично палене на светлините
Правила на форума
Натисни тук за да прочетеш Правилата на форума
Натисни тук за да прочетеш Правилата на форума
- Pav3l
- Мнения: 703
- Регистриран на: Пон 01 авг 2005 18:07
- Автомобил: bmw
- Двигател: 1998
- Местоположение: Usa
- Контакти:
Re: автоматично палене на светлините
Добре де, защо просто не закачиш 85 към маса? Няма да се спира при пускане на габарит, но пък няма да има и странични ефекти... 
Останалото ще си работи нормално.
П.П: Между другото: и при VW няма закъснение на сигнала от динамото - при форда нещо си объркал сглобката явно, в случай, че си изпълнил схемата с таймера 555.
Останалото ще си работи нормално.
П.П: Между другото: и при VW няма закъснение на сигнала от динамото - при форда нещо си объркал сглобката явно, в случай, че си изпълнил схемата с таймера 555.
- ivan.karadenizov
- Мнения: 123
- Регистриран на: Пон 08 дек 2008 9:23
- Автомобил:
- Двигател:
- Местоположение: София/Сливен
Re: автоматично палене на светлините
След дълги и мъчителни опити да направя устройството ми да работи надеждно се отказах.
Тъй като почти нищо не разбирам от електроника, доста четох в интернет. Реших, че изход 3 на 555 таймера, който управлява полевия транзистор не се справя, защото е маломощен. Първо пробвах с един транзисор да управлявам IRF-а, но ефект нямаше. Печеше си доволно.
След това пробвах и със специален MOSFET Driver - TC4428: същата работа.
Затова запазих първата част от схемата на колегата mafiota, махнах реле 1 и сега ми тръгват късите и габаритите (през реле 2) 10-ина секунди след като запаля мотора. Само да отбележа, че ако оставя колата достатъчно дълго на контакт времезакъснителното реле пак тръгва, но това не ме притеснява, защото ми е достатъчно доста по-малко време за да запаля.
Добавих и 2 ключа, всеки с 1 превключващ контакт, с който да връщам "оригиналното" положение на захранването на ключа на фаровете ако се наложи за нещо. (На схемата изглежда като 1 ключ с 2 контакта, защото първоначалната ми идея беше такава, но не намерих подходящ.)
Тъй като почти нищо не разбирам от електроника, доста четох в интернет. Реших, че изход 3 на 555 таймера, който управлява полевия транзистор не се справя, защото е маломощен. Първо пробвах с един транзисор да управлявам IRF-а, но ефект нямаше. Печеше си доволно.
След това пробвах и със специален MOSFET Driver - TC4428: същата работа.
Затова запазих първата част от схемата на колегата mafiota, махнах реле 1 и сега ми тръгват късите и габаритите (през реле 2) 10-ина секунди след като запаля мотора. Само да отбележа, че ако оставя колата достатъчно дълго на контакт времезакъснителното реле пак тръгва, но това не ме притеснява, защото ми е достатъчно доста по-малко време за да запаля.
Добавих и 2 ключа, всеки с 1 превключващ контакт, с който да връщам "оригиналното" положение на захранването на ключа на фаровете ако се наложи за нещо. (На схемата изглежда като 1 ключ с 2 контакта, защото първоначалната ми идея беше такава, но не намерих подходящ.)
-
petiop
- Мнения: 207
- Регистриран на: Сря 17 юни 2009 13:12
- Автомобил: Пасат
- Двигател: AVF 2003г 4х4
- Местоположение: софия
Re: автоматично палене на светлините
Искам да попитам при пасат В4 от къде да взема + за релето след като е запалил защото на лампата има + веднага след контакт.
- mafiota
- Мнения: 1583
- Регистриран на: Вто 26 дек 2006 18:06
- Автомобил: Audi A6 C5
- Двигател: APU
- Местоположение: Козлодуй
Re: автоматично палене на светлините
ivan.karadenizov написа:След дълги и мъчителни опити да направя устройството ми да работи надеждно се отказах.
Тъй като почти нищо не разбирам от електроника, доста четох в интернет. Реших, че изход 3 на 555 таймера, който управлява полевия транзистор не се справя, защото е маломощен. Първо пробвах с един транзисор да управлявам IRF-а, но ефект нямаше. Печеше си доволно.
След това пробвах и със специален MOSFET Driver - TC4428: същата работа.
Затова запазих първата част от схемата на колегата mafiota, махнах реле 1 и сега ми тръгват късите и габаритите (през реле 2) 10-ина секунди след като запаля мотора. Само да отбележа, че ако оставя колата достатъчно дълго на контакт времезакъснителното реле пак тръгва, но това не ме притеснява, защото ми е достатъчно доста по-малко време за да запаля.
Добавих и 2 ключа, всеки с 1 превключващ контакт, с който да връщам "оригиналното" положение на захранването на ключа на фаровете ако се наложи за нещо. (На схемата изглежда като 1 ключ с 2 контакта, защото първоначалната ми идея беше такава, но не намерих подходящ.)
Таймера не го бърка, той цяло реле управлява, та един MOSFET ще му се опъне
Иначе и двете части на схемата си работят идеално, съвсем нормално си се регулира силата на светене. А който си разбира от микроконтролери, може да прегледа каво са направили колегите от рено клуба
http://www.renault-bg.com/smf/index.php?topic=69141.0
-
nasko1975
- Мнения: 62
- Регистриран на: Чет 21 фев 2008 17:17
- Автомобил: GOLF 2 SYNCHRO TURBO
- Двигател: 2.0 16V
- Местоположение: Пловдив
Re:
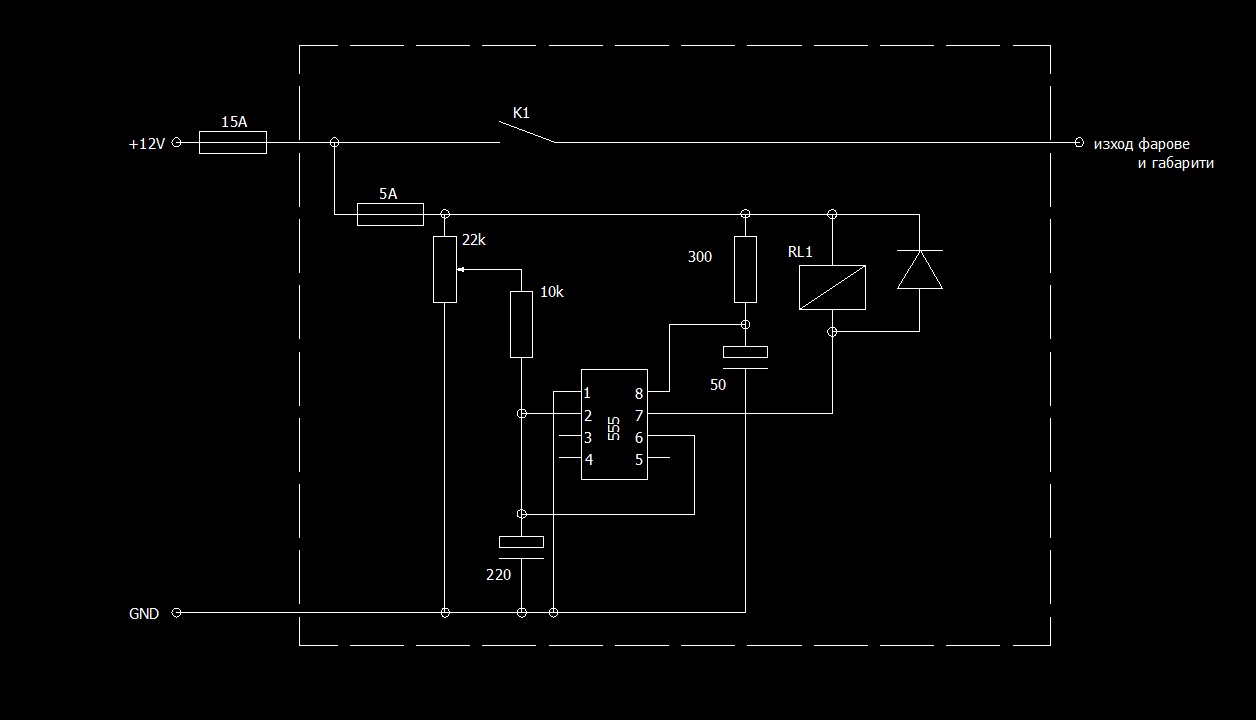
L&R написа:Мисля форума заслужава една такава схема:
Бири приемам по email, досега съм чертал на 7 инча дисплей.
схемата работи супер,даже пуснах от светлините кам габаритите през диот и жсичко е перфектно

- pesho_sl
- Мнения: 693
- Регистриран на: Сря 09 яну 2008 18:16
- Автомобил: VW Golf IV
- Двигател: AGR 1998
- Местоположение: Варна
Re: автоматично палене на светлините
Да се похваля и аз колеги. Преди малко монтирах схемата и си работи перфектно. L&R има най-малко една бира от мен.
Поздрави!
P.S. Аз хубаво го направих, ама май някъде съм объркал. Защо като пусна фаровете от копчето и реленцето започва да прави "Бзззззззззз".
P.S.2: Моля Ви се колеги, помогнете ми малко
P.S.3: Проблема е решен - релето е проблемно, смених го с друго и всичко е 6, фаровете светят с по-малка мощност - просто перфектно. Големи Благодарности на L&R
- Голям е!!!
P.S.4: В крайна сметка сложих и още едно реле за да работи всичко както трябва.
Поздрави!P.S. Аз хубаво го направих, ама май някъде съм объркал. Защо като пусна фаровете от копчето и реленцето започва да прави "Бзззззззззз".
P.S.2: Моля Ви се колеги, помогнете ми малко

P.S.3: Проблема е решен - релето е проблемно, смених го с друго и всичко е 6, фаровете светят с по-малка мощност - просто перфектно. Големи Благодарности на L&R
- Голям е!!!P.S.4: В крайна сметка сложих и още едно реле за да работи всичко както трябва.
Последна промяна от pesho_sl на Вто 18 сеп 2012 12:58, променено общо 3 пъти.
- К.Одаджийски
- VW експерт

- Мнения: 12175
- Регистриран на: Пон 11 сеп 2006 20:11
- Автомобил: Saab 9-3 SS ARC
- Двигател: B207L
- Местоположение: София / Берковица
Re: автоматично палене на светлините
petiop написа:Искам да попитам при пасат В4 от къде да взема + за релето след като е запалил защото на лампата има + веднага след контакт.
Ако говориш за лампата за зареждане плюса на контакт е само 2 волта, след ато запалиш волтовете стават 12 и са достатъчни за релето!
- Akkselsoft
- Мнения: 7
- Регистриран на: Сря 13 сеп 2006 16:41
- Автомобил:
- Двигател:
- Местоположение: Варна
Re: автоматично палене на светлините
ПАСАТ В3 1992
Копчето на фаровете е на 3 позиции. Първата е 0 на втората пуска габаритите при запален или изгасен двигател. Третото положение е такова че когато работи двигателя работят късите или съответно дългите светлини, когато изгася двигателя оставам на габарит.
ВЪПРОСА МИ Е: Може ли второто положение да се запази същото като в момента, но на третото положение след изключване на двигателя да изгася светлините но да не пуска габарит.
Идеята е ако е изключено копчето няма фарове и габарит, ако е на първо положение имам габарити, на трето ми е автоматично запалване и изгасяне на светлини.
Копчето на фаровете е на 3 позиции. Първата е 0 на втората пуска габаритите при запален или изгасен двигател. Третото положение е такова че когато работи двигателя работят късите или съответно дългите светлини, когато изгася двигателя оставам на габарит.
ВЪПРОСА МИ Е: Може ли второто положение да се запази същото като в момента, но на третото положение след изключване на двигателя да изгася светлините но да не пуска габарит.
Идеята е ако е изключено копчето няма фарове и габарит, ако е на първо положение имам габарити, на трето ми е автоматично запалване и изгасяне на светлини.
- dontaskdontsay
- Мнения: 1468
- Регистриран на: Вто 11 май 2010 17:33
- Автомобил: Golf III 1.6 1994
- Двигател: ABU
Re: автоматично палене на светлините
Кои беше наи лесния начин за връзваме ма зумер за забравени светлини ?
+ на габарит и - на копчето от вратата (това за плафона) ?
При това положение зумера свири ли при отваряне и на другите врати ?
Може ли да дадете някаква схемичка за свързване на зумер които да писука само при отваряне на шофьорската врата или при изваден ключ.
+ на габарит и - на копчето от вратата (това за плафона) ?
При това положение зумера свири ли при отваряне и на другите врати ?
Може ли да дадете някаква схемичка за свързване на зумер които да писука само при отваряне на шофьорската врата или при изваден ключ.
- toni_tv
- Мнения: 174
- Регистриран на: Вто 06 мар 2007 21:43
- Автомобил: Passat B5 syncro
- Двигател: ADR
- Местоположение: Белоградчик
Re: автоматично палене на светлините
Преди два дни аз си направих така да свири само при отваряне на шофъорската врата като закачих + на осветлението на таблото/трети бушон/ и за - пуснах кабел до кабела на копчето за вратата /при мен е кафяво-жълт/ но така се задейства и при работещ двигател като се отвори вратата.
- freshk0
- Мнения: 251
- Регистриран на: Пон 28 ное 2005 18:38
- Автомобил: VW Golf 3
- Двигател: ABU 94
- Местоположение: София, Плевен
Re:
Голф 3: Изполвах релето и инсталацият от вече изградената инсталация за пододряване работоспособността на фаровете-само за къси.
Свързах само от буксата на алтернатора \синьото кабелче\ към 86 на релето по тази схема. Шунтирал съм кабела от ключа за късите, за да имам къси само при запален двигател.
86-синьо кабелче алтернатор
85-маса акумулатор
30-бушон-"+"акумулатор
87-към късите светлини

Проблемът:
При опити с даване на контакт и връщане на ключа късите произволно ту светват ту не. Най-вероятно на това кабелче синьото идва някаво напрежение, но защо? Утре ще меря с уреда.
>Меренето с уреда показа 1,24V на кабелчето от алтернатора. Направи ми впечатление, че фаровете светват при първото даване на контакт и при всяко следващо при което ключа е върнат в начална позициа. Ако не се върне ключа в начална позиция и се даде на контакт фаровете не се светят.
Къде греша?
Свързах само от буксата на алтернатора \синьото кабелче\ към 86 на релето по тази схема. Шунтирал съм кабела от ключа за късите, за да имам къси само при запален двигател.
86-синьо кабелче алтернатор
85-маса акумулатор
30-бушон-"+"акумулатор
87-към късите светлини
Проблемът:
При опити с даване на контакт и връщане на ключа късите произволно ту светват ту не. Най-вероятно на това кабелче синьото идва някаво напрежение, но защо? Утре ще меря с уреда.
>Меренето с уреда показа 1,24V на кабелчето от алтернатора. Направи ми впечатление, че фаровете светват при първото даване на контакт и при всяко следващо при което ключа е върнат в начална позициа. Ако не се върне ключа в начална позиция и се даде на контакт фаровете не се светят.
Къде греша?
Re: автоматично палене на светлините
айде и аз да споделя малък проблем, направил съм вече сигурно 15 коли да се палят сами късите, ползвам две схеми, реле и модул със закъснение, като винаги взимам сигнал от алтернатора да затваря релето и да пуска плюс директно на късите. Обаче вчера на един форд маверик не ми се получи номера. Всичко изглежда както на всички коли до сега. Изкарах си плюс от алтернатора, ако работи ДВГ над 13 волта, ако не работи 0 волта. Обаче това е до момента, в който не включа кабелчето в клема 86, включа ли там при запалване на двг има едва 5-6 волта напрежение, което не успява да затвори релето и да пусне директния плюс. Ако изключа и включа кабелчето при работещ ДВГ всичко работи нормално. Ако обаче го включа и изглюча бързно два три пъти напрежението пада на 5 волта и не иска да включи релето ? Какво се случва, някаква защита ли има този джип изваден от архивите ?
- Bai Sando
- Мнения: 8116
- Регистриран на: Чет 27 мар 2008 22:28
- Автомобил: Audi A 3
- Двигател: 2000 TDI 2006г
- Местоположение: Пазарджик
Re: автоматично палене на светлините
Може и защита,може и релето да е скапано и да товари много...пробва ли с друго реле?
Кой е на линия
Потребители, разглеждащи този форум: Няма регистрирани потребители и 30 госта