съмнявам се че не ми работи пресостата на климатика (1J0 959 126) с три кабела е.
може ли някой да каже какъв е принципа на работа на този модел пресостат
на двата крайни кабела идва "+" и "-"
може ли да се пусне климатика без датчика
пресостат за климатик с три кабела
- zfa159
- Мнения: 7920
- Регистриран на: Сря 31 яну 2007 12:16
- Автомобил: Skoda Karoq FL + Passat B4 Syncro
- Двигател: DXRB AGG
- Местоположение: София
- Контакти:
Re: пресостат за климатик с три кабела
Електронен.Средния край е сигналния.Следи налягането в реално време и казва на контролера колко точно е налягането в системата и той преценява какво да прави - дали да пуска 1 или 2 степен на перките,дали да пуска компресора или не и т.н.Ако колата е с климатик,след 99-та също се ползва такъв,кутииката с контролера за перките е по-умна и си го чете направо него.
Без него климатика няма шанс да тръгне.Пробвах се да го лъжа с разни съпротивления и т.н. ама не ми се получи никак успешно.Ако не работи,трябва да се смени.Аз купувах нов,беше 80-90лв ама в предвид мястото,от което го купих,вероятно може да се намери и по-евтино.
Успех!
Без него климатика няма шанс да тръгне.Пробвах се да го лъжа с разни съпротивления и т.н. ама не ми се получи никак успешно.Ако не работи,трябва да се смени.Аз купувах нов,беше 80-90лв ама в предвид мястото,от което го купих,вероятно може да се намери и по-евтино.
Успех!
Re: пресостат за климатик с три кабела
БЛАГОДАРЯ !
А как може да се провери дали наистина проблема е в датчика ?
Знае ли се какво съпротивление дава на средния извод за да работи климатика, предполагам, че има някакъв диапазон ( но не намирам на нито един производител техническите данните).
А как може да се провери дали наистина проблема е в датчика ?
Знае ли се какво съпротивление дава на средния извод за да работи климатика, предполагам, че има някакъв диапазон ( но не намирам на нито един производител техническите данните).
-
emo-gar
- Мнения: 3443
- Регистриран на: Съб 16 сеп 2006 23:13
- Автомобил:
- Двигател:
- Местоположение: София,Lantra 1.5 ,Golf 3-ABS,Vento-R.I.P.
Re: пресостат за климатик с три кабела
Мнооого се съмнявам,че това е "сензор",това да не е инверторен климатик! Прост "SWITCH",с две функции:1-евентуално включва вентилатор при достигане на някакво налягане,2-забрана на климатика при достигане на минимално налягане(пропуск на фреон).Без да влизам в подробност-такова нещо е,напиши му номера в Гугъл и си чети на воля...
- zfa159
- Мнения: 7920
- Регистриран на: Сря 31 яну 2007 12:16
- Автомобил: Skoda Karoq FL + Passat B4 Syncro
- Двигател: DXRB AGG
- Местоположение: София
- Контакти:
Re: пресостат за климатик с три кабела
emo-gar написа:Мнооого се съмнявам,че това е "сензор",това да не е инверторен климатик! Прост "SWITCH",с две функции:1-евентуално включва вентилатор при достигане на някакво налягане,2-забрана на климатика при достигане на минимално налягане(пропуск на фреон).Без да влизам в подробност-такова нещо е,напиши му номера в Гугъл и си чети на воля...
Ами да ама не си си прочел домашното
Датчик от тип switch се използва от VAG без значение за климатик или климатроник до 05 месец 99-та година и е с 4 крачета.Има общо два switch-a вътре.Първия отговаря за пускане и спиране на компресора и 1-ва степен на перката.Под 2 бара не пуска нищо,над 30 бара спира системата аварийно (втората опция я махат при датчиците на B5 и А4 и за това компресорите им стават на салата при дефект и спиране на ел.перка).Втория switch следи високото налягане на фреона и командори 2-ра степен на перката.При 17 бара я пуска,при 14-15 я спира.Това е проблем, защото на не много топло време 2-ра степен постоянно тръгва и спира през няма и 1 минута.
При новия датчик,нещата са много задълбочени (започват производство с него от 05 месец 99-та година).Той мери налягането на фреона в реално време (двата крайни пина (1 и 3) са захранване с 12V ,средния пин е сигланен към електрониката.До колкото съм ровил по Аутодата или из нет-а винаги стигам до следното - на 2 пин има "random digital signal" и духам супата.Ако изменяше съпротивление,щеше да го пише по книгите,така че явно е по-хайтек,нали трябва да е сложно и гадно
.Пък и аз се пробвах да меря работещ такъв с мултицет за да видя какво вади като напрежение на средния край спрямо маса при различни налягания ама не ми се получи...показваше една постоянна стойност без да я мени въобще,а налягането се променяше на живите данни на климатроника,както и на манометрите на машината и то значително,нямах осцилоскоп,за да видя какво вади като импулсна поредица и да гледам ширина на импулс ли променя,какво прави точно с промяната на налягането).Той е такъв,сложен и по-умен, с няколко цели,които оправдават това да е по-сложен от обикновения switch,ипозлван дълги години, а именно - независимо дали е климатик или климатроник,този датчик дава информация на две устройства - контролера за перките/компресора и моторния компютър.При Голф 4 след 05 месец '99 година контролера за перките и компресора е цял втори компютър и има много акъл вътре
.Той решава дали и кога да тръгват перките,както и компресора.Има си и отделни външни входове,които разрешават или забраняват пускането на компресора,ама за тях по-нататък.Датчика казва на контролера за климатика (климатроника) дали има достатъчно налягане,за да тръгне компресора и ако вече работи,на какво налягане е фреона,за да знае какви перки да пусне,дали да си седи на 1 или да минава на 2 степен.Тук вече 2 степен тръгва на 18 бара и спира на 12,за да се избегне горе описания ефект от постоянното минаване от 1 на 2 степен и обратно.Ако налягането стане много голямо и мине 28 бара,той гаси компресора аварийно и не го пуска повече до като не се изгаси и запали колата отново (примерно отпадат ел. перки,понеже им изгаря предпазителя или настъпва запушване в системата и компресора развива много високо налягане за много кратко време.Това за горния датчик не е така,понеже е механичен и той спира компресора,после налягането пада под долната стойност (мисля,че беше 26 бара) и той пак задейства компресора и това е безкраен процес,докато нещо не се счупи и системата не загине или не се усетите,че хладното нещо изчезна по някое време и като цъкне компресора,колата не иска да отлепи - при налягане от сорта на 27-8 бара,компресора убива почти напълно двигател 1.8 моно ABS и пистовия ремък успява да прицвили от натоварването
).По-интересно е другото нещо,което прави този датчик - подава информация и на моторния компютър,който чете стойностите на датчика и си гледа налягането на фреона,защото колкото е по-високо,толкова повече се натоварва двигателя и му се отнема сериозно количество мощност.Има си сметалка,която гледа какви са оборотите на двигателя и колко е натиснат педала на газта и според това определя дали е удачно да спре компресора,за да може да освободи още мощност на двигателя (примерно той е на 3000 оборота,а педала е натиснат до край,примерно при изпреварване по нанагорнище и в този момент,понеже е 40 градуса,фреона е на 20-тина бара налягане и компресора изсмуква едни 15 коня от двигателя).Ако компютъра осъзнае тази или сходна ситуация, подава сигнал на един от въпросните входове на умния контролер за перките/компресора и той мигновено спира компресора и остава спрян,докато го има сигнала.Когато комп-а реши,че вече може да го пусне отново (отпуснем педала на газта или оборотите се вдигат по-адекватно при подаване на газ,защото сме на равен път вече или сме спрели да изпреварваме и т.н. различни ситуации),спира сигнала към контролера и компресора тръгва отново.Това масово го има за малките мотори (AKL примерно си го има на 100% и съм си играл на него,да го излседвам как работи точно
Поради причината,че този датчик е вързан към моторния комп. ,той може да се чете през живите данни на компютъра (секция 193 май беше,трябва да видя,имам я записана в сервиза коя точно е за AZD двигател, за другите по спомен е същата) и да се гледа моментното налягане на фреона в системата на климатика.При кола с климатроник освен там,може да се чете и при данните на климатроника при диагностика с VAG-Com.
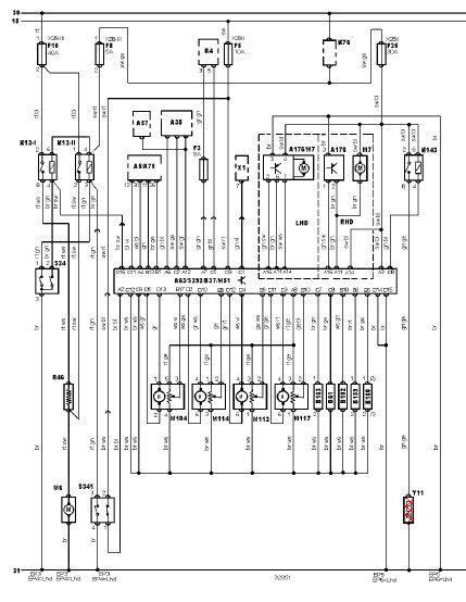
Ето и ел. схема на прост климатик след 05.99-та като вкарах малко разяснения кое квадратче какво е всъщност (измъкната е от Аутодата 2009,ако някой иска да я разглежда цялата подробно):
Аз лично нямам какво да добавя повече за датчика ти,защото това е всичко,което аз знам за него и за това как работи.Надуших вече,че имаш проблем с климатика,ама помогни ми малко,за да ти помогна и аз.Обясни първо дали е климатик или климатроник,после какво не му е наред (99% съм убеден,че не тръгва компресора,а фреон си има ,но искам да го чуя от теб),коя година е колата,с какъв двигател е и други интересни факти от живота на твоя Голф 4 от както е твой

-
emo-gar
- Мнения: 3443
- Регистриран на: Съб 16 сеп 2006 23:13
- Автомобил:
- Двигател:
- Местоположение: София,Lantra 1.5 ,Golf 3-ABS,Vento-R.I.P.
Re: пресостат за климатик с три кабела
zfa159,ако е "сензор"-тогава изхода му е или "4-20ma",или нещо от сорта.Затова с волтметър нищо не мериш.Иначе има логика-да направят от простото-сложно,да сложат контролер на "on-off" система.Да си каже човека годината на колата и т.н...,тогава ще се разсъждава.Иначе навсякъде по тоя номер е "switch",който не прави разлика със "sensor"- негова е грешката.Попипвам по разни хладилни инсталации,та така от "емпиричен" опит..За какъв им е,да обработват тия сигнали с контролер и накрая едно реле да прекъсне съединител на компресор или да включи проста перка
,то е ясно де-"всеки да не пипа..
"
http://seekpart24.com/hella/pressure-sw ... 6&at=34386
Някъде се зачетох,правена е "имитация" с потенциометър 5Kом-двете крайни на захранване,средата-сигнал,дали е успешен не разбрах(чешки или полски сайт,пжш..ъкат като пишат
)
,то е ясно де-"всеки да не пипа..
"http://seekpart24.com/hella/pressure-sw ... 6&at=34386
Някъде се зачетох,правена е "имитация" с потенциометър 5Kом-двете крайни на захранване,средата-сигнал,дали е успешен не разбрах(чешки или полски сайт,пжш..ъкат като пишат
- zfa159
- Мнения: 7920
- Регистриран на: Сря 31 яну 2007 12:16
- Автомобил: Skoda Karoq FL + Passat B4 Syncro
- Двигател: DXRB AGG
- Местоположение: София
- Контакти:
Re: пресостат за климатик с три кабела
Нали трябва като окъси перката и изгори контролера за нея вместо предпазителя,да имат основание да му искат примерно 1000лв ,за това го правят сложно и гадно и се усложнява цялата ситуация със следващите модели...иначе е твърде здраво,което се вижда при колите до '99,които си работят и със старите механични датчици съвсем чудесно


Re: пресостат за климатик с три кабела
Пробвахме да го презаредим.
Вакумирахме и вкарахме около 200гр. фреон налягането стана около 4бара но компресора не се включи
Пробвахме електромагнита на компресора - работи
стигнахме до пресостата и греда!!!
Днес го смених и пак нищо !!!
Вакумирахме и вкарахме около 200гр. фреон налягането стана около 4бара но компресора не се включи
Пробвахме електромагнита на компресора - работи
стигнахме до пресостата и греда!!!
Днес го смених и пак нищо !!!
- zfa159
- Мнения: 7920
- Регистриран на: Сря 31 яну 2007 12:16
- Автомобил: Skoda Karoq FL + Passat B4 Syncro
- Двигател: DXRB AGG
- Местоположение: София
- Контакти:
Re: пресостат за климатик с три кабела
Системата събира около 700-750 грама на тази кола
като за начало
След това - вероятно имаш проблем или с този датчик (кажи какъв е двигателя за да ти кажа къде да го четеш) или в датчика за външна температура,понеже е слабо място на Голф 4.Пак според двигателя мога да ти дам ел. схема на климатика и да ти кажа къде какво да гледаш.

След това - вероятно имаш проблем или с този датчик (кажи какъв е двигателя за да ти кажа къде да го четеш) или в датчика за външна температура,понеже е слабо място на Голф 4.Пак според двигателя мога да ти дам ел. схема на климатика и да ти кажа къде какво да гледаш.

- drift
- Мнения: 103
- Регистриран на: Вто 08 мар 2005 0:26
- Автомобил: Skoda Octavia TDI
- Двигател: AHF 1999
- Местоположение: Sofia
Re: пресостат за климатик с три кабела
Дайте ел схема или нещо че и аз го закъсах с една Октавия с климатика,смених пресостата(от него изпускаше и фреон),изчистих грешката на ВАГ-КОМ,остана грешка на клапите за посока на духалките,имам проблем с температурният датчик на двигателя.След като смених пресостата и изчистих грешката,напълних фреон и компресора пак неще да включва.Новият пресостат е 1:1 на вид,но има 1 цифра различна в номера,дали е възможно да е от това?Дайте рамо че ми писна.
- zfa159
- Мнения: 7920
- Регистриран на: Сря 31 яну 2007 12:16
- Автомобил: Skoda Karoq FL + Passat B4 Syncro
- Двигател: DXRB AGG
- Местоположение: София
- Контакти:
Re: пресостат за климатик с три кабела
те пресостатите са с 3 или 4 крачета,иначе разликата им е само в наляганията и резбите.Октавията я виж през Ваг-ком какво дава за този датчик,ако е с 3 крачета.Трябва да можеш да гледаш налягането или в климатроника или в двигателя,според версията на софтуерите.
За другата кола - проблема може да е в онази прословута кутиика под акумулатора,която пуска и спира перките и компресора.Твоят датчик също можеш да го прочетеш през Ваг-ком и да видиш какви стойности дава при различни налягания в системата.

За другата кола - проблема може да е в онази прословута кутиика под акумулатора,която пуска и спира перките и компресора.Твоят датчик също можеш да го прочетеш през Ваг-ком и да видиш какви стойности дава при различни налягания в системата.

- drift
- Мнения: 103
- Регистриран на: Вто 08 мар 2005 0:26
- Автомобил: Skoda Octavia TDI
- Двигател: AHF 1999
- Местоположение: Sofia
Re: пресостат за климатик с три кабела
При мен нещата отиват май на електромагнитната шайба на компресора.
- zfa159
- Мнения: 7920
- Регистриран на: Сря 31 яну 2007 12:16
- Автомобил: Skoda Karoq FL + Passat B4 Syncro
- Двигател: DXRB AGG
- Местоположение: София
- Контакти:
Re: пресостат за климатик с три кабела
е,това се проверява елементарно - слагаш една крушка на мястото на компресора на двете кабелчета и гледаш.По-добре е така,защото при Голф 4 има два типа ел. схема и едната прекъсва + на компресора,другата маса.Товара там е 6-7А ,така че с една крушка 21W за мигач примерно,няма да прецакаш нищо 
Ако е изгоряла бобината - сменя се с друга и готово,няма проблеми за това,втора ръка има колкото искаш (аз в сервиза имам поне 5-6 за тези компресори).

Ако е изгоряла бобината - сменя се с друга и готово,няма проблеми за това,втора ръка има колкото искаш (аз в сервиза имам поне 5-6 за тези компресори).

- sportul
- Мнения: 1218
- Регистриран на: Съб 06 сеп 2008 22:12
- Автомобил: Passat B5 Peugeot 407 RHR BVM6
- Двигател: RHR Delphi DCM
- Местоположение: Варна
Re: пресостат за климатик с три кабела
В корубата където са въздуховодите пак има датчик за температурата ,той ако не бачка пак няма се пусне
-
apekov
- Мнения: 72
- Регистриран на: Нед 21 фев 2010 22:53
- Автомобил: VW Passat B 5
- Двигател: AMX 2004 4Moution
- Местоположение: Pleven
Re: пресостат за климатик с три кабела
zfa159 написа:emo-gar написа:Мнооого се съмнявам,че това е "сензор",това да не е инверторен климатик! Прост "SWITCH",с две функции:1-евентуално включва вентилатор при достигане на някакво налягане,2-забрана на климатика при достигане на минимално налягане(пропуск на фреон).Без да влизам в подробност-такова нещо е,напиши му номера в Гугъл и си чети на воля...
Ами да ама не си си прочел домашното![]()
Датчик от тип switch се използва от VAG без значение за климатик или климатроник до 05 месец 99-та година и е с 4 крачета.Има общо два switch-a вътре.Първия отговаря за пускане и спиране на компресора и 1-ва степен на перката.Под 2 бара не пуска нищо,над 30 бара спира системата аварийно (втората опция я махат при датчиците на B5 и А4 и за това компресорите им стават на салата при дефект и спиране на ел.перка).Втория switch следи високото налягане на фреона и командори 2-ра степен на перката.При 17 бара я пуска,при 14-15 я спира.Това е проблем, защото на не много топло време 2-ра степен постоянно тръгва и спира през няма и 1 минута.
При новия датчик,нещата са много задълбочени (започват производство с него от 05 месец 99-та година).Той мери налягането на фреона в реално време (двата крайни пина (1 и 3) са захранване с 12V ,средния пин е сигланен към електрониката.До колкото съм ровил по Аутодата или из нет-а винаги стигам до следното - на 2 пин има "random digital signal" и духам супата.Ако изменяше съпротивление,щеше да го пише по книгите,така че явно е по-хайтек,нали трябва да е сложно и гадно.Пък и аз се пробвах да меря работещ такъв с мултицет за да видя какво вади като напрежение на средния край спрямо маса при различни налягания ама не ми се получи...показваше една постоянна стойност без да я мени въобще,а налягането се променяше на живите данни на климатроника,както и на манометрите на машината и то значително,нямах осцилоскоп,за да видя какво вади като импулсна поредица и да гледам ширина на импулс ли променя,какво прави точно с промяната на налягането).Той е такъв,сложен и по-умен, с няколко цели,които оправдават това да е по-сложен от обикновения switch,ипозлван дълги години, а именно - независимо дали е климатик или климатроник,този датчик дава информация на две устройства - контролера за перките/компресора и моторния компютър.При Голф 4 след 05 месец '99 година контролера за перките и компресора е цял втори компютър и има много акъл вътре mhihi .Той решава дали и кога да тръгват перките,както и компресора.Има си и отделни външни входове,които разрешават или забраняват пускането на компресора,ама за тях по-нататък.
Датчика казва на контролера за климатика (климатроника) дали има достатъчно налягане,за да тръгне компресора и ако вече работи,на какво налягане е фреона,за да знае какви перки да пусне,дали да си седи на 1 или да минава на 2 степен.Тук вече 2 степен тръгва на 18 бара и спира на 12,за да се избегне горе описания ефект от постоянното минаване от 1 на 2 степен и обратно.Ако налягането стане много голямо и мине 28 бара,той гаси компресора аварийно и не го пуска повече до като не се изгаси и запали колата отново (примерно отпадат ел. перки,понеже им изгаря предпазителя или настъпва запушване в системата и компресора развива много високо налягане за много кратко време.Това за горния датчик не е така,понеже е механичен и той спира компресора,после налягането пада под долната стойност (мисля,че беше 26 бара) и той пак задейства компресора и това е безкраен процес,докато нещо не се счупи и системата не загине или не се усетите,че хладното нещо изчезна по някое време и като цъкне компресора,колата не иска да отлепи - при налягане от сорта на 27-8 бара,компресора убива почти напълно двигател 1.8 моно ABS и пистовия ремък успява да прицвили от натоварването :shock).
По-интересно е другото нещо,което прави този датчик - подава информация и на моторния компютър,който чете стойностите на датчика и си гледа налягането на фреона,защото колкото е по-високо,толкова повече се натоварва двигателя и му се отнема сериозно количество мощност.Има си сметалка,която гледа какви са оборотите на двигателя и колко е натиснат педала на газта и според това определя дали е удачно да спре компресора,за да може да освободи още мощност на двигателя (примерно той е на 3000 оборота,а педала е натиснат до край,примерно при изпреварване по нанагорнище и в този момент,понеже е 40 градуса,фреона е на 20-тина бара налягане и компресора изсмуква едни 15 коня от двигателя).Ако компютъра осъзнае тази или сходна ситуация, подава сигнал на един от въпросните входове на умния контролер за перките/компресора и той мигновено спира компресора и остава спрян,докато го има сигнала.Когато комп-а реши,че вече може да го пусне отново (отпуснем педала на газта или оборотите се вдигат по-адекватно при подаване на газ,защото сме на равен път вече или сме спрели да изпреварваме и т.н. различни ситуации),спира сигнала към контролера и компресора тръгва отново.Това масово го има за малките мотори (AKL примерно си го има на 100% и съм си играл на него,да го излседвам как работи точно :) има го и AZD мисля,че беше кода),за по-големите рядко се слага,за автоматици го има на почти всички двигатели като функция.
Поради причината,че този датчик е вързан към моторния комп. ,той може да се чете през живите данни на компютъра (секция 193 май беше,трябва да видя,имам я записана в сервиза коя точно е за AZD двигател, за другите по спомен е същата) и да се гледа моментното налягане на фреона в системата на климатика.При кола с климатроник освен там,може да се чете и при данните на климатроника при диагностика с VAG-Com.
Ето и ел. схема на прост климатик след 05.99-та като вкарах малко разяснения кое квадратче какво е всъщност (измъкната е от Аутодата 2009,ако някой иска да я разглежда цялата подробно):
Аз лично нямам какво да добавя повече за датчика ти,защото това е всичко,което аз знам за него и за това как работи.Надуших вече,че имаш проблем с климатика,ама помогни ми малко,за да ти помогна и аз.Обясни първо дали е климатик или климатроник,после какво не му е наред (99% съм убеден,че не тръгва компресора,а фреон си има ,но искам да го чуя от теб),коя година е колата,с какъв двигател е и други интересни факти от живота на твоя Голф 4 от както е твой:
Използвам тази тема макар и стара за малко съвет. С теб си писахме на лични но там не видях как да прикача файла. Значи установих защо като дам на контакт ми се включва перката на вентилатора на парното без колата да е запалена или загряла и климатроника да е изключен. На изход D16 по схемата който отива към релето за първа степен на вентилатора имам постоянен минус, по-точно има 60 ома между него и маса и като дам контакт на това реле му идва +, а минуса го намира през тези 60 Ома и то се задейства, а от там и вентилатора тръгва. Свалих модула на климатроника и го разкостих, установих че ИС от другия файл на 23 крак се връзва към 16 пин на буксата D и като меря с мултицета хващам тези 60 Ома. на същата схема на извод D8 е релето за магнитния съединител за компресора, Може и да бъркам името му, но това не е толкова важно, но там спрямо маса няма нищо, а като меря на диод хващам преход, което ме навежда на мисълта че схемата е заминала. Модула е HELLA на климатроника колата е пасат Б5 II.97г. мотора е ADR. Такава ИС не намерих никъде да се предлага най вероятно се произвежда само за HELLA затова я няма, та питането ми е може ли да ползвам изхода D8 през оптрон и транзисторен ключ да подаде сигнал към релето K12-1, така че като дойде минус за ел.магнита на компресора да се пусне и минус към релето К12-1.

Върни се в “Golf, Vento, Jetta & Bora”
Кой е на линия
Потребители, разглеждащи този форум: Няма регистрирани потребители и 72 госта