Някой може ли да даде някаква схема ,дори и да е начертана с на ръка.......
Благодаря
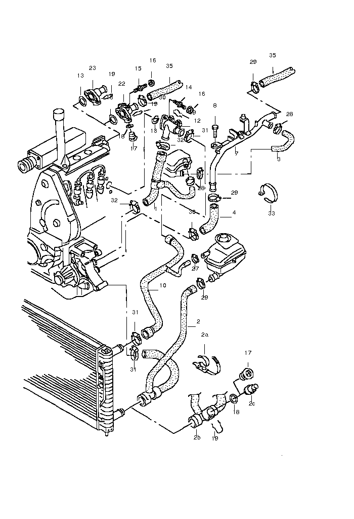
Схема на охладителната система на АФН
- mariovasi
- Мнения: 1787
- Регистриран на: Съб 16 фев 2008 17:51
- Автомобил: Skoda scala 110kw DSG 2020
- Двигател: TSI
- Местоположение: Г. Оряховица/В.Търново
Re: Схема на охладителната система на АФН
WATER COOLING / 1.9ltr. / / / / 4 cylinder / diesel eng.: / AHU,AFN,AHH, / AVG
- viktoris
- Мнения: 500
- Регистриран на: Пон 10 ное 2008 0:54
- Автомобил: Passat 98 AFN Galaxy AHU 97
- Двигател:
- Местоположение: Монтана
Re: Схема на охладителната система на АФН
thank youuuuu 

Върни се в “Дизелови агрегати”
Кой е на линия
Потребители, разглеждащи този форум: Няма регистрирани потребители и 74 госта