монтаж на агу голф 3 1.6 АБУ
- Winner25
- Мнения: 7339
- Регистриран на: Пон 14 мар 2005 15:33
- Автомобил: VW Passat B4 B6
- Двигател: ABS BKC
- Местоположение: Казанлък
Re: монтаж на агу голф 3 1.6 АБУ
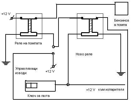
Като прекъснеш помпата дюзата ще продължи известно време да пуска бензин понеже бензинопроводите са под налягане. После докато тръгне на бензин ще трябва да качи налягане. Помпата ако искаш я спирай, ама дюзата се спира задължително.
-
mitaka_kb
- Мнения: 36
- Регистриран на: Пет 01 юли 2011 6:36
- Автомобил: GOLF 3
- Двигател: ABU 1993
- Местоположение: kubrat
Re: монтаж на агу голф 3 1.6 АБУ
ок благодаря колега намерих си някакви схемички и дано да се получи.
-
mitaka_kb
- Мнения: 36
- Регистриран на: Пет 01 юли 2011 6:36
- Автомобил: GOLF 3
- Двигател: ABU 1993
- Местоположение: kubrat
Re: монтаж на агу голф 3 1.6 АБУ
здравеите отново някои ако може дами обясни по подромно точно как се прекъсва дюзате че нещто не схванах.
Върни се в “Автогазови уредби”
Кой е на линия
Потребители, разглеждащи този форум: Няма регистрирани потребители и 43 госта
