Сигнализатор за високи обороти
Правила на форума
Натисни тук за да прочетеш Правилата на форума
Натисни тук за да прочетеш Правилата на форума
- К.Одаджийски
- VW експерт

- Мнения: 12197
- Регистриран на: Пон 11 сеп 2006 20:11
- Автомобил: Saab 9-3 SS ARC
- Двигател: B207L
- Местоположение: София / Берковица
Re: Сигнализатор за високи обороти
Толкова време което отне тая процедура по създаването на нещо, да сте сипали 20 кила бензин и на някой полигон музиката на макс и да сте се научили да си усещате двигателя без никакви сигнализатори и шитни.
- milmar
- Мнения: 4935
- Регистриран на: Съб 22 мар 2008 2:57
- Автомобил: Passat B4 and B6 Variant
- Двигател: 1Z and CBDC
- Местоположение: Русе
Re: Сигнализатор за високи обороти
К.Одаджийски написа:Толкова време което отне тая процедура по създаването на нещо, да сте сипали 20 кила бензин и на някой полигон музиката на макс и да сте се научили да си усещате двигателя без никакви сигнализатори и шитни.
Зависи от целите които си поставя човек , виждал съм много хора по полигоните , които не знаят какво е анод и катод , а също и такива които си усещат двигателя , когато избие гарнитура и то по това че "вече не ще да върви"
Re: Сигнализатор за високи обороти
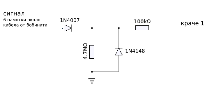
Гледайки схемата на тоя превключвател за газ, направих следния вход за краче 1:
Махнах диода между краче 1 и захранването, защото ми се струваше, че от там минава токът и не стига до краче 1 заради резистора от 100k. По мойте разбирания това би трябвало да се случва само ако напрежението на сигнала е по-голомо от захранващото напрежение. Другия диод, който съм оставил - между сигнала и маса мисля, че спокойно мога да го махна след като сигнала първо минава през изправителния диод.
Какво се случи:
При изгасени габарити схемата проработи.
Включа ли обаче габаратите и/или фаровете - не иска да работи.
Между другото сложил съм релета както на крушките за къси и дълги, така и едно реле за двата предни габарита. Също така от захранването на комутатора (двата крайна кабела) съм взел ток за вентилаторчето обдухващо бобината. Но честно казане не мисля, че тези неща имат отношение по проблема.
Махнах диода между краче 1 и захранването, защото ми се струваше, че от там минава токът и не стига до краче 1 заради резистора от 100k. По мойте разбирания това би трябвало да се случва само ако напрежението на сигнала е по-голомо от захранващото напрежение. Другия диод, който съм оставил - между сигнала и маса мисля, че спокойно мога да го махна след като сигнала първо минава през изправителния диод.
Какво се случи:
При изгасени габарити схемата проработи.
Включа ли обаче габаратите и/или фаровете - не иска да работи.
Между другото сложил съм релета както на крушките за къси и дълги, така и едно реле за двата предни габарита. Също така от захранването на комутатора (двата крайна кабела) съм взел ток за вентилаторчето обдухващо бобината. Но честно казане не мисля, че тези неща имат отношение по проблема.
- milmar
- Мнения: 4935
- Регистриран на: Съб 22 мар 2008 2:57
- Автомобил: Passat B4 and B6 Variant
- Двигател: 1Z and CBDC
- Местоположение: Русе
Re: Сигнализатор за високи обороти
Диода към захранването е точно затова - да предпази входа на схемата от пик по-висок по напрежение от захранващото . Възможно е в чипа да има вграден такъв диод , така или иначе не би трябвало да пречи този външния . Диода към маса го остави , не е напълно безмислен . 1N4007 е бавен диод , ползва се предимно за мрежова честота и не е съвсем подходящ за това място , но така или иначе и той сякаш не е проблемен в момента. Понеже е бавен , което значи че е необходимо значително време да се запуши , а също и заради паразитния си капацитет може да "прехвърли" отрицателен потенциал (пик) в посоката в която би трябвало да е запушен .Затова се слага другия диод - към маса .
Но това с габаритите е много странно ,дори невероятно , но все трябва да има някаква връзка .
Но това с габаритите е много странно ,дори невероятно , но все трябва да има някаква връзка .
Re: Сигнализатор за високи обороти
milmar написа:Но това с габаритите е много странно ,дори невероятно , но все трябва да има някаква връзка .
Точно това, че е невероятно и че се случва при различните източници на сигнал, дори от бобината, откъдето сигнала е индиректен, ме подсети, че проблемът трябва да е в захранването.
Както бях писал по-горе
chas написа:И остава да разбера как да се докопам до кабели за захранване, след контактния ключ
Не знаех точно от кой от много кабели да взема захранването и затова като прочетох, че на гнездо 10 от релетата, на позиция 3 има Light Switch Power си рекох там ще е. (Виж снимката.) Позиция 3 и 4 са свързани с метален мост, за който запоих кабелите си. На позиция 5 пък пише Main Fusebox Ground и реших от там да е масата. Замерих напреженито и всичко беше ОК.
Добре, но сега като си погледна снимката и виждам, че вместо на позиция 5 съм вкарал масата в позиция 1, а то е Parking Light Power
Вече не помня коя позиция съм замервал, но явно като са изключени светлините на позиция 1 е маса.Утре ще преместя кабелите за маса на позиция 5 и се надявам всичко да е ОК.
Между другото виждали ли сте това: http://youtu.be/TxRseYBYbbQ
Re: Сигнализатор за високи обороти
Да, сега работи и при включени габарити
И аз понаичух някои неща
Сега ще сложа една NOT Gate пред единия светодиод, за да стане той сигнализатор за ниски обороти и след подробно тестване ще се опитам да обобщя нещата и да публикувам снимки.

milmar написа:Винаги , когато правя някаква схема се надявам тя да НЕ проработи веднага , колко неща научавам докато я подкарам , ехе-е-е, а иначе ако тръгне от раз - нищо !
И аз понаичух някои неща
Сега ще сложа една NOT Gate пред единия светодиод, за да стане той сигнализатор за ниски обороти и след подробно тестване ще се опитам да обобщя нещата и да публикувам снимки.

- pas1.8mi
- Мнения: 5208
- Регистриран на: Нед 10 окт 2004 14:08
- Автомобил: Passat B5
- Двигател: 1.8T AEB 1999
- Местоположение: София,Плевен
Re: Сигнализатор за високи обороти
Добре е ,че си открил вече проблема!
Иначе си има едно старо(електронно) правило и то гласи:ако нещо тръгне от първия път,веднага го изключи-нещо си объркал!

Иначе си има едно старо(електронно) правило и то гласи:ако нещо тръгне от първия път,веднага го изключи-нещо си объркал!

Re: Сигнализатор за високи обороти
Колеги, сигнализаторът е готов, поставен е и работи 
Тук съм описал подробно как съм го направил: Сигнализатор за високи обороти.
Ето видеото и в youtube: http://youtu.be/wYqBImNcZOA
Благодаря на всички за помощта!
Тук съм описал подробно как съм го направил: Сигнализатор за високи обороти.
Ето видеото и в youtube: http://youtu.be/wYqBImNcZOA
Благодаря на всички за помощта!
- К.Одаджийски
- VW експерт

- Мнения: 12197
- Регистриран на: Пон 11 сеп 2006 20:11
- Автомобил: Saab 9-3 SS ARC
- Двигател: B207L
- Местоположение: София / Берковица
Re: Сигнализатор за високи обороти
Евала колега за ентусиазма, изпълнението и подробното обяснение за направата на устойството
но ще си позволя да се самоцитирам от първата страница на темата
Продължавам да твърдя, че нормално колата се кара със задника, за дрАпки е друга работата.
все пак важното е на теб и приятелката ти да ви е полезна екстрата, а щом е стил направи си сам заслужава уважение
но ще си позволя да се самоцитирам от първата страница на тематаК.Одаджийски написа:Дори и за начинаещи водачи не е полезно. Не го ли усетиш двигателя че се тормози и да гледаш в таблото файда няма. Дали ще свети лампичка или стрелката на оборотомера е без значение, все ще отвлича вниманието. Виж ако ползваш колата за състезания е полезно това нещо, но за обикновено шофиране е безпредметно.
Продължавам да твърдя, че нормално колата се кара със задника, за дрАпки е друга работата.
все пак важното е на теб и приятелката ти да ви е полезна екстрата, а щом е стил направи си сам заслужава уважение

Re: Сигнализатор за високи обороти
Здравейте
Темата е малко стара до ми допадна за един експеримент :)
Да ви попитам от къде да взема сигнала на дизелов автомобил и как да управлявам реле вместо диод ?
Темата е малко стара до ми допадна за един експеримент :)
Да ви попитам от къде да взема сигнала на дизелов автомобил и как да управлявам реле вместо диод ?
Кой е на линия
Потребители, разглеждащи този форум: Няма регистрирани потребители и 36 госта