Венто Електроинсталация

Техническа и сервизна информация за Golf, Vento, Jetta и Bora
Потребителски аватар
PARAPONERA
Мнения: 12
Регистриран на: Вто 02 ное 2010 8:09
Автомобил:
Двигател:
Местоположение: гр.Шумен

Венто Електроинсталация

Мнениеот PARAPONERA » Сря 30 яну 2013 17:25


Добър ден колеги.Преди известно време пострадах....окрадаха ми всичко що свети отзад на колата, включително задният номер и чистачките. Карам "Венто" 1997год.....е сега стои пред блока но ще си го карам като го оправя. Намерил съм си всичките електрически подробности, но естествено от моргата и са от модели произведени преди 95 год. и има разлики в щепселите.... :lovevw някой може ли да ме посъветва от къде да си намеря схема на осветлението - електроинсталацията. Колата е с двигател 1Z, ако това изобщо има някакво значение.




Потребителски аватар
Alex_ace
Мнения: 154
Регистриран на: Пет 16 яну 2009 21:23
Автомобил: Golf 4 1.6
Двигател: AKL
Местоположение: Бургас

Re: Венто Електроинсталация

Мнениеот Alex_ace » Сря 30 яну 2013 18:34


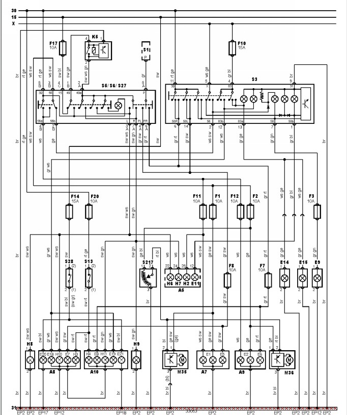
Ето колега - схемата на външното осветление на твоята кола :)
Прикачени файлове
Untitled.jpg


Потребителски аватар
Alex_ace
Мнения: 154
Регистриран на: Пет 16 яну 2009 21:23
Автомобил: Golf 4 1.6
Двигател: AKL
Местоположение: Бургас

Re: Венто Електроинсталация

Мнениеот Alex_ace » Сря 30 яну 2013 18:36


Това е за твоята . За по-старите съшо ги има в Autodata :)


Потребителски аватар
PARAPONERA
Мнения: 12
Регистриран на: Вто 02 ное 2010 8:09
Автомобил:
Двигател:
Местоположение: гр.Шумен

Re: Венто Електроинсталация

Мнениеот PARAPONERA » Сря 30 яну 2013 19:03


Алекс, благодаря ти много. Копнах си схемата и се надявам да ми бъде полезна. Като приключа с всички ядове ще разкажа как се развили нещата,лошото ,е че ще трябва да сменям и регистрацията. Там ще отидат сигурно още едни 70-80 лв.


Потребителски аватар
Alex_ace
Мнения: 154
Регистриран на: Пет 16 яну 2009 21:23
Автомобил: Golf 4 1.6
Двигател: AKL
Местоположение: Бургас

Re: Венто Електроинсталация

Мнениеот Alex_ace » Сря 30 яну 2013 19:18


Успех с ремонта и с "акулите" в КАТ . Дано се оправис с схемата - дръпни си и AUTODATA 3.38 от Zamunda.net - много неща има и с обясненията :) .Поздрави


Потребителски аватар
PARAPONERA
Мнения: 12
Регистриран на: Вто 02 ное 2010 8:09
Автомобил:
Двигател:
Местоположение: гр.Шумен

Re: Венто Електроинсталация

Мнениеот PARAPONERA » Пет 01 фев 2013 20:03


Алекс, отново искам да ти благодаря за схемата. Определено ми беше полезна.Успях да оправя сам всички кабели и щепсели....всичко вече свети и мига както си трябва. В КАТ се оправих без проблем, но съм 78 лв.назад само от държавните такси, отделно 100 лв. за всички части отзад и то втора употреба, Цените в магазините не искам просто да ги коментирам.......



Върни се в “Golf, Vento, Jetta & Bora”

Кой е на линия

Потребители, разглеждащи този форум: Няма регистрирани потребители и 45 госта