Проблем с връзване на бензинови помпи дерби/поло г40

Техническа и сервизна информация за Polo, Lupo, Up и Fox
Потребителски аватар
AVTO_JAMBAS
Мнения: 240
Регистриран на: Нед 27 май 2007 9:09
Автомобил: r19 cabrioler wiliams
Двигател:
Местоположение: София

Проблем с връзване на бензинови помпи дерби/поло г40

Мнениеот AVTO_JAMBAS » Пон 14 окт 2013 8:40


монтирахме помпите по местата захранихме ги с + от контактния ключ плюса от контактния го има само на контакт
сега помпите не работят на контакт а работят при въртене на стартер та мисълта ми е
трябва ли да минат през реле и как да го свържем това реле че помпите за заработят както трябва
сложехме мотор г40 в коша на дерби но с тия помпи съвсем се умешахме
ще бъда благодарен ако някой колега каже как точно да стане
мерси предварително :bowdown




Somi
Мнения: 687
Регистриран на: Вто 22 фев 2011 20:26
Автомобил:
Двигател:
Местоположение: София

Re: Проблем с връзване на бензинови помпи дерби/поло г40

Мнениеот Somi » Вто 15 окт 2013 10:13


Разбира се че има реле за време , като дадеш контакт вкл за 5 сек и спира помпите като тръгнеш да палиш ги пуска отново.


Потребителски аватар
AVTO_JAMBAS
Мнения: 240
Регистриран на: Нед 27 май 2007 9:09
Автомобил: r19 cabrioler wiliams
Двигател:
Местоположение: София

Re: Проблем с връзване на бензинови помпи дерби/поло г40

Мнениеот AVTO_JAMBAS » Сря 23 окт 2013 14:18


да разбрах а как да го вържа


Потребителски аватар
moimoimoi
Мнения: 2418
Регистриран на: Сря 21 мар 2007 21:05
Автомобил:
Двигател:
Местоположение: В голф2 VR6 турбо

Re: Проблем с връзване на бензинови помпи дерби/поло г40

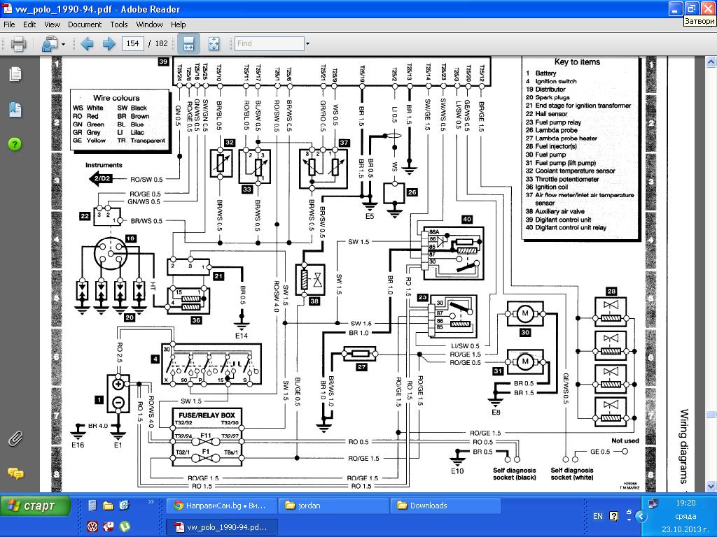
Мнениеот moimoimoi » Сря 23 окт 2013 18:23


eто
Прикачени файлове
без име.JPG



Върни се в “Polo, Lupo, Up & Fox”

Кой е на линия

Потребители, разглеждащи този форум: Няма регистрирани потребители и 37 госта