Смяна на скоростна кутия на GOLF 2
- Димитър Христов
- Мнения: 37
- Регистриран на: Пон 24 авг 2009 20:55
- Автомобил: Golf mk2
- Двигател: 1988 RF
- Местоположение: Свиленград
Смяна на скоростна кутия на GOLF 2
Здравейте,колеги.Може ли да попитам нещо за смяна на скоростна кутия?Колата ми е Голф 2 1.6 72 коня RF двигател,скоростна кутия тип 020 модел 4R.Та въпросът ми е може ли да заменя моята 4R(четири степенна) с 4T (пет степенна ) без да сменям стартери,жила,тампони или нещо друго?Нужно ли е да се сменя нещо по механизма на скоростния лост?Благодаря предварително.
- anrus
- Мнения: 909
- Регистриран на: Вто 13 ное 2007 18:08
- Автомобил: Golf2 10Millionen и Golf2 Country
- Двигател: RF-1988 и 1P-1991
- Местоположение: Горна Оряховица
Re: Смяна на скоростна кутия на GOLF 2
Кутиите се заменят директно (аз съм с RF и кутия 4T), но има малки разлики в два елемента от механизма за избор на предавките.
- Димитър Христов
- Мнения: 37
- Регистриран на: Пон 24 авг 2009 20:55
- Автомобил: Golf mk2
- Двигател: 1988 RF
- Местоположение: Свиленград
Re: Смяна на скоростна кутия на GOLF 2
Благодаря за бързия и точен отговор.Може ли по конкретно да ми кажете,кой са тези 2 елемента,който трябва да сменя за да нямам проблеми(предполагам с 5 скорост)?
- stefan4o
- Мнения: 19344
- Регистриран на: Съб 16 юни 2007 6:07
- Автомобил: VW Jetta
- Двигател: PN 1990+KR 1987
- Местоположение: Стара Загора
- Контакти:
Re: Смяна на скоростна кутия на GOLF 2
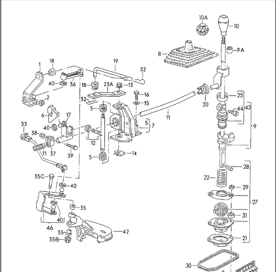
Елементите, които имат разлики са:
36. Selector rod
46. Relay lever
Не прави грешката като някои колеги да си режеш ламарината на купето
Просто смени тези двете барабар с кутията и ще стане като заводско.
36. Selector rod
46. Relay lever
Не прави грешката като някои колеги да си режеш ламарината на купето
Просто смени тези двете барабар с кутията и ще стане като заводско.- Димитър Христов
- Мнения: 37
- Регистриран на: Пон 24 авг 2009 20:55
- Автомобил: Golf mk2
- Двигател: 1988 RF
- Местоположение: Свиленград
Re: Смяна на скоростна кутия на GOLF 2
Благодаря за бързия отговор stefan4o и за това,че сте си направили труда да ми качите чертежа на механизма на скоростния лост.Не смятам да режа каквото и да е било от Голфа.В момента всичко му е в оригинален вид(дори и тазовете
).Ще си купувам скоростната кутия от колега от Форума,проблемът е ,че той е свалил двигателя със скоростната кутия и си си е сложил друг.Та лостът с механизмите е останал на колата.Продават ли се чисто нови тези 2 елемента или трябва да си ги набавя от някъде.Отново Ви благодаря anrus и stefan4o.
- anrus
- Мнения: 909
- Регистриран на: Вто 13 ное 2007 18:08
- Автомобил: Golf2 10Millionen и Golf2 Country
- Двигател: RF-1988 и 1P-1991
- Местоположение: Горна Оряховица
Re: Смяна на скоростна кутия на GOLF 2
Елемент №36 се намира нов, предполагам около 3-5 лв. Другият обаче е по-добре да го потърсиш от автомобил за части.
- Димитър Христов
- Мнения: 37
- Регистриран на: Пон 24 авг 2009 20:55
- Автомобил: Golf mk2
- Двигател: 1988 RF
- Местоположение: Свиленград
Re: Смяна на скоростна кутия на GOLF 2
Здравейте,колеги.Купих си въпросната скоростна кутия.Не съм сигурен тези елементи 36 и 46 дали са на кутията.Направих няколко снимки. http://mitakakr.snimka.bg/automobiles/skorostna-kutiya.800263.32457192
-
black`
- Мнения: 3377
- Регистриран на: Сря 22 мар 2006 13:15
- Автомобил:
- Двигател:
- Местоположение: Global
Re: Смяна на скоростна кутия на GOLF 2
Колега мисля че ги имаш. На последната снимка ти е в дясно долу. На първата снимка в ляво долу. №46 разклонената планка с двете ябълки. №36 трябва да е това бялото пластмасово между двете ябълки закачено. Но от тия снимки не ми е много ясно. Щом си я взел с мотовилките поразгледай ги както е на схемата, но мисля че са те. Не е кой знае какво, но така от далече не е много ясно. Ако има износени пластмасови елементи и гумички си ги смени, защото почва да хлопа лоста в купето и се чупат. На мене така ми избяга 5та.
Бележи си добре медната пластина със зъбците спрямо скобата много точно къде е била. В началото и в края на пластината бележи и съответно отгоре градуса и на положение спрямо скобата. После я бележи по същия начин заедно както са върху кръглата назъбена щанга дето излиза от купето и минава през един отвор от купето, преди лостовите механизми, за да ти е по-лесно да я събереш накрая. Тогава чак разкачай. Там също има набутана една гума в отвора и хлопа като е разядена. Продаваха се ремонтни комплекти на символични цени със всички частички. Накрая лоста в купето така го изкарваш че като му е стенат хода от свободна да влиза трета и четвърта съответно. Иначе мести ли се много от тая медна пластина не се нацелват задна и пета точно.
На приказки е малко сложно обяснено, ама като го пипнеш ще видиш как става лесно. 
Бележи си добре медната пластина със зъбците спрямо скобата много точно къде е била. В началото и в края на пластината бележи и съответно отгоре градуса и на положение спрямо скобата. После я бележи по същия начин заедно както са върху кръглата назъбена щанга дето излиза от купето и минава през един отвор от купето, преди лостовите механизми, за да ти е по-лесно да я събереш накрая. Тогава чак разкачай. Там също има набутана една гума в отвора и хлопа като е разядена. Продаваха се ремонтни комплекти на символични цени със всички частички. Накрая лоста в купето така го изкарваш че като му е стенат хода от свободна да влиза трета и четвърта съответно. Иначе мести ли се много от тая медна пластина не се нацелват задна и пета точно. 
Върни се в “Golf, Vento, Jetta & Bora”
Кой е на линия
Потребители, разглеждащи този форум: Няма регистрирани потребители и 100 госта