Въпросът е дали дросел + стъпков мотор от голф 3 1.8mi 90hp ABS ще станат на голф 3 1.6mi 75ph..?! ако някой може да ми помогне или поне да ме упъти кой може да ми каже благодаря предварително..?!
опа пропуснал съм да напиша че 1.6mi e ABU.
Голф 3 - стъпков двигател от 1,8 mi ABS става ли на 1,6 mi ?
- Dpop
- Мнения: 3400
- Регистриран на: Сря 25 окт 2006 15:57
- Автомобил: VW
- Двигател:
- Местоположение: София
Re: Голф 3 - стъпков двигател от 1,8 mi ABS става ли на 1,6
МПХ или както е получило известност тук стъпково моторче е същото(поправям се, провери с колко пина е буксата)
Но има друга разлика, по отношение на дюзите монтирани при различните двигатели (моно):
ААМ, АBS и АDZ - 051133025A
ABD - 030133025B
ACC - 051133025B
ABU - 032133025
Има разлика и в диаметъра на дросела, потърси колега има теми.
Но има друга разлика, по отношение на дюзите монтирани при различните двигатели (моно):
ААМ, АBS и АDZ - 051133025A
ABD - 030133025B
ACC - 051133025B
ABU - 032133025
Има разлика и в диаметъра на дросела, потърси колега има теми.
Последна промяна от Dpop на Сря 12 фев 2014 11:47, променено общо 1 път.
- zfa159
- Мнения: 7920
- Регистриран на: Сря 31 яну 2007 12:16
- Автомобил: Skoda Karoq FL + Passat B4 Syncro
- Двигател: DXRB AGG
- Местоположение: София
- Контакти:
Re: Голф 3 - стъпков двигател от 1,8 mi ABS става ли на 1,6
Най-добре погледни с колко пина ти е стъпковото моторче, защото според ЕТКА, ABU би трябвало да са с 6-пинови мотори от 92-ра до 94-та (толкова време се прави този мотор). 1.8 и 1.4 моно (AAM/ABS/ABD) ги дават с 4-пинов и еднакъв, а на 1.6 моно (ABU) конкретно, го дават да е само 6-пинов. :
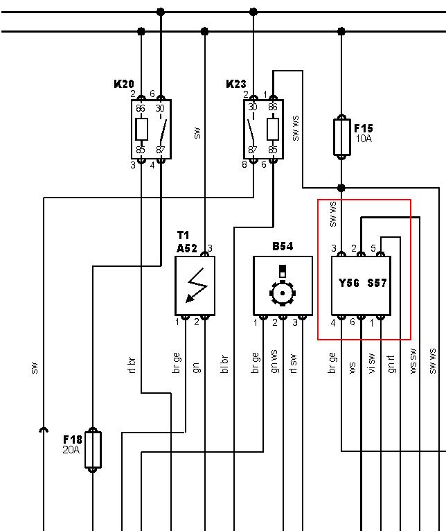
Ето и схемата на моторния компютър на ABU, според която пак излиза, че трябва да е така :
Понеже понякога има грешки в тези софтуери, най-лесно и сигурно е да провериш с колко пина е буксата на стъпковото моторче и търси моно, което е с такова моторче. Разликата в дюзата наистина я има, но ако ти е изправна ламбда сондата, няма да имаш проблеми (контролера регулира колко гориво пуска дюзата и това, че дюзата може повече, не е проблем за мотора) (пробвал съм го лично и си работи и до днес
).
Ето и схемата на моторния компютър на ABU, според която пак излиза, че трябва да е така :
Понеже понякога има грешки в тези софтуери, най-лесно и сигурно е да провериш с колко пина е буксата на стъпковото моторче и търси моно, което е с такова моторче. Разликата в дюзата наистина я има, но ако ти е изправна ламбда сондата, няма да имаш проблеми (контролера регулира колко гориво пуска дюзата и това, че дюзата може повече, не е проблем за мотора) (пробвал съм го лично и си работи и до днес
).- pas1.8mi
- Мнения: 5208
- Регистриран на: Нед 10 окт 2004 14:08
- Автомобил: Passat B5
- Двигател: 1.8T AEB 1999
- Местоположение: София,Плевен
Re: Голф 3 - стъпков двигател от 1,8 mi ABS става ли на 1,6
АБУ с 4 пина не съм виждал !
Винаги са били с 6 пина! Мисля,че има разлика и в тампона под моно-то,между 1.8 и 1.6!
- dontaskdontsay
- Мнения: 1468
- Регистриран на: Вто 11 май 2010 17:33
- Автомобил: Golf III 1.6 1994
- Двигател: ABU
Re: Голф 3 - стъпков двигател от 1,8 mi ABS става ли на 1,6
То и между 1,6 и 1,6 има разлика в тампоните та камо ли за 1,8.
Иначе да АБУ е с 6 пина
Иначе да АБУ е с 6 пина
-
ivansa78
- Мнения: 286
- Регистриран на: Чет 26 фев 2009 20:37
- Автомобил: vw golf3 GTI
- Двигател: ADY 1995
- Местоположение: софия
Re: Голф 3 - стъпков двигател от 1,8 mi ABS става ли на 1,6
да ABU е с 6 пина
Както винаги ZFA е повече от изчерпателен 

Върни се в “Golf, Vento, Jetta & Bora”
Кой е на линия
Потребители, разглеждащи този форум: Няма регистрирани потребители и 76 госта