Passat B3 фарове+мигачи
- Johnsword
- Мнения: 478
- Регистриран на: Сря 11 сеп 2013 19:52
- Автомобил: Passat B3
- Двигател: 1.8 RP1991
- Местоположение: Монтана Баце
Passat B3 фарове+мигачи
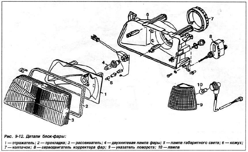
Привет колеги ! Изпадна ми една доста добра оферта за фарове и мигачи хела за пасата. Фаровете които ще купя са без машинките, за регулиране, а мойте са със тях, тук е и въпросът. Дали ще може да се премести въпросната машинка, понеже на мен ми трябва само за десния фар(пасажерския), ако не може дали може да се смени само рефлектора, че моя е пожълтял.. Благодаря !
- К.Одаджийски
- VW експерт

- Мнения: 12202
- Регистриран на: Пон 11 сеп 2006 20:11
- Автомобил: Saab 9-3 SS ARC
- Двигател: B207L
- Местоположение: София / Берковица
Re: Фарове+мигачи за Passat B3
Има си място за машинката, вадиш от единия и слагаш на другия
- Johnsword
- Мнения: 478
- Регистриран на: Сря 11 сеп 2013 19:52
- Автомобил: Passat B3
- Двигател: 1.8 RP1991
- Местоположение: Монтана Баце
Re: Фарове+мигачи за Passat B3
Ами отзад възможно ли е, дето се боде захранването, всичко да е различна буксата ?
- ivchoto
- Мнения: 341
- Регистриран на: Сря 11 ное 2009 14:24
- Автомобил: SUBARU OUTBACK
- Двигател: 2000
- Местоположение: bg okolo plovdiv
Re: Фарове+мигачи за Passat B3
Машинката е с отделно захранване!
- Johnsword
- Мнения: 478
- Регистриран на: Сря 11 сеп 2013 19:52
- Автомобил: Passat B3
- Двигател: 1.8 RP1991
- Местоположение: Монтана Баце
Re: Фарове+мигачи за Passat B3
Тоест ? На друг вход към буксата ?
- ivchoto
- Мнения: 341
- Регистриран на: Сря 11 ное 2009 14:24
- Автомобил: SUBARU OUTBACK
- Двигател: 2000
- Местоположение: bg okolo plovdiv
Re: Фарове+мигачи за Passat B3
Две отделни букси:една за светлините и една за машинката! 

- Johnsword
- Мнения: 478
- Регистриран на: Сря 11 сеп 2013 19:52
- Автомобил: Passat B3
- Двигател: 1.8 RP1991
- Местоположение: Монтана Баце
Re: Фарове+мигачи за Passat B3
Значи спокойно да купувам. Мога да си сменя рефлектора и стъклото и да си сложа машинката друго ме не бърка
ако евентуално има такава тема може да ми я пратите. Благодаря ! 
ако евентуално има такава тема може да ми я пратите. Благодаря ! 
-
ifch0
Re: Фарове+мигачи за Passat B3
Привет!
1. и 2., както си пише, са винтовете за регулировка.
3. е отворът за машинките. Ако нямаш машинки, там има "тапа с пишка".
Ово е стандарт. :)
4., ако се не лъжа, е куплунгът за "тока".
1. и 2., както си пише, са винтовете за регулировка.
3. е отворът за машинките. Ако нямаш машинки, там има "тапа с пишка".
Ово е стандарт. :)
4., ако се не лъжа, е куплунгът за "тока".
Кой е на линия
Потребители, разглеждащи този форум: Няма регистрирани потребители и 51 госта