Схема на работещо зарядно за акумулатори
Правила на форума
Натисни тук за да прочетеш Правилата на форума
Натисни тук за да прочетеш Правилата на форума
Re: Схема на работещо зарядно за акумулатори
колеги има ли някои желаещ дами направи платката колкото трябва ще си платя скаип ами е :nikiwrc
-
nmikov
- Мнения: 100
- Регистриран на: Съб 26 ное 2005 19:38
- Автомобил:
- Двигател:
- Местоположение: гр. Златица
- Контакти:
Re: Схема на работещо зарядно за акумулатори
http://www.vwclub.bg/forum/viewtopic.php?f=11&t=73896
Работи супер тази схема и е проста за изпълнение. Пробвано с малки изменения.
Работи супер тази схема и е проста за изпълнение. Пробвано с малки изменения.
Re: Схема на работещо зарядно за акумулатори
До колегата stereofonix
Имам няколко въпроса относно схемата по-долу:

1. Транзисторът Т1 на схемата е даден тип NPN, но 2Т3109 е тип PNP. Какъв транзистор трябва да се използва в действителност и ако е PNP - къде трябва да му е емитера? Откъм базата на Т2 или както си е даден на схемата по-горе? Въобще ако може, качи схемата отново, но с всички корекции, моля.
2. С Pt1 се настройва зарядния ток, а с Pt2 се настройва напрежението на изключване. Така ли е?
3. Може ли да качиш и схема на печатната платка с означения за елементите на нея?
Благодаря предварително!
Имам няколко въпроса относно схемата по-долу:

1. Транзисторът Т1 на схемата е даден тип NPN, но 2Т3109 е тип PNP. Какъв транзистор трябва да се използва в действителност и ако е PNP - къде трябва да му е емитера? Откъм базата на Т2 или както си е даден на схемата по-горе? Въобще ако може, качи схемата отново, но с всички корекции, моля.
2. С Pt1 се настройва зарядния ток, а с Pt2 се настройва напрежението на изключване. Така ли е?
3. Може ли да качиш и схема на печатната платка с означения за елементите на нея?
Благодаря предварително!
Re: Схема на работещо зарядно за акумулатори
Напоследък някои колеги казаха, че при използване на тиристор ВТ152 в схемата, то той изгарял.Оказа се, че максималния ток в управляващата му верига е само 3 милиАмпера. Схемата чрез резистора 470 Ома подава много по-голям ток. Това наложи следните корекции на схемата за да може да работи без проблем с такива тиристори като ВТ152:
- Dobromirski
- Мнения: 1582
- Регистриран на: Нед 31 дек 2006 10:12
- Автомобил: Seat Leon
- Двигател: ARL 150+ hp
- Местоположение: Плевен
- Контакти:
Re: Схема на работещо зарядно за акумулатори
В конрад има 105w траф за лунички за 7лв. С един диод за 2лв.и 10 минути преправяне се получава разкошно зарядно за акумулатора. Поради ниското вътрешно съпротивление на намотките (малкото навивки), характеристиката му е много твърда. Акумулатора се зарежда почти като от автомобилният алтернатор. Малко, евтино, леко, удобно и бързо.
-
Hipermarket
- Мнения: 13
- Регистриран на: Пон 21 апр 2014 23:52
- Автомобил:
- Двигател:
Re: Схема на работещо зарядно за акумулатори
batVenci написа:Аз съм с такава схема:
download/file.php?mode=view&id=172731
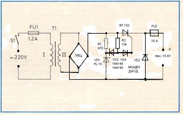
Схемата се състои от грец 1000V/50A - китайски (продава се в електронните магазини). "Автоматиката" е съставена от три елемента - чешки тиристор КТ 708, ценер PL 15 за 15 V опорно напрежение, и накрая резистор 470 ома/ 1 ват. Целият монтаж е обемен, като на тиристора е необходим радиатор (някаква ламарина). Заряда изключва при достигане на 14,4 V. Използвам кутията и трансформатора на 30 годишно пернишко зарядно "Кракра" - добре познато на старите автомобилисти (стария селенов грец съм заменил с по-горе посочения). Предполагам, че изработката няма да е проблем на по-вечето колеги.
Имам няколко въпросчета,трафа трябва да е 230-30?,Тиристора е 15А 400В,предполагам 10а 800в ИЛИ 15а 800в ще стане пак,диодите на греца какви да са 15А 1000В?Другия диод може да се смени с 1N4744A,зарядния ток се определя от защитния резистор тоест 220/200~1A?
Тъпич Оркад ми показва 0 А заряден ток,може да съм объркал нещо.
-
Hipermarket
- Мнения: 13
- Регистриран на: Пон 21 апр 2014 23:52
- Автомобил:
- Двигател:
Re: Схема на работещо зарядно за акумулатори
Съжалявам за двойния пост.
Ето симулация на схемата на Оркад Псписе
Траф-230-30-1.2А заради ограничителния резистор 200Ома.Грец,ценер 1N4744A-15A 800V,триак вместо тиристор мисля че е 10 или 15 А 800В.2 светодиода за да намалим напрежението на 13,8 в,пък и ако напрежението на мрежата е 270в това може да създаде проблем,лошото е че ако е 170в нищо не можем да направим..........
Та дали според вас всичко е точно и схемата ще работи така?
Ето симулация на схемата на Оркад Псписе
Траф-230-30-1.2А заради ограничителния резистор 200Ома.Грец,ценер 1N4744A-15A 800V,триак вместо тиристор мисля че е 10 или 15 А 800В.2 светодиода за да намалим напрежението на 13,8 в,пък и ако напрежението на мрежата е 270в това може да създаде проблем,лошото е че ако е 170в нищо не можем да направим..........
Та дали според вас всичко е точно и схемата ще работи така?
- Dobromirski
- Мнения: 1582
- Регистриран на: Нед 31 дек 2006 10:12
- Автомобил: Seat Leon
- Двигател: ARL 150+ hp
- Местоположение: Плевен
- Контакти:
Re: Схема на работещо зарядно за акумулатори
Ужас!!!
Преди да използваш такива програми, прочети що е то закон на Ом.
Всъщност, по-добре недей. Гледай си търговийката в хипермаркета и си купи зарядно.
Преди да използваш такива програми, прочети що е то закон на Ом.
Всъщност, по-добре недей. Гледай си търговийката в хипермаркета и си купи зарядно.
- ktamen
- Мнения: 6404
- Регистриран на: Вто 23 мар 2010 18:52
- Автомобил:
- Двигател:
- Местоположение: София - Ямбол
Re: Схема на работещо зарядно за акумулатори
Hipermarket написа:Съжалявам за двойния пост.
Ето симулация на схемата на Оркад Псписе
Траф-230-30-1.2А заради ограничителния резистор 200Ома.Грец,ценер 1N4744A-15A 800V,триак вместо тиристор мисля че е 10 или 15 А 800В.2 светодиода за да намалим напрежението на 13,8 в,пък и ако напрежението на мрежата е 270в това може да създаде проблем,лошото е че ако е 170в нищо не можем да направим..........
Та дали според вас всичко е точно и схемата ще работи така?
Схемата е прекалено шарена и може би не съм се ориентирал правилно, но с тези светодиоди няма как да проработи.
Прерисувай я за да е по-разбираема.
И добре си помисли дали не трябва да послушаш колегата над мен и да си купиш готово зарядно.
Re: Схема на работещо зарядно за акумулатори
Колега, няма смисъл да се усложняват нещата излишно с добавяне на екзотични елементи в схемата, като светодиоди и т.н. Просто нещата трябва да са максимално опростени за да са удобни за любителски монтаж. Идеята на цялата работа е реализация на доказано работещо и надеждно зарядно с малко средства и възможности от всеки любител на техниката. Най-необходимото е наличието на подходящ мрежов трансформатор. Това е най-важния и най-скъпия елемент от зарядното. Дискусиите за останалите елементи са подробности, които смятам са почти изчерпани в тази тема. Според колегата Dobromirski по горе, има и изгодни мрежови трансформатори на пазара, така че и набавянето на подходящ трансформатор не е толкова голям проблем.
Нещата трябва да ги правим удобно и елегантно, а не излишно да ги усложняваме. Ако реализирането на схемата е сложно, просто купуваш електронно зарядно, като това от Лидл за 40 лв., и готово...
Нещата трябва да ги правим удобно и елегантно, а не излишно да ги усложняваме. Ако реализирането на схемата е сложно, просто купуваш електронно зарядно, като това от Лидл за 40 лв., и готово...
Re: Схема на работещо зарядно за акумулатори
колеги някои да ми направи схемата платката само де плашам си
-
Hipermarket
- Мнения: 13
- Регистриран на: Пон 21 апр 2014 23:52
- Автомобил:
- Двигател:
Re: Схема на работещо зарядно за акумулатори
Нямам никакво намерение да се отказвам,позабравил съм нещатата но мисля че тука няма грешки,освен за трафа може би?
Сложил съм източник на напрежение променливо 30Волта вместо траф на схемата.Диодите консумират 0.6Волта напрежение,за това след 2 светодиода напрежението пада от 15 на 13,8Волта.
А напрежението е 15 волта заради греца тъй като греца пропуска само едната полувълна тоест реже напрежението на 2?Какво смятате че съм сгрешил?Ако сменим тиристора с някакъв 15А 800 волта тиристор или триак не мисля че е проблем?
Също така напрежението на мрежата би трябвало да е 310Волта Променливо и 220 Ефективно(Право напрежение) напрежение Ueff=koren2 ot Um=koren2 ot 310=219V?
Сложил съм източник на напрежение променливо 30Волта вместо траф на схемата.Диодите консумират 0.6Волта напрежение,за това след 2 светодиода напрежението пада от 15 на 13,8Волта.
А напрежението е 15 волта заради греца тъй като греца пропуска само едната полувълна тоест реже напрежението на 2?Какво смятате че съм сгрешил?Ако сменим тиристора с някакъв 15А 800 волта тиристор или триак не мисля че е проблем?
Също така напрежението на мрежата би трябвало да е 310Волта Променливо и 220 Ефективно(Право напрежение) напрежение Ueff=koren2 ot Um=koren2 ot 310=219V?
-
Hipermarket
- Мнения: 13
- Регистриран на: Пон 21 апр 2014 23:52
- Автомобил:
- Двигател:
Re: Схема на работещо зарядно за акумулатори
nikiwrc написа:колеги някои да ми направи схемата платката само де плашам си
Аз ще я направя схемата и предполагам че ще излезне към 15-20 лева с трафа и 3-8 лева без трафа + доставката.
- ktamen
- Мнения: 6404
- Регистриран на: Вто 23 мар 2010 18:52
- Автомобил:
- Двигател:
- Местоположение: София - Ямбол
Re: Схема на работещо зарядно за акумулатори
Имаш много интересни схващания за жиците и токовете. За съжаление обаче в дебелите книги пише някакви други работи.
Ако чарковете са ти без пари не е лошо да си правиш подобни експерименти.
Лично аз много бих се изненадал, ако зарядното ти проработи преди да си бастисал две шепи чаркове.
Бат Венци е дал работеща и изпробвана схема няколко поста по нагоре. Прави зарядното точно по тази схема
Успех!
Ако чарковете са ти без пари не е лошо да си правиш подобни експерименти.
Лично аз много бих се изненадал, ако зарядното ти проработи преди да си бастисал две шепи чаркове.
Бат Венци е дал работеща и изпробвана схема няколко поста по нагоре. Прави зарядното точно по тази схема
Успех!
-
Hipermarket
- Мнения: 13
- Регистриран на: Пон 21 апр 2014 23:52
- Автомобил:
- Двигател:
Re: Схема на работещо зарядно за акумулатори
Така и да си приказваш няма никъв смисъл или ми кажи какво точно смяташ че не е наред или не казвай нищо?Лесно е да обвиняваш и да не казваш защо така другия какво да направи?
Кой е на линия
Потребители, разглеждащи този форум: Няма регистрирани потребители и 41 госта