AJM Счупени стопери на пружините на помпа-дюза

Печките са на мода. Дори и дизела да е по-скъп феновете му са много...
Потребителски аватар
wild_eagle
Мнения: 5
Регистриран на: Вто 22 яну 2008 17:47
Автомобил:
Двигател:
Местоположение: София

AJM Счупени стопери на пружините на помпа-дюза

Мнениеот wild_eagle » Съб 30 мар 2013 18:38


Здравейте колеги,

Днес реших да си сменя ремонтния комплект на дюзите (всичи О-пръстени) и всичко вървеше много добре, до момента, в който установих, че пружината на дюзата се отделя от нея и то на всички 4 дюзи. На снимките, които съм качил ясно се вижда какво имам предвид. Опитах да намеря сходен с моя проблем във форума, но тъй като не успях сега пускам тази тема с надеждата някой от вас да ми даде компетентен съвет.
Въпросът ми е дали бих могъл да карам с тези дюзи или да търся нови (втора употреба). До сега съм карал с тях неизвестен брой километри за мен и не съм имал проблем. Не знам каква е ролята на счупените стопери, които държат пружината към дюзата.

Ето и снимките на дюзите:

1: Снимка преди да сваля кубилицата, когато мислих, че всичко е наред.

Изображение

2: Снимка в момента, в който свалих кобилиците. Тук вече се вижда как пружините са "отпуснати".

Изображение

3: И моментът, в който установих, че нещо не е наред - всички дюзи изглеждат по този начин.

Изображение


Благодаря предварително!




Потребителски аватар
Dobromirski
Мнения: 1582
Регистриран на: Нед 31 дек 2006 10:12
Автомобил: Seat Leon
Двигател: ARL 150+ hp
Местоположение: Плевен
Контакти:

Re: Счупени стопери на пружините на помпа дюза на AJM мотор

Мнениеот Dobromirski » Нед 31 мар 2013 8:15


Това се получава от неправило регулирани дюзи . Нищо им няма, събирай, регулирай и карай :th_up


Потребителски аватар
Freakylol
Мнения: 927
Регистриран на: Нед 10 юли 2011 16:55
Автомобил:
Двигател: asz++
Местоположение: Русе

Re: Счупени стопери на пружините на помпа дюза на AJM мотор

Мнениеот Freakylol » Нед 31 мар 2013 9:12


Да на един приятел така му се случи обаче той смени направо дюзите защото неговите си бяха отишли, колата работеше много странно и имаше много висок разход.


Потребителски аватар
wild_eagle
Мнения: 5
Регистриран на: Вто 22 яну 2008 17:47
Автомобил:
Двигател:
Местоположение: София

Re: AJM Счупени стопери на пружините на помпа-дюза

Мнениеот wild_eagle » Сря 17 апр 2013 21:30


Здравейте колеги!
Преди две седмици сложих дюзите,пререгулирах и проработиха.След смяната на ремонтните комплекти и регулирането работят добре.
Поздрави!


Потребителски аватар
batkotivalio
Мнения: 597
Регистриран на: Съб 12 май 2007 20:56
Автомобил: VW Golf TDI
Двигател: AJM
Местоположение: София
Контакти:

Re: AJM Счупени стопери на пружините на помпа-дюза

Мнениеот batkotivalio » Сря 17 апр 2013 22:56


А какво те накара да смениш ремонтния комплект на дюзите?


Потребителски аватар
longora
Мнения: 2153
Регистриран на: Сря 15 мар 2006 12:18
Автомобил:
Двигател:
Местоположение: София
Контакти:

Re: AJM Счупени стопери на пружините на помпа-дюза

Мнениеот longora » Съб 20 апр 2013 13:21


Дюзите даваха доста лоши показатели, които ни накараха да прибегнем до тази интервенция, като след смяната на ремонтния комплект, показателите се промениха към по-добро, но за съжаление не и перфектно състояние.
Самият ремонтен комплект трябва да се сменя на 100 000км, тъй като все пак О-пръстените са гумени и с времето се изпичат. Задължително с тях се сменя чукчето, което е в горната част на дюзата и реглажния болт, който натиска чукчето и се намира на кобилицата. Много важно е дюзите да бъдат регулирани точно и навреме, за да не се счупят стоперите, както са се счупили при този пасат.


rostislav1998
Мнения: 234
Регистриран на: Съб 24 яну 2009 22:01
Автомобил:
Двигател:
Местоположение: ruse

Re: AJM Счупени стопери на пружините на помпа-дюза

Мнениеот rostislav1998 » Пон 22 апр 2013 15:16


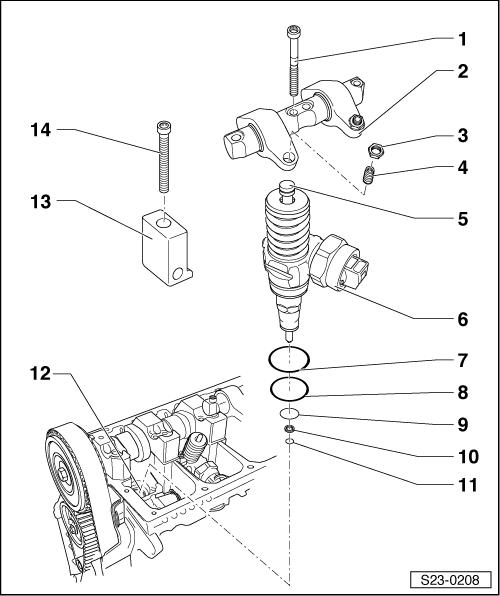
Понеже не мога да постна снимка от етка искам да попитам,сменя се елемент 5 и 6 ли?И не се ли сменя и болта на държача на дюзата.Ползвате ли специални инструменти за настройка на дюзата.И ако може да кажете останалите части отделно ли ги купувате или са комплект с о-пръстените.


Потребителски аватар
longora
Мнения: 2153
Регистриран на: Сря 15 мар 2006 12:18
Автомобил:
Двигател:
Местоположение: София
Контакти:

Re: AJM Счупени стопери на пружините на помпа-дюза

Мнениеот longora » Чет 25 апр 2013 11:39


Нямам спомен кои са елементи 5 и 6, но задължително се сменя болта, който държи дюзата. В Ауто плюс цената на О-пръстените с чукчето е около 20лв, а отделно купихме реглажния болт за дюзата, който се намира на кобилицата - 10лв брой във Порше София Юг - там имаше над 150 броики. Нужните инструменти са: М10 за болтовете на кобилицата; М6 за болта на дюзата; вложка 18, за да развиеш с нея контра гайката на реглажния болт и после да завъртиш вала, за да регулираш дюзите (регулират се в максимално натиснато състояние от кобилицата) и шестограм 6 за самия реглажен болт. А може би най-важното нещо е динамометричния ключ.
П.С. Ваденето на дюзите е възможно да бъде много трудно, както беше в този случай.
П.С.2 Имаш ли представа от къде мога да намеря ЕТКА??


jordan7712
Мнения: 21
Регистриран на: Вто 28 юни 2011 15:28
Автомобил:
Двигател:
Местоположение: Бургас

Re: AJM Счупени стопери на пружините на помпа-дюза

Мнениеот jordan7712 » Вто 07 май 2013 11:20


[quote="longora"]Дюзите даваха доста лоши показатели, които ни накараха да прибегнем до тази интервенция, като след смяната на ремонтния комплект, показателите се промениха към по-добро, но за съжаление не и перфектно състояние.

колега би ли споделил какви ти бяха показателите на дюзите ако помниш че и аз се съмнявам за нещо такова .Само да кажа аз съм ATJ мотор. Поздрави


red.devilll
Мнения: 1385
Регистриран на: Чет 23 сеп 2010 21:48
Автомобил:
Двигател:

Re: AJM Счупени стопери на пружините на помпа-дюза

Мнениеот red.devilll » Вто 07 май 2013 20:11


Не е ли по- лесно да дадеш твоите показатели и да ти се даде малко по-адекватен отговор.Колкото по-близо до 0 си толкова по-добре работят


jordan7712
Мнения: 21
Регистриран на: Вто 28 юни 2011 15:28
Автомобил:
Двигател:
Местоположение: Бургас

Re: AJM Счупени стопери на пружините на помпа-дюза

Мнениеот jordan7712 » Чет 09 май 2013 7:32


да колега прав си днес ще а закача пак и ще ги покажа показателите само да споделя че на трета дюза стойностите ми варират от -0.58 , -0.63 това дали е зле ?


Потребителски аватар
longora
Мнения: 2153
Регистриран на: Сря 15 мар 2006 12:18
Автомобил:
Двигател:
Местоположение: София
Контакти:

Re: AJM Счупени стопери на пружините на помпа-дюза

Мнениеот longora » Пет 17 май 2013 23:33


Трета дюза даваше много лоши показатели - около 1,6-1,8. След смяната на О-пръстените, чукчето и реглажа падна до 1, което е далеч от добре, но е по-добре от преди. Общо взето стойностите на другите 3 дюзи също се подобриха с малко.
Личния ми съвет е ремонтния комплект да се сменя на време. Това е най-важното.


Потребителски аватар
cancro
Мнения: 148
Регистриран на: Нед 27 май 2012 21:12
Автомобил: VW Golf IV 1.9 TDI
Двигател: AJM 1999
Местоположение: Монтана
Контакти:

Re: AJM Счупени стопери на пружините на помпа-дюза

Мнениеот cancro » Чет 25 юли 2013 10:40


Аз си смених ремонтния комплект още като си купих колата, на диагностика дюзите показваха около -0,30.


kossis
Мнения: 2341
Регистриран на: Чет 17 сеп 2009 10:20
Автомобил:
Двигател:

Re: AJM Счупени стопери на пружините на помпа-дюза

Мнениеот kossis » Вто 24 фев 2015 16:45


При мене на 2ри цилиндър беше се разанкерирала така дюзата. Уж я оправих, но синхро ъгъла остана същият.

При студен мотор около 2, а при топъл пада на около 1. Майстора каза че ще ги завие реглажите им както е необходимо. Но дали ги е регулирал правилно незнам. Предполагам че ги е направил да не бият по пружините и без луфтов.


novatora
Мнения: 1066
Регистриран на: Чет 22 ное 2012 12:34
Автомобил: vw passat b5.5
Двигател: AVF 2001
Местоположение: Петрич
Контакти:

Re: AJM Счупени стопери на пружините на помпа-дюза

Мнениеот novatora » Чет 26 фев 2015 12:51


При мен на 3 ти цилиндър имаше голямо отклонение. Сутрин докато позагрея пушеше. След смяна на пръстените отклонението падна до 0.80 което е приемливо. Сутрин не пуши вече. Нямам претрисания. Освен О пръстените се смениха и застопоряващите болтове. Синхронизацията беше направена перфектно от майстора. Сега на място показва 0.6 л час. Единствената трудност която беше, предишния собственик беше счупил 2 болта на пластмасовия капак. Добре че майстора ги извади. После сряза с шлайфче от капака остатъка защото е капсолован за него. Стана мн добре. Гарнитурата ми беше добре не беше опечена и сложихме така. Вече 30 000 км нямам проблеми
Прикачени файлове
octavia-mk2-1645.png



Върни се в “Дизелови агрегати”

Кой е на линия

Потребители, разглеждащи този форум: Няма регистрирани потребители и 66 госта