Passat B5 и B5.5 - подобрения и обща информация за модела

Техническа и сервизна информация за Passat
Потребителски аватар
Чудомир
Мнения: 2860
Регистриран на: Вто 18 юли 2006 0:37
Автомобил: Passat 5.5 + Caravelle T4
Двигател: 03 V6 AMX + 97 VR6 AES
Местоположение: Нейде из Швабско или под тепетата

Re: Passat B5 и B5.5-тунинг,подобрения,ремонти

Мнениеот Чудомир » Пон 11 апр 2016 21:22


Ами имах го като проблем преди 2 седмици на буса и сега се очертава да трябва да се прави и на пасата. Става въпрос за следното (не съм механик и може някои неща да са ми убегнали):
20160411_204629_84.jpg

Когато помпата 5 е най-ниска точка в системата (която е активна само в студената фаза на двигателя) и клапана 7 остарее и се прецака, почвайки да пропуска не само към двигателя, а и пари обратно към помпата, от разликата в температурите се получава приятен конденз, който се събира в помпата. Като загрее двигателя конденза намира път обратно към двигателя, с последствия като бял дим при студена кола и жълта тиня при капачката на маслото.

В зависимост от модела, разпределението на компонентите и дължината на връзките между тях в системата може да се съберат към 1,5 литра конденз, както беше при моя бус.

Помпата ми изглеждаше по-зле от тази:
Изображение

Весело става при палене на минусови температури, когато кондензът частично е смесен с масло и е замръзнал, както и остатъка от конденза по тръбите.

Няма нужда да споменавам, че помпата и клапана са със стабилни цени (нещо от рода 280 и 170 евро за буса, а при пасата клапаните са 2 :icon_lol ). И това за система, работеща не повече от 5 -10 мин, докато загрее двигателя.

Симптомите са трудно палене въпреки читав акумулатор, бял дим в студената фаза през ауспуха и жълта тиня на капачката, както и характерно зацапан въздушен филтър:
Изображение




kossis
Мнения: 2341
Регистриран на: Чет 17 сеп 2009 10:20
Автомобил:
Двигател:

Re: Passat B5 и B5.5-тунинг,подобрения,ремонти

Мнениеот kossis » Вто 12 апр 2016 13:31


Това на V6 моторите ли е само ? При 1,8Т има ли подобна щуротия ?

Не разбрах- тази система бензинови пари ли транспортира или какво ? Демек бензинов абсорбер ?


Потребителски аватар
DoH_KuXoT
Мнения: 6339
Регистриран на: Пон 12 сеп 2005 14:01
Автомобил:
Двигател:

Re: Passat B5 и B5.5-тунинг,подобрения,ремонти

Мнениеот DoH_KuXoT » Вто 12 апр 2016 14:14


това е помпа за вторичен въздух. Аз я имам 2000сс бензин. Някои й викат прахосмукачка. Вкарва допълнителен въздух за обедняване и повишаване температурата на изгорели газове, когато ДВГ работи на богати смеси. Работи само на студен двигател, спомага бързото затопляне на двигателя и достигане на работна температура на катализатора. Някои я наричат и Eco помпа заради намалените емисии.

Последна промяна от DoH_KuXoT на Сря 13 апр 2016 9:27, променено общо 1 път.


Потребителски аватар
Чудомир
Мнения: 2860
Регистриран на: Вто 18 юли 2006 0:37
Автомобил: Passat 5.5 + Caravelle T4
Двигател: 03 V6 AMX + 97 VR6 AES
Местоположение: Нейде из Швабско или под тепетата

Re: Passat B5 и B5.5-тунинг,подобрения,ремонти

Мнениеот Чудомир » Вто 12 апр 2016 15:18


Има я и на 4цилиндровите и задачата и е в студената фаза да вкара допълнителен въздух, за да може да се нивелира съотношението гориво-въздух (оптимално изгаряне, стохиоматична смес, оптимална ламбда - все едно и също нещо). Води до по-бързо загряване на двигателя и изключва след това.

Детайлът с номер 10 при буса го няма, клапанът седи директно на блока

Това с изгорелите газове е друго - черната тръбичка, дето на v6 минава отпред и нагоре по двигателя.

Изображение


kossis
Мнения: 2341
Регистриран на: Чет 17 сеп 2009 10:20
Автомобил:
Двигател:

Re: Passat B5 и B5.5-тунинг,подобрения,ремонти

Мнениеот kossis » Вто 12 апр 2016 15:48


Я тези Колеги с 1,8Т веднага да кажат имат ли такова и къде е, че да го знам ! :Mr Green Fun


Потребителски аватар
pas1.8mi
Мнения: 5208
Регистриран на: Нед 10 окт 2004 14:08
Автомобил: Passat B5
Двигател: 1.8T AEB 1999
Местоположение: София,Плевен

Re: Passat B5 и B5.5-тунинг,подобрения,ремонти

Мнениеот pas1.8mi » Вто 12 апр 2016 20:06


На 1.8Т(AWT) се намира малко под въздушният филтър.Действително се събира много конденз,водещ до механично блокиране на вентилатора.Двигателя си работи и без него ,де... :mhihi


petar_a
Мнения: 273
Регистриран на: Вто 27 окт 2009 10:45
Автомобил: VW BORA 2.0 115
Двигател: AQY 1999
Местоположение: Montana

Passat B5 и B5.5-тунинг,подобрения,ремонти

Мнениеот petar_a » Вто 12 апр 2016 20:22


DoH_KuXoT написа:това е помпа за вторичен въздух. Аз я имам 2000сс бензин. Нещо като Вашия EGR, някои й викат прахосмукачка. Връща изгорели газове съдържащи бензинови и маслени пари от изпускателния колектор за доизгаряне. Работи само на студен двигател, спомага бързото затопляне на двигателя зимно време. Някои я наричат и Eco помпа заради намалените емисии.

Колега,мисля,че грешиш относно работата на така наречената "прахосмукачка".Колегата Чудомир също греши.
Тази помпа вкарва свеж въздух в изгорелите газове в изпускателния колектор,това спомага за две неща-първо, доизгаряне на вредни вещества в отработените газове и,второ,по-бързо достигане на работна температура на катализатора.Това е!

Последна промяна от petar_a на Сря 13 апр 2016 8:27, променено общо 1 път.


Потребителски аватар
Чудомир
Мнения: 2860
Регистриран на: Вто 18 юли 2006 0:37
Автомобил: Passat 5.5 + Caravelle T4
Двигател: 03 V6 AMX + 97 VR6 AES
Местоположение: Нейде из Швабско или под тепетата

Re: Passat B5 и B5.5-тунинг,подобрения,ремонти

Мнениеот Чудомир » Вто 12 апр 2016 22:07


Да, извинявам се за неточността. Колегата petar_a го е обобщил най-точно.

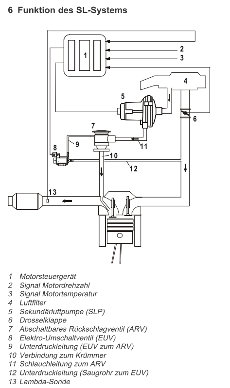
Ето и един цитат от обяснението на Пиербург:
20160412_220622_85.jpg


Потребителски аватар
DoH_KuXoT
Мнения: 6339
Регистриран на: Пон 12 сеп 2005 14:01
Автомобил:
Двигател:

Re: Passat B5 и B5.5-тунинг,подобрения,ремонти

Мнениеот DoH_KuXoT » Сря 13 апр 2016 9:25


petar_a написа:
DoH_KuXoT написа:това е помпа за вторичен въздух. Аз я имам 2000сс бензин. Нещо като Вашия EGR, някои й викат прахосмукачка. Връща изгорели газове съдържащи бензинови и маслени пари от изпускателния колектор за доизгаряне. Работи само на студен двигател, спомага бързото затопляне на двигателя зимно време. Някои я наричат и Eco помпа заради намалените емисии.

Колега,мисля,че грешиш относно работата на така наречената "прахосмукачка".Колегата Чудомир също греши.
Тази помпа вкарва свеж въздух в изгорелите газове в изпускателния колектор,това спомага за две неща-първо, доизгаряне на вредни вещества в отработените газове и,второ,по-бързо достигане на работна температура на катализатора.Това е!

абсолютно прав си! :beer коригирах мнението да не подвежда.


petar_a
Мнения: 273
Регистриран на: Вто 27 окт 2009 10:45
Автомобил: VW BORA 2.0 115
Двигател: AQY 1999
Местоположение: Montana

Re: Passat B5 и B5.5-тунинг,подобрения,ремонти

Мнениеот petar_a » Сря 13 апр 2016 10:35


Колега DoH_KuXoT темата ти е страхотна!
Била ми е от полза. :th_up
:beer


kossis
Мнения: 2341
Регистриран на: Чет 17 сеп 2009 10:20
Автомобил:
Двигател:

Re: Passat B5 и B5.5-тунинг,подобрения,ремонти

Мнениеот kossis » Сря 13 апр 2016 10:43


pas1.8mi написа:На 1.8Т(AWT) се намира малко под въздушният филтър.Действително се събира много конденз,водещ до механично блокиране на вентилатора.Двигателя си работи и без него ,де... :mhihi


Затапва ли се и как става номера, щом казваш че може и без него ???

До клокото схващам системата е от два компонента- помпа за въздух и клапан.
Също ми е интересно преди да стане на ръждоч, може ли да се отвори и почисти този клапан.

Що не са го направили от неръждавейка да ги ева и тия Фашисти !

Обясни, че до сега не правил проблем при Брато, но сигурно ще почне. А така и така му сменям аз филтъра и чистя дебитомера с Мотип контактен.


Потребителски аватар
DoH_KuXoT
Мнения: 6339
Регистриран на: Пон 12 сеп 2005 14:01
Автомобил:
Двигател:

Re: Passat B5 и B5.5-тунинг,подобрения,ремонти

Мнениеот DoH_KuXoT » Сря 13 апр 2016 10:51





Потребителски аватар
pas1.8mi
Мнения: 5208
Регистриран на: Нед 10 окт 2004 14:08
Автомобил: Passat B5
Двигател: 1.8T AEB 1999
Местоположение: София,Плевен

Re: Passat B5 и B5.5-тунинг,подобрения,ремонти

Мнениеот pas1.8mi » Сря 13 апр 2016 10:56


Вентилатора не е непосредствено под кутията на филтъра,а на около 35-40см.Свързан е с две пластмасови тръби(около 30мм) на бързи връзки.Освен да го свалиш и да видиш дали ще изтече вода .Иначе затапваш тръбите ...


Потребителски аватар
DoH_KuXoT
Мнения: 6339
Регистриран на: Пон 12 сеп 2005 14:01
Автомобил:
Двигател:

Re: Passat B5 и B5.5-тунинг,подобрения,ремонти

Мнениеот DoH_KuXoT » Чет 14 апр 2016 15:18


Взех нови предни дискове Ferodo и накладки TRW, като разглобих се оказа, че дисковете ми са почти без ръб, оригинални, прецених, че няма проблем да изкарат още едни накладки. Смених само накладките, скоро ще имам отзиви дали са читави, по прочетеното ги водят от хубавите накладки и само хубави отзиви чувам. Предните накладки , бяха на финала, не ми беше светнала лампата, но жичките бяха изтъркани до средата, тия дни са щели да се прекъснат и да светне :) тъкмо на време. Не стана ясно какви са , защото всички символи бяха заминали с времето. Но пък изкараха 76 хил км и не са съсипали дисковете. Дано и тези да са толкова добри, спирачките ми бяха трепач.

стари vs нови
Изображение

протритите проводници наполовина
Изображение

Последна промяна от DoH_KuXoT на Чет 14 апр 2016 15:47, променено общо 1 път.


Потребителски аватар
MrLover
Мнения: 270
Регистриран на: Сря 26 мар 2008 19:22
Автомобил: Passat
Двигател: AMX
Местоположение: Бургас

Re: Passat B5 и B5.5-тунинг,подобрения,ремонти

Мнениеот MrLover » Чет 14 апр 2016 15:33


Аз тези дни ще сменям задните, че са финала и започнаха да свирят като парен влак. Вчера след 3-4 часа работа успяхме да монтираме темпомата на возилото и вече се радвам на още една допълнителна екстра :)



Върни се в “Passat”

Кой е на линия

Потребители, разглеждащи този форум: Няма регистрирани потребители и 45 госта