Здравейте колеги, имам две питания.
Търсих кристално стъклл за фар,но не намирам нищо, има ли решение от друга марка автомобил или никое не пасва?
Както и вежди на калниците, от къде подяволите?
			
									
									Пасат B3 и B4 -тунинг,подобрения...тема за всички с B3 и B4
					Правила на форума
Натисни тук за да прочетеш Правилата на форума
	Натисни тук за да прочетеш Правилата на форума
- nokiangage
 - Мнения: 3374
 - Регистриран на: Сря 03 фев 2010 12:40
 - Автомобил: Passat B3 - 35i
 - Двигател: 1.8 RP 1990 - 90 hp. LPG only
 - Местоположение: Плевен, Варна
 - Контакти:
 
Re: Пасат B3 и B4 -тунинг,подобрения...тема за всички с B3 и
За каква кола става дума колега - Б3 или Б4? Ако е за Б3 виж тази обява за GT пакета 
.
http://olx.bg/ad/shiroka-laisna-i-vezhdi-za-pasat-2b3-ID58cXy.html
			
									
										
						
.http://olx.bg/ad/shiroka-laisna-i-vezhdi-za-pasat-2b3-ID58cXy.html
- 
				mareapower
 - Мнения: 2
 - Регистриран на: Съб 25 апр 2015 13:36
 - Автомобил:
 - Двигател:
 
Re: Пасат B3 и B4 -тунинг,подобрения...тема за всички с B3 и
B4, забравих да спомена, извинете
			
									
										
						- jabre
 - Мнения: 317
 - Регистриран на: Сря 16 фев 2011 16:15
 - Автомобил: vw passat 35i vw golf mk1 1979
 - Двигател: AAZ 1992
 - Местоположение: Vlasotince - Србия (Serbia)
 
Re: Одг: Пасат B3 и B4 -тунинг,подобрения...тема за всички с

Има ли в бг такви фарове и каква е цена?
Ако някой продава пуснете ми л.с.
- nokiangage
 - Мнения: 3374
 - Регистриран на: Сря 03 фев 2010 12:40
 - Автомобил: Passat B3 - 35i
 - Двигател: 1.8 RP 1990 - 90 hp. LPG only
 - Местоположение: Плевен, Варна
 - Контакти:
 
Re: Пасат B3 и B4 -тунинг,подобрения...тема за всички с B3 и
Привет колега, Hella Lippstadt се води модела, има бяла серия и черна като комплекта от снимките с кръстачки на дългите, излизат от време на време ама ще си трябва търсене.
			
									
										
						- jabre
 - Мнения: 317
 - Регистриран на: Сря 16 фев 2011 16:15
 - Автомобил: vw passat 35i vw golf mk1 1979
 - Двигател: AAZ 1992
 - Местоположение: Vlasotince - Србия (Serbia)
 
Re: Пасат B3 и B4 -тунинг,подобрения...тема за всички с B3 и
Има ли някой същи, интересва ме как се вижда и кой модел крушки исползва?
Аз имам обикновен + моримото лупи, но нямам съзнание от тази модел къква е светлина?
			
									
										
						Аз имам обикновен + моримото лупи, но нямам съзнание от тази модел къква е светлина?
- nokiangage
 - Мнения: 3374
 - Регистриран на: Сря 03 фев 2010 12:40
 - Автомобил: Passat B3 - 35i
 - Двигател: 1.8 RP 1990 - 90 hp. LPG only
 - Местоположение: Плевен, Варна
 - Контакти:
 
Re: Пасат B3 и B4 -тунинг,подобрения...тема за всички с B3 и
Аз със с такива колега, да ти кажа огромна положителна разлика имам спрямо фабричните фарове, при положение, че на фабричните рефлекторите са перфектни. При тези бидейки двусекционни, май са Н1 или Н3, че не помня със сигурност и Н7 и лупата "реже" светлината много по-прецизно и регулирани на стенд Hella и осветяват по-далече без да пречат на отсрещните. Не съм виждал обаче Моримото лупите как светят за да мога да ги сравня за съжаление. Поздрави  
			
									
										
						
- brazy
 - Мнения: 227
 - Регистриран на: Сря 08 фев 2012 20:43
 - Автомобил: Passat B3
 - Двигател: 1.9TD AAZ 1993
 - Местоположение: София /Горубляне
 - Контакти:
 
Re: Пасат B3 и B4 -тунинг,подобрения...тема за всички с B3 и
При хубаво изчистено стъкло Моримотото режат много хубаво .Аз съм с тях но сам си правих стъклото и не е перфектно светят много добре и така малко по размазани са срезовете но не пречи на отсрешните .
			
									
										
						Re: Пасат B3 и B4 -тунинг,подобрения...тема за всички с B3 и
привет
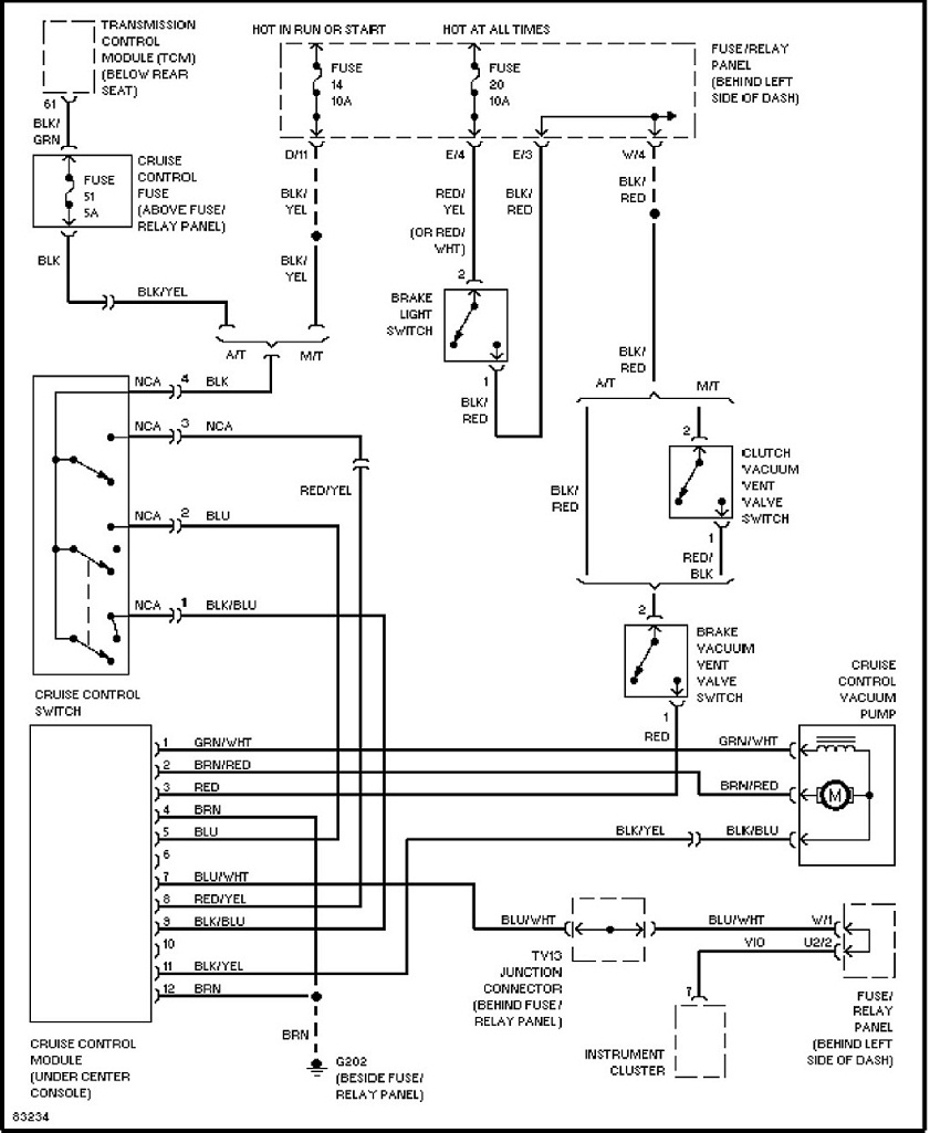
някой знае ли дали може да се сложи темпомат на б4 има си МФА ,на дълги растояния ми се схваща десния крак и никак не е приятно усешането.

imagur
мерси предварително
			
									
										
						някой знае ли дали може да се сложи темпомат на б4 има си МФА ,на дълги растояния ми се схваща десния крак и никак не е приятно усешането.

imagur
мерси предварително
Re: Одг: Пасат B3 и B4 -тунинг,подобрения...тема за всички с
jabre написа:
Има ли в бг такви фарове и каква е цена?
Ако някой продава пуснете ми л.с.
Да има разбира се!! http://olx.bg/ad/za-folksvagen-pasat-b3-hella-lippstadt-farove-s-lupi-na-kasite-ID3lKz5.html

- kris11
 - VW експерт

 - Мнения: 13563
 - Регистриран на: Нед 06 фев 2005 23:04
 - Автомобил: VW Sharan 7M8
 - Двигател: ADY_DBU_LPG LANDIRENZO OMEGAS
 - Местоположение: Варна
 - Контакти:
 
Re: Пасат B3 и B4 -тунинг,подобрения...тема за всички с B3 и
[quote="jlechev"]някой знае ли дали може да се сложи темпомат на б4 има си МФА 
Файла долу
							
			
									
										
						Файла долу
- kris11
 - VW експерт

 - Мнения: 13563
 - Регистриран на: Нед 06 фев 2005 23:04
 - Автомобил: VW Sharan 7M8
 - Двигател: ADY_DBU_LPG LANDIRENZO OMEGAS
 - Местоположение: Варна
 - Контакти:
 
Re: Пасат B3 и B4 -тунинг,подобрения...тема за всички с B3 и
Изрових 1 инстр. за монтаж с картинки на Waeco MS-400_EB_10S_03  -pdf ,1,6 Мб. 
Ако някой има интерес пращам на е-майл.
			
									
										
						Ако някой има интерес пращам на е-майл.
- pushkata11
 - Мнения: 354
 - Регистриран на: Пон 20 юли 2015 16:55
 - Автомобил: Passat [B3 GT G60 Syncro] [B5_5]
 - Двигател: [PG 1992] [AVF 2004]
 - Местоположение: Пловдив
 
Re: Пасат B3 и B4 -тунинг,подобрения...тема за всички с B3 и B4
Какво стана с тази тема ? Няма ли вече мераклий за B3/B4, или вече са толкова тунинговани, че няма на къде повече  
Айде да избутаме праха от темата малко
 
Някой да има идея от къде мога да се сдобия със сива самозалепяща светлоотразителна лента за GT праговете, че моята взе да се разпада вече, а немога да намеря такава
			
									
										
						
Айде да избутаме праха от темата малко
Някой да има идея от къде мога да се сдобия със сива самозалепяща светлоотразителна лента за GT праговете, че моята взе да се разпада вече, а немога да намеря такава

- Megasquirt
 - Мнения: 322
 - Регистриран на: Чет 27 авг 2015 23:25
 - Автомобил:
 - Двигател:
 
Re: Пасат B3 и B4 -тунинг,подобрения...тема за всички с B3 и B4
Има във всеки магазин/ателие за реклами това, което ти трябва различни цветове също и светлоотразително фолио. Оригиналното обаче не е светлоотразително май (доста по-скъпо е от обикновеното).
			
									
										
						Кой е на линия
Потребители, разглеждащи този форум: Няма регистрирани потребители и 62 госта