Golf МК4 1.4 16V - масло в свещите
Golf МК4 1.4 16V - масло в свещите
Колеги смених свещите и на старите видях че има масло от къде минава това масло и какво трябва да се смени.. Колата е голф 4 1,4 16в 1999год.
- Bai Sando
- Мнения: 8116
- Регистриран на: Чет 27 мар 2008 22:28
- Автомобил: Audi A 3
- Двигател: 2000 TDI 2006г
- Местоположение: Пазарджик
Re: МК4 1,4 16V - масло в свещите
Гарнитурата на капака ти тече и пълни свещите с масло 
- anonym0us
- Мнения: 1721
- Регистриран на: Нед 01 яну 2012 22:11
- Автомобил:
- Двигател:
- Местоположение: ηετρϰζ
Re: МК4 1,4 16V - масло в свещите
Да колегата Sando, ти каза от къде е проблема! А ако не решиш проблема и си караш така, ще прецакаш и кабелите на свещите, и сумата за ремонта няма да ти хареса! Гарнитурата от близкия магазин ти е 30 лева и 20 лева смяна = 50 камъка и си решаваш проблема!
После може профилактично да следиш дали не сълзи и новата гарнитура, като махнеш някой от кабелите за свещите и ще видиш дали има масло в гнездата на свещите! Но задължително сложи силикон на гарнитурата, ако не е оригинална, за да не протече и тя като лейка!
После може профилактично да следиш дали не сълзи и новата гарнитура, като махнеш някой от кабелите за свещите и ще видиш дали има масло в гнездата на свещите! Но задължително сложи силикон на гарнитурата, ако не е оригинална, за да не протече и тя като лейка!
- zfa159
- Мнения: 7920
- Регистриран на: Сря 31 яну 2007 12:16
- Автомобил: Skoda Karoq FL + Passat B4 Syncro
- Двигател: DXRB AGG
- Местоположение: София
- Контакти:
Re: МК4 1,4 16V - масло в свещите
Колеги, говорите наизуст и заблуждавате колегата. Първо гарнитура няма и съответно тя не струва 30лв, да не говорим, че смяната и определено няма да е 20лв (по-надолу ще стане ясно защо). Също така пък такъв проблем точно оттам е почти невъзможен, ако двигателя не е разглобяван преди това.
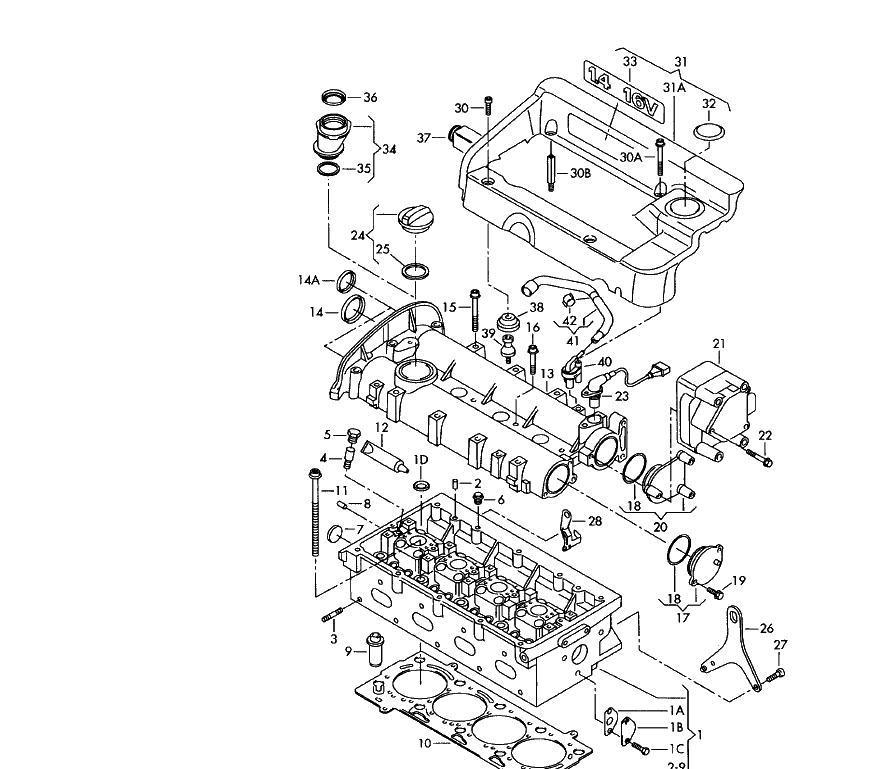
Ето една картинка на двигателя :
Както се вижда, гарнитура няма, само силикон (който ако си е заводския почти никога не започва да пропуска).
Следваща стъпка - вижда се, че разпр. валове са в капака т.е. за да се смени силикона, ако все пак е от него проблема - сваляне на дългия ангренаж между кол. вал. и разпр. вал, както и сваляне на малкия ангренаж горе между двата вала с обт. му ролка. Предвид, че това е Голф 4, това значи сваляне на конзолата за тампона на двигателя от ляво и самия тампон, за което трябва да се свали разширителния съд за антифриза и този за хидравличната течност. Искам да видя кого ще накарате да се гърби цял ден за 20лв
По повод темата - зависи дали маслото е отдолу по свещите - където им е електрода или отгоре. Ако е отгоре - или някой е разлял при смяната и са се напълнили гнездата или е отварян двигателя и са се изложили със силикона при сглобяването.Също така може да тече от номер 34 или уплътненията около него - трябва да видиш дали има омасляване там. Ако е отдолу при електрода и по свещите има и нагари от масло и двигателя си гори масло - това вече е съществен проблем - двигателя си реве за основен ремонт - гумички на клапани, сегменти и т.н.
Ето една картинка на двигателя :
Както се вижда, гарнитура няма, само силикон (който ако си е заводския почти никога не започва да пропуска).
Следваща стъпка - вижда се, че разпр. валове са в капака т.е. за да се смени силикона, ако все пак е от него проблема - сваляне на дългия ангренаж между кол. вал. и разпр. вал, както и сваляне на малкия ангренаж горе между двата вала с обт. му ролка. Предвид, че това е Голф 4, това значи сваляне на конзолата за тампона на двигателя от ляво и самия тампон, за което трябва да се свали разширителния съд за антифриза и този за хидравличната течност. Искам да видя кого ще накарате да се гърби цял ден за 20лв
По повод темата - зависи дали маслото е отдолу по свещите - където им е електрода или отгоре. Ако е отгоре - или някой е разлял при смяната и са се напълнили гнездата или е отварян двигателя и са се изложили със силикона при сглобяването.Също така може да тече от номер 34 или уплътненията около него - трябва да видиш дали има омасляване там. Ако е отдолу при електрода и по свещите има и нагари от масло и двигателя си гори масло - това вече е съществен проблем - двигателя си реве за основен ремонт - гумички на клапани, сегменти и т.н.
- anonym0us
- Мнения: 1721
- Регистриран на: Нед 01 яну 2012 22:11
- Автомобил:
- Двигател:
- Местоположение: ηετρϰζ
Re: МК4 1,4 16V - масло в свещите
Интересно
Моя асматик 1,8 има гарнутура на капака! Или е пипан, и силикона оригиналния е махнат и е сложена гарнитура на негово място, или двата мотора нямат нищо общо! Не казвам, че съм прав, но и 1,4 и 1,8 по снимката се вижда, че нямат голяма разлика, и двата са двувалки! При мен вкарваше масло от гарнитурата (вътрешната) на свещите и 1-ви цилиндър беше в масло, горната част на свеща!
Дано колегата разбира за какво му говорим де. И проблема да му е малак, да не се налага да прави ремонт на мотора
Дано колегата разбира за какво му говорим де. И проблема да му е малак, да не се налага да прави ремонт на мотора

- Bai Sando
- Мнения: 8116
- Регистриран на: Чет 27 мар 2008 22:28
- Автомобил: Audi A 3
- Двигател: 2000 TDI 2006г
- Местоположение: Пазарджик
Re: МК4 1,4 16V - масло в свещите
Ужас
Вярно няма гарнитура на схемата.Баси двигателя,защо не е като на другите 16в мотори 

- zfa159
- Мнения: 7920
- Регистриран на: Сря 31 яну 2007 12:16
- Автомобил: Skoda Karoq FL + Passat B4 Syncro
- Двигател: DXRB AGG
- Местоположение: София
- Контакти:
Re: МК4 1,4 16V - масло в свещите
И на двамата моторите ви са в пъти по-добре мислени и изпълнени спрямо 1.4 16V и 1.6 16V на Голф 4 и затова имат такива неща като г-ри на капака на клапаните и т.н.
Тези двигатели са на принципа за монолитен двигател - караш, чупи се, хвърляш и слагаш следващия без да се занимаваш да ремонтираш по-сериозни възли. Те затова нямат кой знае колко г-ри и неща - просто и евтино за производство с определен ресурс, след който просто да се изхвърли. Като добавим и лошата поддръжка на предните собственици - тотална щета. Картера е със силикон, капака отгоре е със силикон, валовете са предвидени да се сменят заедно с капака, в който лежат ако се износят и т.н. - консумативна политика
. Ако двигателя го вземеш читав, си щастлив и караш, докато може, ако го вземеш прецакан - лошо.
П.п. ето картинка за 1.8 125к.с. :
Тук се вижда всичко доста ясно - 18 са гарнитури (заводски си ги има) - една отвън по периферията на капака и една вътре по средата - за отворите на свещите.
Капака си е само капак - разпр. валове седят в портовете на главата и отгоре са с черупки - истинска работа.

Тези двигатели са на принципа за монолитен двигател - караш, чупи се, хвърляш и слагаш следващия без да се занимаваш да ремонтираш по-сериозни възли. Те затова нямат кой знае колко г-ри и неща - просто и евтино за производство с определен ресурс, след който просто да се изхвърли. Като добавим и лошата поддръжка на предните собственици - тотална щета. Картера е със силикон, капака отгоре е със силикон, валовете са предвидени да се сменят заедно с капака, в който лежат ако се износят и т.н. - консумативна политика
П.п. ето картинка за 1.8 125к.с. :
Тук се вижда всичко доста ясно - 18 са гарнитури (заводски си ги има) - една отвън по периферията на капака и една вътре по средата - за отворите на свещите.
Капака си е само капак - разпр. валове седят в портовете на главата и отгоре са с черупки - истинска работа.

- anonym0us
- Мнения: 1721
- Регистриран на: Нед 01 яну 2012 22:11
- Автомобил:
- Двигател:
- Местоположение: ηετρϰζ
Re: МК4 1,4 16V - масло в свещите
Благодаря ти колега, сега ми се проясни ситуацията! 

- Bai Sando
- Мнения: 8116
- Регистриран на: Чет 27 мар 2008 22:28
- Автомобил: Audi A 3
- Двигател: 2000 TDI 2006г
- Местоположение: Пазарджик
Re: МК4 1,4 16V - масло в свещите
Заблудил съм се когато разглобявах един 1.8т,понеже на него му е такава гарнитурата.Кой да подозира,че на 1.4 такъв филм няма 

- Stenly
- Мнения: 1968
- Регистриран на: Пет 29 апр 2005 23:22
- Автомобил:
- Двигател:
- Местоположение: София VW Golf mk1 1600GTI EG
- Контакти:
Re: МК4 1,4 16V - масло в свещите
Като цяло наклонените напред двигатели са сгрешена концепция... било 8 или 16 клапана. На всички 16ки на тая база вкл голф 5 и нагоре се свалят разпределителните валове за пресиликониране на капака .Много чест проблем при по новите мотори с бобини маслото влиза там и бобината... изгнива от протеклото масло - изваждат се на парчета .
Re: МК4 1,4 16V - масло в свещите
При мене маслото е отгоре на свещите не по електрода , какво да правя наистина ли може да е от разливане което ме съмнява
- popa_1985
- Мнения: 2
- Регистриран на: Пон 28 ное 2011 21:14
- Автомобил:
- Двигател:
- Местоположение: plovdiv
Re: Golf МК4 1.4 16V - масло в свещите
И аз го имам същия проблем
-
transform
- Мнения: 228
- Регистриран на: Нед 03 апр 2011 14:24
- Автомобил: Golf 4 1.4 16V
- Двигател: AHW 1999
- Местоположение: silistra
Re: Golf МК4 1.4 16V - масло в свещите
В крайна сметка не се разбра - двигателят в случая гори ли масло или не?
Върни се в “Golf, Vento, Jetta & Bora”
Кой е на линия
Потребители, разглеждащи този форум: Няма регистрирани потребители и 83 госта