То някой ако реши да я краде не го спира нищо,макар,че заключването на волана ще го забави и е хубаво да си го има.Бутон вместо 1 завъртане на ключът!
Правила на форума
Натисни тук за да прочетеш Правилата на форума
Натисни тук за да прочетеш Правилата на форума
- Bai Sando
- Мнения: 8116
- Регистриран на: Чет 27 мар 2008 22:28
- Автомобил: Audi A 3
- Двигател: 2000 TDI 2006г
- Местоположение: Пазарджик
Re: Бутон вместо 1 завъртане на ключът!
И аз така мисля
То някой ако реши да я краде не го спира нищо,макар,че заключването на волана ще го забави и е хубаво да си го има.
То някой ако реши да я краде не го спира нищо,макар,че заключването на волана ще го забави и е хубаво да си го има.Re: Бутон вместо 1 завъртане на ключът!
Колеги едно две въпросчета имам.
След като и аз имах проблеми с клемореда го резнах и вече съм с копчета, имам едно което дава на контакт , и едно друго черно на скрито място за палене. Ключа трябва да е на мястото си за да не се заключи волана. Та въпросите са ми на кое копче от двете или на двете да им сложа реленца да не стане някой гаф. Какви релета? Има ли нужда ?
Смеха ако може кой кабел за какво е точно защото колата като е запалена и при подаване на газ цъка нещо като реле отпред при двигателя ?
На алармаджия токаджия не ми се ходи щото са големи бурканни физици и дерат кожа направо с кокалите..
Няма проблем да добавя снимков материал..
След като и аз имах проблеми с клемореда го резнах и вече съм с копчета, имам едно което дава на контакт , и едно друго черно на скрито място за палене. Ключа трябва да е на мястото си за да не се заключи волана. Та въпросите са ми на кое копче от двете или на двете да им сложа реленца да не стане някой гаф. Какви релета? Има ли нужда ?
Смеха ако може кой кабел за какво е точно защото колата като е запалена и при подаване на газ цъка нещо като реле отпред при двигателя ?
На алармаджия токаджия не ми се ходи щото са големи бурканни физици и дерат кожа направо с кокалите..
Няма проблем да добавя снимков материал..
- refresh4o
- !!!ИЗМАМНИК!!!
- Мнения: 762
- Регистриран на: Съб 09 апр 2011 20:59
- Автомобил: VW POLO B5188PP
- Двигател: AEX 1996
- Местоположение: Варна
Re: Бутон вместо 1 завъртане на ключът!
това с шишовете за заключване на волана не е до електроника до колкото си мисля, а до ключа.
- Bai Sando
- Мнения: 8116
- Регистриран на: Чет 27 мар 2008 22:28
- Автомобил: Audi A 3
- Двигател: 2000 TDI 2006г
- Местоположение: Пазарджик
Re: Бутон вместо 1 завъртане на ключът!
Ти ме разсмя.Като си толкова голям професор измисли по-лесен начин за толкова функции от един бутон.Айде чакам да го измислиш.Като не те кефи старт бутона прескачаш темата и толкова.
На стария ми голф вече 3-та година си бачка схемата с релетата без проблеми.Момчето още си го кара така и не е отказала нито веднъж.
- refresh4o
- !!!ИЗМАМНИК!!!
- Мнения: 762
- Регистриран на: Съб 09 апр 2011 20:59
- Автомобил: VW POLO B5188PP
- Двигател: AEX 1996
- Местоположение: Варна
Re: Бутон вместо 1 завъртане на ключът!
мисля, че всяка тема от сорта ' направи си сам ' независимо дали е старт бутон или друго подобно е интересна защото и без това не са много такива теми вече...
- LORD_OF_PAIN
- Мнения: 134
- Регистриран на: Вто 26 дек 2006 22:04
- Автомобил:
- Двигател:
- Местоположение: София
Re: Бутон вместо 1 завъртане на ключът!
ето и моя вариянт само дето още нямам бутони
https://www.facebook.com/photo.php?v=4397563539655&set=vb.1305489912&type=3&theater
мисля че всички ще могат да го гледат. публикувам го тук за да не отварям нова тема
https://www.facebook.com/photo.php?v=4397563539655&set=vb.1305489912&type=3&theater
мисля че всички ще могат да го гледат. публикувам го тук за да не отварям нова тема
- otvorkoto
- Мнения: 40
- Регистриран на: Нед 26 ное 2006 14:26
- Автомобил:
- Двигател:
- Местоположение: София
Re: Бутон вместо 1 завъртане на ключът!
може ли някой да ми каже най простия и ефтин начин
примерно остава си ключа да се дава контакт и да се сложи само един бутон за запалването
към кой цветове трябва да се върже копчето и трябва ли да има и още нещо
примерно остава си ключа да се дава контакт и да се сложи само един бутон за запалването
към кой цветове трябва да се върже копчето и трябва ли да има и още нещо
- К.Одаджийски
- VW експерт

- Мнения: 12188
- Регистриран на: Пон 11 сеп 2006 20:11
- Автомобил: Saab 9-3 SS ARC
- Двигател: B207L
- Местоположение: София / Берковица
Re: Бутон вместо 1 завъртане на ключът!
Ако копчето е "силово" го връзваш към двата най- дебели кабела на клемореда, ако е слабо копчето пак към тях, но с реле, да не ти се стопи в ръцете някой път
- badov
- Мнения: 205
- Регистриран на: Пон 23 авг 2010 11:43
- Автомобил:
- Двигател:
- Местоположение: Plovdiv/Strasbourg-France
Re: Бутон вместо 1 завъртане на ключът!
Здравейте колеги
От няколко дни и аз съм в клуба "Старт бутон"
.Причината-прецкан клеморед (не върти стартера когато времето е топло).Предпочетох слагането на старт бутон, вместо да се занимавам със смяната на клеморед,като прочетох колко е "лесно".Бутона който взех си е предназначен за старт бутон и е 50А.След монтажа си реших генерално проблема с паленето.Вързах го към двата най дебели кабела.Прилагам и снимка на бутончето 

-
Danailov
- Мнения: 114
- Регистриран на: Вто 07 сеп 2004 19:04
- Автомобил: VW PASSAT B4
- Двигател: ABF
- Местоположение: Варна
- Контакти:
Re: Бутон вместо 1 завъртане на ключът!
Здравей те.
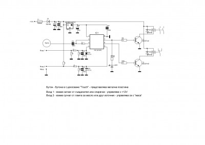
Да повдигна малко темата. Има ли още желаещи да си направят "Enginе start stop button". Ето варианта който ползвам аз с PIC и бутон с докосване(touch). Ако има желаещи ще помагам.
Да повдигна малко темата. Има ли още желаещи да си направят "Enginе start stop button". Ето варианта който ползвам аз с PIC и бутон с докосване(touch). Ако има желаещи ще помагам.
- Прикачени файлове
-
- 675touch_v1.rar
- (554 Байтове) Свален 105 пъти
Последна промяна от Danailov на Съб 23 ное 2013 19:57, променено общо 2 пъти.
- refresh4o
- !!!ИЗМАМНИК!!!
- Мнения: 762
- Регистриран на: Съб 09 апр 2011 20:59
- Автомобил: VW POLO B5188PP
- Двигател: AEX 1996
- Местоположение: Варна
Re: Бутон вместо 1 завъртане на ключът!
доста интересна схема, мисля да я изпробвам.
- Dobromirski
- Мнения: 1582
- Регистриран на: Нед 31 дек 2006 10:12
- Автомобил: Seat Leon
- Двигател: ARL 150+ hp
- Местоположение: Плевен
- Контакти:
Re: Бутон вместо 1 завъртане на ключът!
Да вметна още една идея. На спирачката и съединителя има кюлчета, които могат да се ползват освен за блокировка на стартера, така и за бърза комбинация между тях самите или между тях и бутона против кражба.
-
Danailov
- Мнения: 114
- Регистриран на: Вто 07 сеп 2004 19:04
- Автомобил: VW PASSAT B4
- Двигател: ABF
- Местоположение: Варна
- Контакти:
Re: Бутон вместо 1 завъртане на ключът!
Схемата работи идеално вече 2-месеца при мен. Релетата който ползвам са 12V/40А. Сега съм на етап изработка на "красив" бутон и монтаж на имобилайзер за по добра сигурност. Ако някой желае мога да дам и схема на имобилайзер.
Re: Бутон вместо 1 завъртане на ключът!
Здравейте колеги, първо искам да ви поздравя за ентусиазма и желанието с което се впускате към подобни начинания.
Сега въпроса ми е най-вече към колегата Bai Sando (но и не само към него) как изключи имобилайзера?
Въпроса ми е поради факта, че и аз трябва да мина по този път с бутона?
Благодаря предварително на отзовалите се.
Сега въпроса ми е най-вече към колегата Bai Sando (но и не само към него) как изключи имобилайзера?
Въпроса ми е поради факта, че и аз трябва да мина по този път с бутона?
Благодаря предварително на отзовалите се.
- Bai Sando
- Мнения: 8116
- Регистриран на: Чет 27 мар 2008 22:28
- Автомобил: Audi A 3
- Двигател: 2000 TDI 2006г
- Местоположение: Пазарджик
Re: Бутон вместо 1 завъртане на ключът!
Имобилайзера не го изключих,а извадих чипчето в ключа и го залепих за гривната на контактноия ключ.
Така при всяко палене имобилайзера си намираше чипчето нямаше проблем.
Тая система я правих преди около 3 години.Не знам дали още карат колата така.
Така при всяко палене имобилайзера си намираше чипчето нямаше проблем.
Тая система я правих преди около 3 години.Не знам дали още карат колата така.

Кой е на линия
Потребители, разглеждащи този форум: Няма регистрирани потребители и 43 госта
