Passat B3 1.8 RP - изключване на мигачи при изгасена кола!

Техническа и сервизна информация за Passat
Потребителски аватар
инжектопляктор
Мнения: 4192
Регистриран на: Нед 21 сеп 2014 0:54
Автомобил:
Двигател:

Re: Passat B3 1.8 RP - изключване на мигачи при изгасена кола!

Мнениеот инжектопляктор » Пет 17 мар 2017 0:07


ангелчо77 написа:За какво ти е ел схема...

Аз не искам зумер. Искам да изрежа безполезните за мен "екстри"




Потребителски аватар
Iezekil
Мнения: 6186
Регистриран на: Вто 14 фев 2012 15:53
Автомобил: Passat B4 Variant
Двигател: ABS 94
Местоположение: Шумен

Re: Passat B3 1.8 RP - изключване на мигачи при изгасена кола!

Мнениеот Iezekil » Пет 17 мар 2017 9:41


ktamen написа:И габаритите ще останат без захранване при върнат контакт.

Да,въпроса е от къде идва тая жица,ако приемем,че е една?Ако идва от лоста за мигачи-добре,ще намери коя е.Но по вероятно да идва от самата бушониера,зад букса U2 да речем,където отива общия кабел за включен мигач??.
Така ще реши проблема с мигачите,но ще остане проблема с габарита.
Там решението е реле на захранването на ключа за фаровете да речем??Или да преразгледаме клемореда.Каквито и букси да има нашия човек,клеморедът е един и същ.Добре е да се провери какво точно захранват клеми 2,5 и 6,че и 1 при него,явно това инфо е оскъдно и ще е полезно.


Потребителски аватар
ktamen
Мнения: 6401
Регистриран на: Вто 23 мар 2010 18:52
Автомобил:
Двигател:
Местоположение: София - Ямбол

Re: Passat B3 1.8 RP - изключване на мигачи при изгасена кола!

Мнениеот ktamen » Пет 17 мар 2017 22:00


Нищо не си разбрал, дано пляктора да ме е разбрал по-добре. Ако има такова реле откриването му е лесно. После може да се сложи друго реле, с едно краче по-малко, на негово място и готово. Ама може да е направено по друг начин и да няма реле.


mrsch66
Мнения: 310
Регистриран на: Чет 22 мар 2012 18:38
Автомобил: jetta 2
Двигател: ez 1986
Местоположение: praha

Re: Passat B3 1.8 RP - изключване на мигачи при изгасена кола!

Мнениеот mrsch66 » Пет 17 мар 2017 22:36


По-скоро лостчето са мигача е износено при паркиране почти винаги изправяш волана поне в 90% процента от случаите и мигача изключва сам екстрата която не ти харесва е принудително влключване на мигача след паркиране за да светят габаритите на въпросната страна.


Потребителски аватар
Iezekil
Мнения: 6186
Регистриран на: Вто 14 фев 2012 15:53
Автомобил: Passat B4 Variant
Двигател: ABS 94
Местоположение: Шумен

Re: Passat B3 1.8 RP - изключване на мигачи при изгасена кола!

Мнениеот Iezekil » Съб 18 мар 2017 6:56


Аз те разбрах.
Ако има реле да следи за включен мигач и върнат контакт,то това е релето за мигачите.Няма отделно реле.И понеже заигравката със самото реле ще е по-трудна,би следвало да се види въпросното реле отде черпи инфо,това имах предвид.В случая би трябвало да е от лоста на мигача/няма друг вариант/,а и там май са 7 кабела..
Възможно е все пак да следи двата кабела,за да знае страната на която да светне.Тук трябва да се проследят самите габарити по цвят,къде се отклоняват преди ключа за фаровете.Той явно за това иска схема,да не си играе.
Слагането на отделно реле за габаритните светлини също е решение.Така ще реши и двата проблема-паркинг светлина и забравени фарове.


Потребителски аватар
инжектопляктор
Мнения: 4192
Регистриран на: Нед 21 сеп 2014 0:54
Автомобил:
Двигател:

Re: Passat B3 1.8 RP - изключване на мигачи при изгасена кола!

Мнениеот инжектопляктор » Съб 18 мар 2017 12:56


ktamen написа:Нищо не си разбрал, дано пляктора да ме е разбрал по-добре. Ако има такова реле откриването му е лесно.

Не, лесно е да си говорим на теория, обаче аз не мога на кола, която се налага да ползвам ежедневно, да човъркам 2 дни инсталацията. Аз мога и байпас да направя на всичко, но искам да го направя по-интелигентно.
Една схема би решила проблема. Не схема на решение, а електрическа схема.
Iezekil написа:Тук трябва да се проследят самите габарити по цвят,къде се отклоняват преди ключа за фаровете.Той явно за това иска схема,да не си играе..

Токът за габарити при лостче натиснато на някъде 100% не минава по никакъв начин през ключа за фаровете. Откачих същия, отново си свети. Това, което е неприятното е, че никъде по таблото не свети лампичка и не свети никакво осветление в купето, няма никаква индикация, че работят светлини. Габаритите през деня трудно се виждат, но ако ги забравиш са достатъчни за 8-9-10 часа светене да ти съборят акумулатора.
Не искам заради някаква простотия да си купувам нов акумулатор, понеже старият е капнал. А ми се е случвало повече от 1 път да забравям лостче. Например излизам от колата, ровя нещо, натискам го без да искам и заключвам колата. После някой ми казва "ама виж, нещо ти свети на колата".
Писна ми да се оглеждам като кретен всеки път като сляза дали нещо не свети.
Аз смятам, че при натиснато лостче и не работещо реле на мигачите, веригата се затваря от някъде другаде и светват само от съответната страна. Обаче нито знам изводите на лостчето в какъв ред са, нито нищо. Искам да хвана схема, да я проследя, да отида и да свърша работата за 10 минути, а не да меря 3 часа, за да разбера как работи мозъка на някой извратен проектант.
Аз в момента съм си сложил най-големият акумулатор, който влиза - 72Ah и имам намерение да го карам възможно по-дълго без проблеми. Нарочно взех по-голям капацитет и ток, защото знам че им пада капацитета с остаряването. Отделно стартерът на Пасата е безредукторен и си иска ток.


Потребителски аватар
vlado_tonev
Мнения: 5497
Регистриран на: Нед 18 ное 2007 1:54
Автомобил: GOLF MK4 1.9TDI
Двигател: ALH 2000
Местоположение: София
Контакти:

Re: Passat B3 1.8 RP - изключване на мигачи при изгасена кола!

Мнениеот vlado_tonev » Съб 18 мар 2017 14:04


Плякторе,няма ли да е по-лесно да си монтираш един зумер?


Потребителски аватар
ангелчо77
Мнения: 223
Регистриран на: Нед 06 мар 2011 19:26
Автомобил: Passat B3 Variant
Двигател: RP 1990
Местоположение: ловеч

Re: Passat B3 1.8 RP - изключване на мигачи при изгасена кола!

Мнениеот ангелчо77 » Съб 18 мар 2017 14:11


И аз това му казвам,4 кабелчета са и забравя за проблемите си. :wink


Потребителски аватар
инжектопляктор
Мнения: 4192
Регистриран на: Нед 21 сеп 2014 0:54
Автомобил:
Двигател:

Re: Passat B3 1.8 RP - изключване на мигачи при изгасена кола!

Мнениеот инжектопляктор » Съб 18 мар 2017 14:54


vlado_tonev написа:Плякторе,няма ли да е по-лесно да си монтираш един зумер?

Не! Ако ще свалям таблото, ще ровя кабелни обувки, по-добре да махна директно "екстрите"!
А зумерите дефектират! Например при мен на Vento-то не работеше както трябва, заради проблем с едно от положенията на контактен ключ. От него се подава променлив плюс, да не свири като ключ има в ключа за запалване. Да, но благодарение на това не работеше зумера въобще!
ангелчо77 написа:...и забравя за проблемите си.

Не, не забравям за проблемите. Аз не желая всеки път нещо да ми цирика на главата и да ровя ключове и защи цирика.
Аз така или иначе рано или късно ще го направя. Надявах се и още се надявам някой да има схема за европейски пасат, за да не го правя на принципа проба-грешка и с губене на излишно много време.


Потребителски аватар
goppa
VW експерт
VW експерт
Мнения: 8022
Регистриран на: Вто 04 сеп 2012 19:25
Автомобил: Seat Alhambra
Двигател: CFFB
Местоположение: Горна Оряховица

Re: Passat B3 1.8 RP - изключване на мигачи при изгасена кола!

Мнениеот goppa » Съб 18 мар 2017 15:09


Тук търси ли?

http://vwts.ru/vw_passat3_35i.html


Потребителски аватар
Iezekil
Мнения: 6186
Регистриран на: Вто 14 фев 2012 15:53
Автомобил: Passat B4 Variant
Двигател: ABS 94
Местоположение: Шумен

Re: Passat B3 1.8 RP - изключване на мигачи при изгасена кола!

Мнениеот Iezekil » Съб 18 мар 2017 15:14


инжектопляктор написа:
Iezekil написа:Тук трябва да се проследят самите габарити по цвят,къде се отклоняват преди ключа за фаровете.Той явно за това иска схема,да не си играе..

Токът за габарити при лостче натиснато на някъде 100% не минава по никакъв начин през ключа за фаровете. Откачих същия, отново си свети.

Не минава я,кой е казал,че минава.
Мисля до сега щеше да видиш от къде точно минава по цвета на кабелите.
Другото-не каза при интервенцията с кабела от клемореда получи ли се,разбрахме,че са изчезнали аварийните,но спряха ли и габаритите?
Имам разглобен Пасат,ходих да гледам сноповете кабели.От мигачите са 5,3 те са основно зелени,влизат в една букса заедно с тия за къси/дълги предполагам,3 бели.С друго не мога да помогна,схеми ако има,ще кача


Потребителски аватар
Iezekil
Мнения: 6186
Регистриран на: Вто 14 фев 2012 15:53
Автомобил: Passat B4 Variant
Двигател: ABS 94
Местоположение: Шумен

Re: Passat B3 1.8 RP - изключване на мигачи при изгасена кола!

Мнениеот Iezekil » Съб 18 мар 2017 15:16




Потребителски аватар
Iezekil
Мнения: 6186
Регистриран на: Вто 14 фев 2012 15:53
Автомобил: Passat B4 Variant
Двигател: ABS 94
Местоположение: Шумен

Re: Passat B3 1.8 RP - изключване на мигачи при изгасена кола!

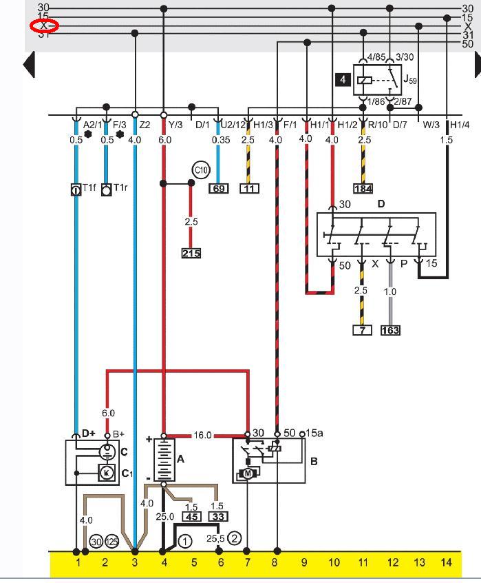
Мнениеот Iezekil » Съб 18 мар 2017 15:32


Не знам кво е,но усещам,че е важно
Прикачени файлове
1678994.jpg


Потребителски аватар
ангелчо77
Мнения: 223
Регистриран на: Нед 06 мар 2011 19:26
Автомобил: Passat B3 Variant
Двигател: RP 1990
Местоположение: ловеч

Re: Passat B3 1.8 RP - изключване на мигачи при изгасена кола!

Мнениеот ангелчо77 » Съб 18 мар 2017 16:15


Автора на темата ми се струва че излишно си усложнява живота.Както е да е,желая му успех.


Потребителски аватар
Bai Sando
Мнения: 8116
Регистриран на: Чет 27 мар 2008 22:28
Автомобил: Audi A 3
Двигател: 2000 TDI 2006г
Местоположение: Пазарджик

Re: Passat B3 1.8 RP - изключване на мигачи при изгасена кола!

Мнениеот Bai Sando » Съб 18 мар 2017 18:52


Автора на темата е само за жигула. :wink
Утре очаквам тема за махане на моното и минаване на карбуратор и делко с чукче :biggrin
Един скапан зумер ти е 1.5лв и е вечен с пиезо-кристал,за какво ти е да режеш кабели и да си усложняваш живота излишно.
Аз на двойката си сложих такъв и нямам грижи.



Върни се в “Passat”

Кой е на линия

Потребители, разглеждащи този форум: Няма регистрирани потребители и 47 госта