VAG-COM
- marchq
- Мнения: 381
- Регистриран на: Вто 27 мар 2007 22:53
- Автомобил:
- Двигател:
- Местоположение: Бургас
Re: VAG-COM
Искам да попитам някой подкарал ли е Vag Com на Windows 7 Ultimate 64bit? С евтин син кабел съм ползвал съм го на XP с 409.1 и VCDS-lite 1.0 Мъчих се, но нищо не става. Кажете ако има начин какъв е и по-подробно ако може (придружено с файлове) Благодаря ви предварително 
- k_garchev
- Мнения: 2721
- Регистриран на: Съб 08 мар 2008 13:12
- Автомобил: VW Golf 4 2.3V5 4motion
- Двигател: AGZ
- Местоположение: Пирдоп
- Контакти:
Re: VAG-COM
marchq написа:Искам да попитам някой подкарал ли е Vag Com на Windows 7 Ultimate 64bit? С евтин син кабел съм ползвал съм го на XP с 409.1 и VCDS-lite 1.0 Мъчих се, но нищо не става. Кажете ако има начин какъв е и по-подробно ако може (придружено с файлове) Благодаря ви предварително
x15 написа:k_garchev написа:Изобщо как се подкарва VAG-Com под Windows 7 64 битов!Аз опитах и не иска и се наложи да инсталирам 32 битов и всичко си работеше!
Даваш му десен клик върху програмата, после "възтановяване на предишни версии" (ако уина ти е на БГ), "съвместимост" и избираш "win xp sp 3"
A сега и аз да попитам нещо, по новите фолцвагени на VAG-Com ли са или на OBD2, и ако са на OBD2 от коя година са ги сменили стандартите?[/quranji написа:k_garchev написа:Изобщо как се подкарва VAG-Com под Windows 7 64 битов!Аз опитах и не иска и се наложи да инсталирам 32 битов и всичко си работеше!
Стартираш го като Администратор.
Така пробва ли?
- ivo8181
- Мнения: 556
- Регистриран на: Вто 22 ное 2005 16:51
- Автомобил: MK 4 GTI
- Двигател: 1.8 TURBO
- Местоположение: Пловдив
Re: VAG-COM
marchq написа:Искам да попитам някой подкарал ли е Vag Com на Windows 7 Ultimate 64bit? С евтин син кабел съм ползвал съм го на XP с 409.1 и VCDS-lite 1.0 Мъчих се, но нищо не става. Кажете ако има начин какъв е и по-подробно ако може (придружено с файлове) Благодаря ви предварително
и аз питам това че неможе да ми тръгне програмата
- GodLike
- Мнения: 2133
- Регистриран на: Чет 19 яну 2006 9:27
- Автомобил: VW Touran
- Двигател: CRKB 7DSG Highline
- Контакти:
Re: VAG-COM
http://depositfiles.com/files/kn7syvikq
VCDS-Lite регистриран и активиран. Работи под 64bit windows.
Изтеглете и разархивирайте. Стартирайте от loader.exe.
VCDS-Lite регистриран и активиран. Работи под 64bit windows.
Изтеглете и разархивирайте. Стартирайте от loader.exe.
Re: VAG-COM
Здравейте имам проблеми с подкарването на Vag-Com908 на 32 битова Vista .Всичко се инсталира нормално ,но при опит да стартирам програмата /при включен кабел разбира се / няма никаква реакция.
- k_garchev
- Мнения: 2721
- Регистриран на: Съб 08 мар 2008 13:12
- Автомобил: VW Golf 4 2.3V5 4motion
- Двигател: AGZ
- Местоположение: Пирдоп
- Контакти:
Re: VAG-COM
GodLike написа:http://depositfiles.com/files/kn7syvikq
VCDS-Lite регистриран и активиран. Работи под 64bit windows.
Изтеглете и разархивирайте. Стартирайте от loader.exe.
Става ли за Vag-Com 10.6?
Re: VAG-COM
По новите фолцвагени на VAG-Com ли са или на OBD2, и ако са на OBD2 от коя година са ги сменили стандартите?
- GodLike
- Мнения: 2133
- Регистриран на: Чет 19 яну 2006 9:27
- Автомобил: VW Touran
- Двигател: CRKB 7DSG Highline
- Контакти:
Re: VAG-COM
k_garchev написа:Става ли за Vag-Com 10.6?
Не знам, пробвай. Аз го ползвам с кабел за 409.1.
- ivo8181
- Мнения: 556
- Регистриран на: Вто 22 ное 2005 16:51
- Автомобил: MK 4 GTI
- Двигател: 1.8 TURBO
- Местоположение: Пловдив
Re: VAG-COM
x15 написа:Упътване за ВАГ-КОМ:
http://www.vaglinks.com/Docs/Misc/Audizine.com_Generic_VAG-COM_COM_Port%20Setup.pdf
за хп имам трябва ми софт за VAC-COM 311-2 за windows 7
Re: VAG-COM
Здравейте,
Преди около година си купих такъв "оригинален" китайски Ваг ком тогава не успях да го подкарам/трябваше ми за диагностика на климатика на Волвото В40-1996г бензин/. Тогава просто не успяваше да се свърже с модула.
Сега обаче ще ми трябва за една Алфа/със сответния софт/ и търся помощ тук при вас заради многото ползватели на Ваг Ком с надеждата някой да каже дали е подкарвал това чудо на китайската мисъл.
ето и снимки на кабела:
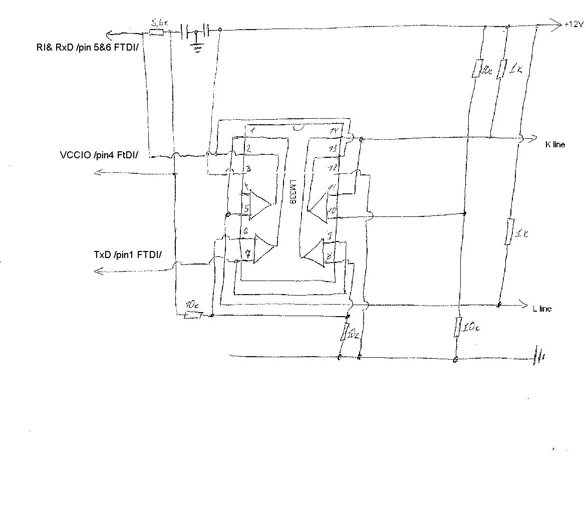
а това е схемата на платката, която е с ЛМ339/свръзките с ФТДИ само съм ги посочил като пинове за да е по-малък файла/:
Притеснява ме връзката между пин13 и пин2 на ЛМ339. Това връщане на Л линията, като "ехо" по К линията дали не прецаква комуникацията. Но от друга страна точно тази връзка се ползва от Ваг Ком софта за проверката на кабела май???
Иначе кутията на кабела вече е с друго предназначение а платката на ваг кома стои с отделни кабели и чака момента в който ще успея да я подкарам.
Благодаря на всички отзовали се!!!
Преди около година си купих такъв "оригинален" китайски Ваг ком тогава не успях да го подкарам/трябваше ми за диагностика на климатика на Волвото В40-1996г бензин/. Тогава просто не успяваше да се свърже с модула.
Сега обаче ще ми трябва за една Алфа/със сответния софт/ и търся помощ тук при вас заради многото ползватели на Ваг Ком с надеждата някой да каже дали е подкарвал това чудо на китайската мисъл.
ето и снимки на кабела:
а това е схемата на платката, която е с ЛМ339/свръзките с ФТДИ само съм ги посочил като пинове за да е по-малък файла/:
Притеснява ме връзката между пин13 и пин2 на ЛМ339. Това връщане на Л линията, като "ехо" по К линията дали не прецаква комуникацията. Но от друга страна точно тази връзка се ползва от Ваг Ком софта за проверката на кабела май???
Иначе кутията на кабела вече е с друго предназначение а платката на ваг кома стои с отделни кабели и чака момента в който ще успея да я подкарам.
Благодаря на всички отзовали се!!!
Последна промяна от del на Пет 06 апр 2012 10:50, променено общо 1 път.
- rexpitbul
- Мнения: 1758
- Регистриран на: Вто 07 ное 2006 21:08
- Автомобил:
- Двигател:
- Местоположение: Мелмак
Re: VAG-COM
GodLike написа:http://depositfiles.com/files/kn7syvikq
VCDS-Lite регистриран и активиран. Работи под 64bit windows.
Изтеглете и разархивирайте. Стартирайте от loader.exe.
Мерси, спести ми мъки с пускането на WiN7
- mccoy
- Мнения: 993
- Регистриран на: Нед 11 ное 2007 23:16
- Автомобил: HONDA CRV III 2.2 I-CTDI
- Двигател: N22A2
- Местоположение: Стара Загора
Re: VAG-COM
Здравейте колеги
От 2-3години имам VagCom кабел със версия на софта 7,04
Ползвал съм го многократно и работише перфектно до преди месец когато софтуера отказа да открива кабела.
Същия кабел работи със VCDS-Lite
7.04 софта от орегиналния диск го пробвах на 3 различни лаптопа със Win7 и XP и на трите не иска да работи.
Къде може да е проблема.
От 2-3години имам VagCom кабел със версия на софта 7,04
Ползвал съм го многократно и работише перфектно до преди месец когато софтуера отказа да открива кабела.
Същия кабел работи със VCDS-Lite
7.04 софта от орегиналния диск го пробвах на 3 различни лаптопа със Win7 и XP и на трите не иска да работи.
Къде може да е проблема.
- marchq
- Мнения: 381
- Регистриран на: Вто 27 мар 2007 22:53
- Автомобил:
- Двигател:
- Местоположение: Бургас
Re: VAG-COM
GodLike написа:http://depositfiles.com/files/kn7syvikq
VCDS-Lite регистриран и активиран. Работи под 64bit windows.
Изтеглете и разархивирайте. Стартирайте от loader.exe.
Много ти благодаря колега.
От доста време се мъчих с втори windows и виртуално xp и пак не можеше да стане.Сега ви моля да ми помогнете и със тези грешки какви са те и как мога да ги оправя. Преди време съм ги трил и след каране на колата от ~500km пак се появяват?
VCDS-Lite Version: Release 1.0
, 13 April 2012, 13:53:43:0Control Module Part Number: 06A 906 018 CG
Component and/or Version: 1.8L R4/5VT MOTR HS D02
Software Coding: 04000
Work Shop Code: WSC 00046
6 Faults Found:
01249 - Fuel Injector for Cylinder 1 (N30) - Нямам си представа
29-10 - Short to Ground - Intermittent
01250 - Fuel Injector for Cylinder 2 (N31) - Нямам си представа
29-10 - Short to Ground - Intermittent
01251 - Fuel Injector for Cylinder 3 (N32) - Нямам си представа
29-10 - Short to Ground - Intermittent
01252 - Fuel Injector for Cylinder 4 (N33) - Нямам си представа
29-10 - Short to Ground - Intermittent
01247 - Activated Charcoal Filter (EVAP) System Solenoid Valve 1 (N80) - Нямам си представа
29-10 - Short to Ground - Intermittent
01262 - Solenoid Valve for Boost Pressure Control (N75) - Мисля да сменя клапана Н75
29-10 - Short to Ground - Intermittent
Control Module Part Number: 3B1 907 044 C
Component and/or Version: CLIMATRONIC C 0.5.0
Software Coding: 01000
Work Shop Code: WSC 00046
1 Fault Found:
01274 - Air Flow Flap Positioning Motor (V71) - Този трябва да го сменя но не знам къде се намира?
37-00 - Faulty
- marchq
- Мнения: 381
- Регистриран на: Вто 27 мар 2007 22:53
- Автомобил:
- Двигател:
- Местоположение: Бургас
Re: VAG-COM
Някакви идеи ? 
Върни се в “Автоелектроника и автодиагностика”
Кой е на линия
Потребители, разглеждащи този форум: Няма регистрирани потребители и 30 госта