chas написа:....
Всъщност объркването идва от това, че аз наричам бобина бобината и комутатора закрепен за неяИначе самата бобина си има две входни клеми и две изходни ....
Вече аз се обърках тотално .
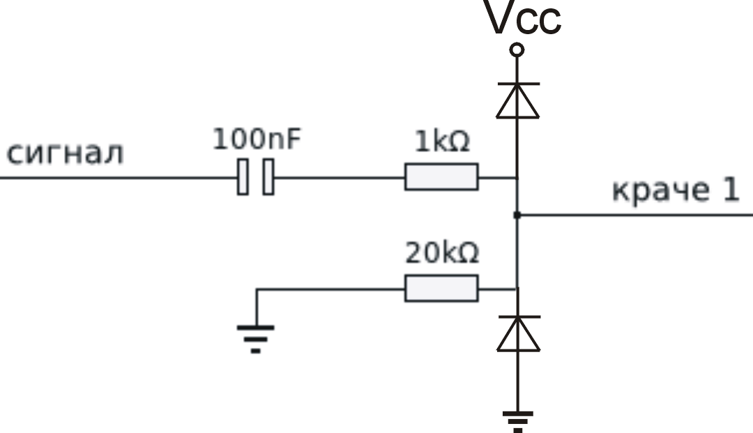
Това е ясно , въпросът е ако се ползва сигнала след комутатора , директно от бобината (дали токът на бобината се прекъсва с чукче-наковалня или транзистор няма значение) трябва да имаш схема за ограничаване на пика . Ако ползваш някакъв друг "суров" сигнал , примерно директно от Hall датчика трябва да се знае какви са нивата на напрежението и каква е товароносимостта . Аз за това не мога да кажа нищо , защото нямам кола на която да измеря , нито съм се интересувал от бензинови коли .chas написа:....Всъщност при мен чукче-наковалня е Хол датчика, а сигналът от него мисля, че отива в ECU-то, от където вече идва на средното краче на комутатора.....
Но съдейки по токовете , които мериш (всъщност как , с какво мериш импулсен ток , макар че не е важна точността
ПП Дай снимка от нета какво представлява бобината
ПП2 Преди 5-6 години ... може и повече правих на един фен
109% си за нова схема !
!
